GM Service Manual Online
For 1990-2009 cars only
Makes
🢒
Chevrolet
🢒
1999
🢒
Prizm
🢒
Body and Accessories
🢒
Entertainment
🢒 Radio/Audio System Schematics
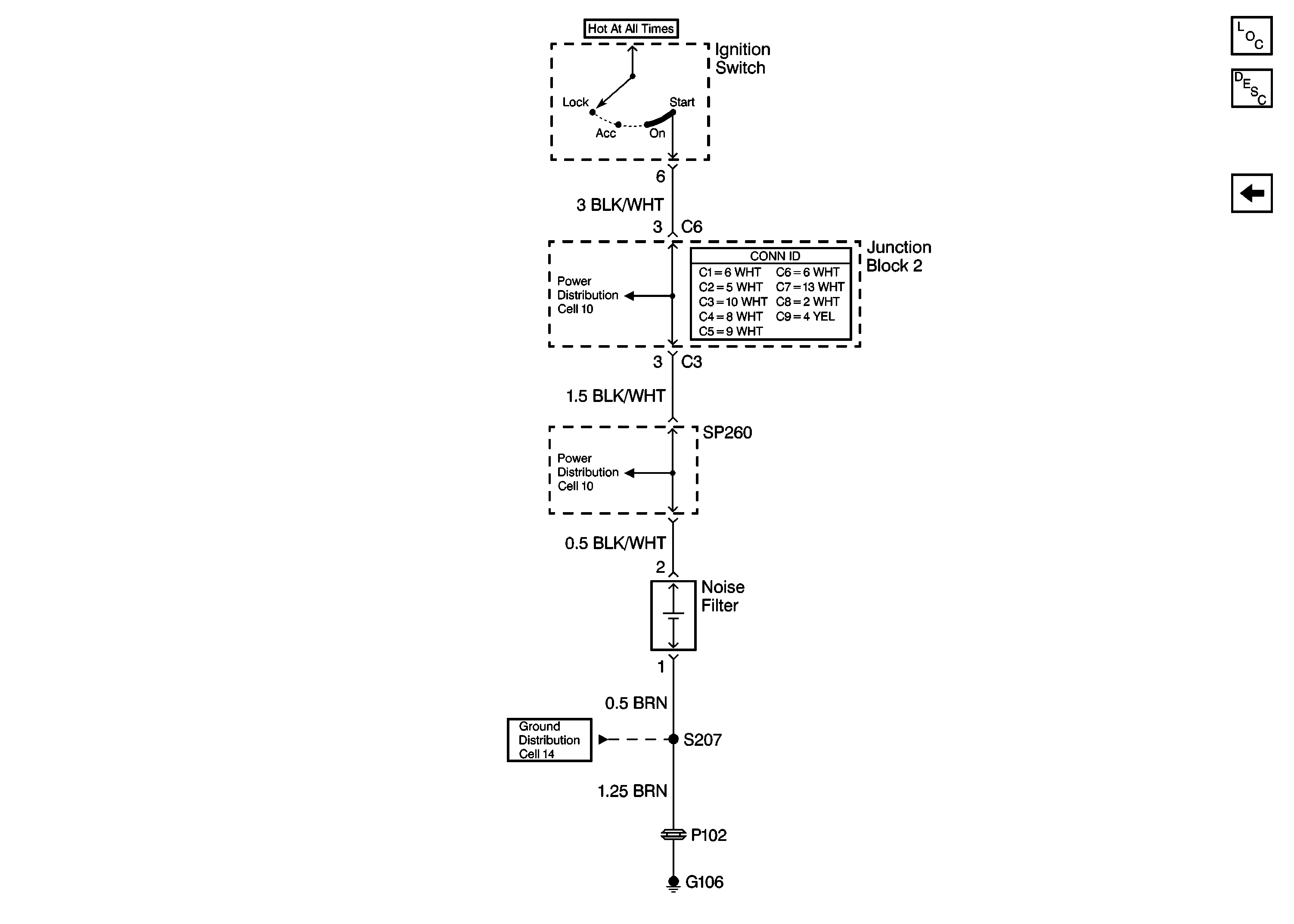
Figure
1:
Cell 150: Radio
Entertainment Components
Radio/Audio System Circuit Description
Cell 150: Noise Filter
Handling ESD Sensitive Parts Notice
Handling ESD Sensitive Parts Notice
Cell 10: CIG Fuse
Cell 10: Alt-S, AM2, Dome, EFI, Hazard, Horn, and Main Fuses
Cell 10: Alt-S, AM2, Dome, EFI, Hazard, Horn, and Main Fuses
Cell 14: G201 and G202
Cell 117: Ashtray, Cigar Lighter, and Manual Selector Illumination Lamps
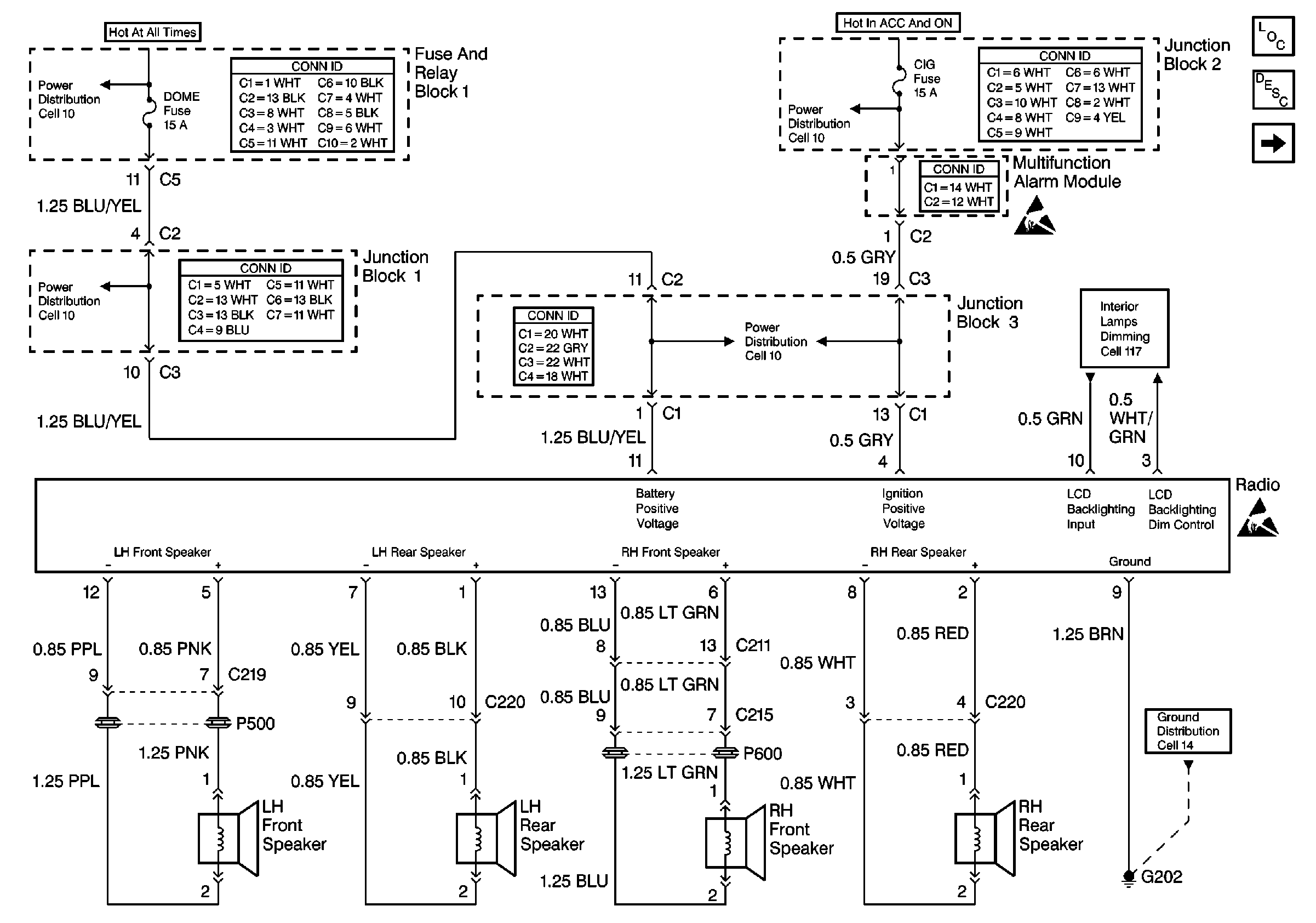
Figure
2:
Cell 150: Noise Filter
Cell 150: Radio
Entertainment Components
Radio/Audio System Circuit Description
Cell 10: Ignition Switch, IGN Fuse, and ST Fuse
Cell 10: Ignition Switch, IGN Fuse, and ST Fuse
Cell 14: G105 and G106 (1 of 2)