GM Service Manual Online
For 1990-2009 cars only
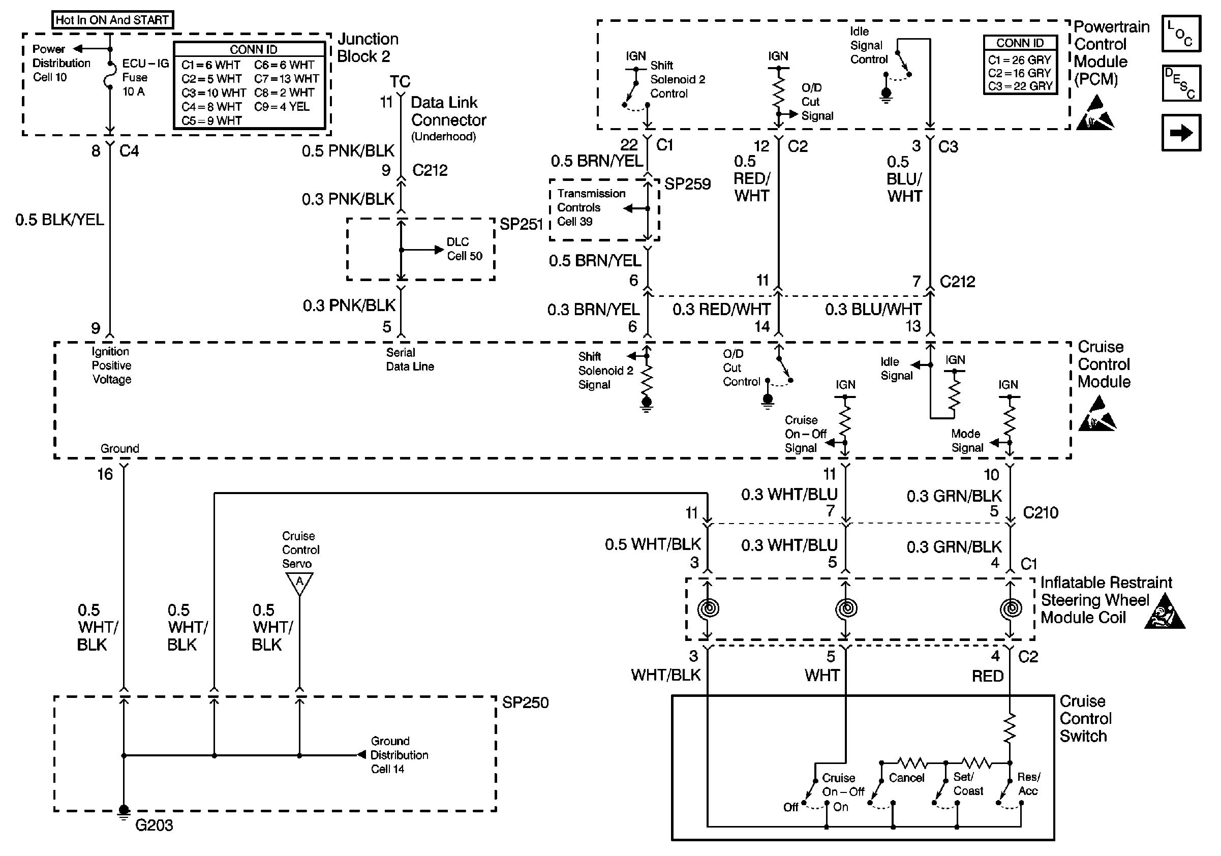
Figure 1:

Cell 34: Cruise Control Switch, Cruise Control Module, and PCM


Object Number: 245818  Size: FS
Cruise Control Components
Cruise Control System Circuit Description
Cell 34: Vehicle Speed Sensor
Handling ESD Sensitive Parts Notice
Handling ESD Sensitive Parts Notice
Cell 50:
Cell 39: EFI Relay and PCM
Cell 10: Gauge Fuse
Cell 14: G200, G203, SP250 and SP650
Figure 2:

Cell 34: Vehicle Speed Sensor


Object Number: 245819  Size: FS
Cruise Control Components
Cruise Control System Circuit Description
Cell 34: Cruise Control Servo, PNP Switch, CPP Interrupt Switch, and Stoplamp Switch
Cell 34: Cruise Control Switch, Cruise Control Module, And PCM
Handling ESD Sensitive Parts Notice
Handling ESD Sensitive Parts Notice
Cell 10: Gauge Fuse
Cell 10: Gauge Fuse
Cell 81: Gages, Speedometer, and Low Fuel Indicator
Cell 81: Gages, Speedometer, and Low Fuel Indicator
Cell 14: G201 and G202
Cell 20: MIL and DLC
Cell 10: Gauge Fuse
Figure 3:

Cell 34: Cruise Control Servo, PNP Switch, CPP Interrupt Switch, and Stoplamp Switch


Object Number: 245820  Size: FS
Cruise Control Components
Cruise Control System Circuit Description
Cell 34: Vehicle Speed Sensor
Handling ESD Sensitive Parts Notice
Cell 110: Cruise Control Module and Stoplamp Switch
Cell 10: ABS, Alt, AMI, Def, D/L, ECU-B, HTR, ODB, Power, and Stop Fuses
Cell 10: Gauge Fuse
Cell 10: Gauge Fuse
Cell 10: Gauge Fuse
Cell 10: Gauge Fuse
Cell 81: ABS, Oil Pressure, MIL, O/D OFF, and Cruise Indicators