GM Service Manual Online
For 1990-2009 cars only
Makes
🢒
Chevrolet
🢒
1999
🢒
Prizm
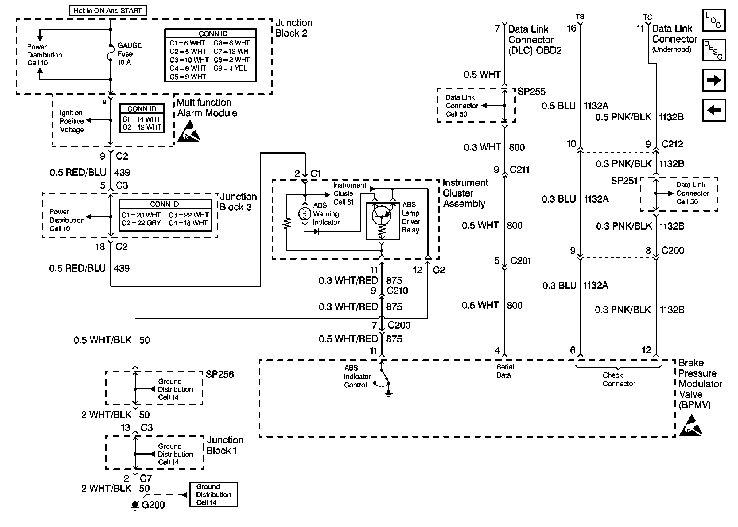
🢒 Cell 44: ABS Indicator Control, ABS Lamp Driver Relay, ABS Warning Indicator, and BPMV
Cell 44: ABS Indicator Control, ABS Lamp Driver Relay, ABS Warning Indicator, and BPMV
Cell 44: ABS Indicator Control, ABS Lamp Driver Relay, ABS Warning Indicator, and BPMV
ABS Components
Cell 44: ABS Pump Motor, BPMV, Solenoid Valves, and Wheel Speed Sensors
Cell 44: ABS Pump Motor, BPMV, Solenoid Valves, and Stoplamp Switch
Handling ESD Sensitive Parts Notice
Cell 50:
Cell 50:
Cell 81: ABS, Oil Pressure, MIL, O/D OFF, and Cruise Indicators
Cell 10: Gauge Fuse
Cell 10: Gauge Fuse
Cell 14: G200, G203, SP250 and SP650
Cell 14: G204 and SP256
Cell 14: G204 and SP256