GM Service Manual Online
For 1990-2009 cars only
Figure 1:

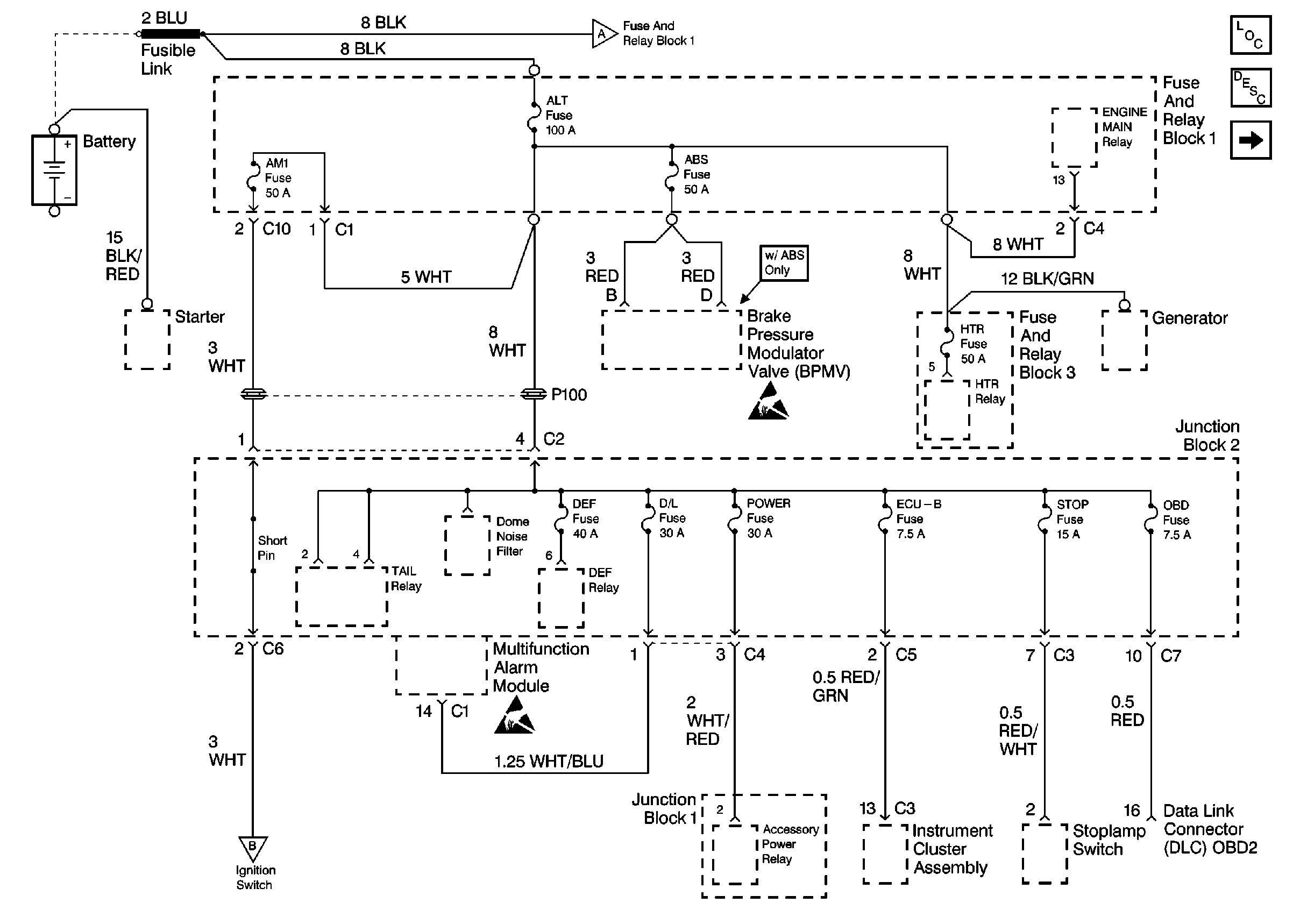
ABS, Alt, AM1, Def, D/L, ECU-B, HTR, OBD, Power, and Stop Fuses


Object Number: 247793  Size: FS
Power and Grounding Components
Alt-S, AM2, Dome, EFI, Hazard, Horn, and Main Fuses
Handling ESD Sensitive Parts Notice
Handling ESD Sensitive Parts Notice
Figure 2:

Alt-S, AM2, Dome, EFI, Hazard, Horn, and Main Fuses


Object Number: 626263  Size: FS
Power and Grounding Components
Ignition Switch, IGN Fuse, and ST Fuse
ABS, Alt, AM1, Def, D/L, ECU-B, HTR, OBD, Power, and Stop Fuses
Handling ESD Sensitive Parts Notice
Handling ESD Sensitive Parts Notice
Handling ESD Sensitive Parts Notice
Handling ESD Sensitive Parts Notice
Handling ESD Sensitive Parts Notice
Figure 3:

Ignition Switch, IGN Fuse, and ST Fuse


Object Number: 626264  Size: FS
Power and Grounding Components
Alt-S, AM2, Dome, EFI, Hazard, Horn, and Main Fuses
CIG Fuse
Handling ESD Sensitive Parts Notice
Handling ESD Sensitive Parts Notice
Handling ESD Sensitive Parts Notice
Handling ESD Sensitive Parts Notice
SIR Caution
Figure 4:

CIG Fuse


Object Number: 626268  Size: FS
Power and Grounding Components
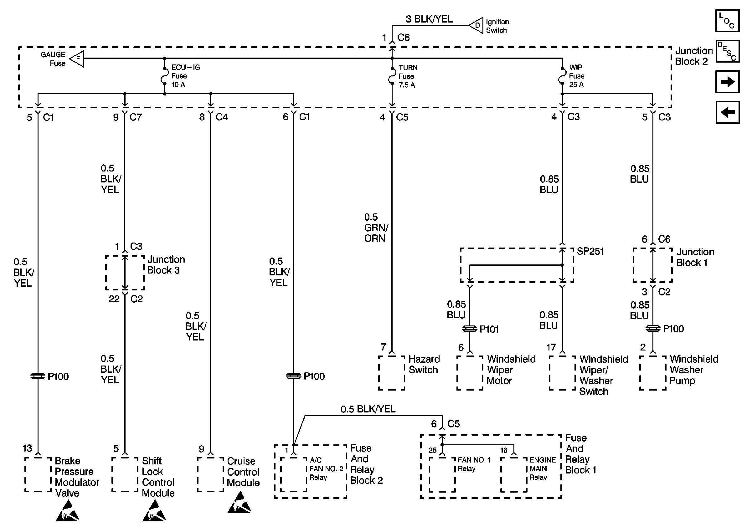
ECU-IG, Turn, WIP Fuse
Ignition Switch, IGN Fuse, and ST Fuse
Handling ESD Sensitive Parts Notice
Handling ESD Sensitive Parts Notice
Handling ESD Sensitive Parts Notice
Handling ESD Sensitive Parts Notice
SIR Caution
Figure 5:

ECU-IG, Turn, WIP Fuse


Object Number: 247797  Size: FS
Power and Grounding Components
Gauge Fuse
CIG Fuse
Handling ESD Sensitive Parts Notice
Handling ESD Sensitive Parts Notice
Handling ESD Sensitive Parts Notice
Figure 6:

Gauge Fuse


Object Number: 626271  Size: FS
Power and Grounding Components
ECU-IG, Turn, WIP Fuse
Handling ESD Sensitive Parts Notice
Handling ESD Sensitive Parts Notice
Handling ESD Sensitive Parts Notice