GM Service Manual Online
For 1990-2009 cars only
Makes
🢒
Chevrolet
🢒
2000
🢒
Prizm
🢒
Body and Accessories
🢒
Keyless Entry
🢒 Keyless Entry Schematics
Figure
1:
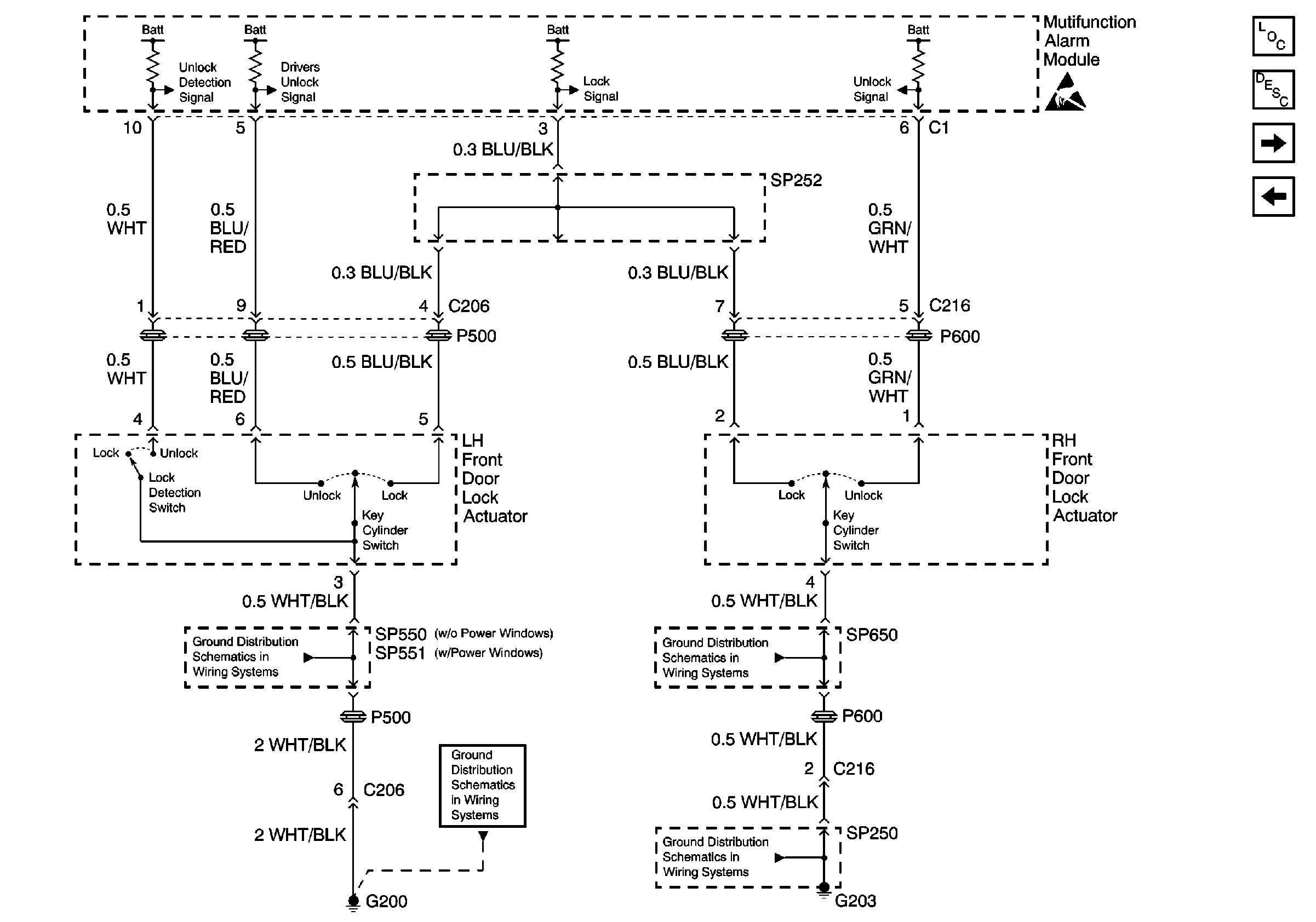
Cell 132: D/L Fuse, GAUGE Fuse, Dome Fuse, and Multifunction Alarm Module
Keyless Entry Components
Keyless Entry System Description
Cell 132: Ignition Key Alarm Switch, Remote Control Door Lock Receiver, and TAIL Relay
Handling ESD Sensitive Parts Notice
Handling ESD Sensitive Parts Notice
Cell 10: Gauge Fuse
Cell 10: ABS, Alt, AMI, Def, D/L, ECU-B, HTR, ODB, Power, and Stop Fuses
Cell 10: Gauge Fuse
Cell 10: Gauge Fuse
Cell 10: ABS, Alt, AMI, Def, D/L, ECU-B, HTR, ODB, Power, and Stop Fuses
Cell 14: G204 and SP256
Cell 14: Junction Block 2
Cell 14: G200, G203, SP250 and SP650
Cell 14: G204 and SP256
Figure
2:
Cell 132: Ignition Key Alarm Switch, Remote Control Door Lock Receiver, and TAIL Relay
Keyless Entry Components
Keyless Entry System Description
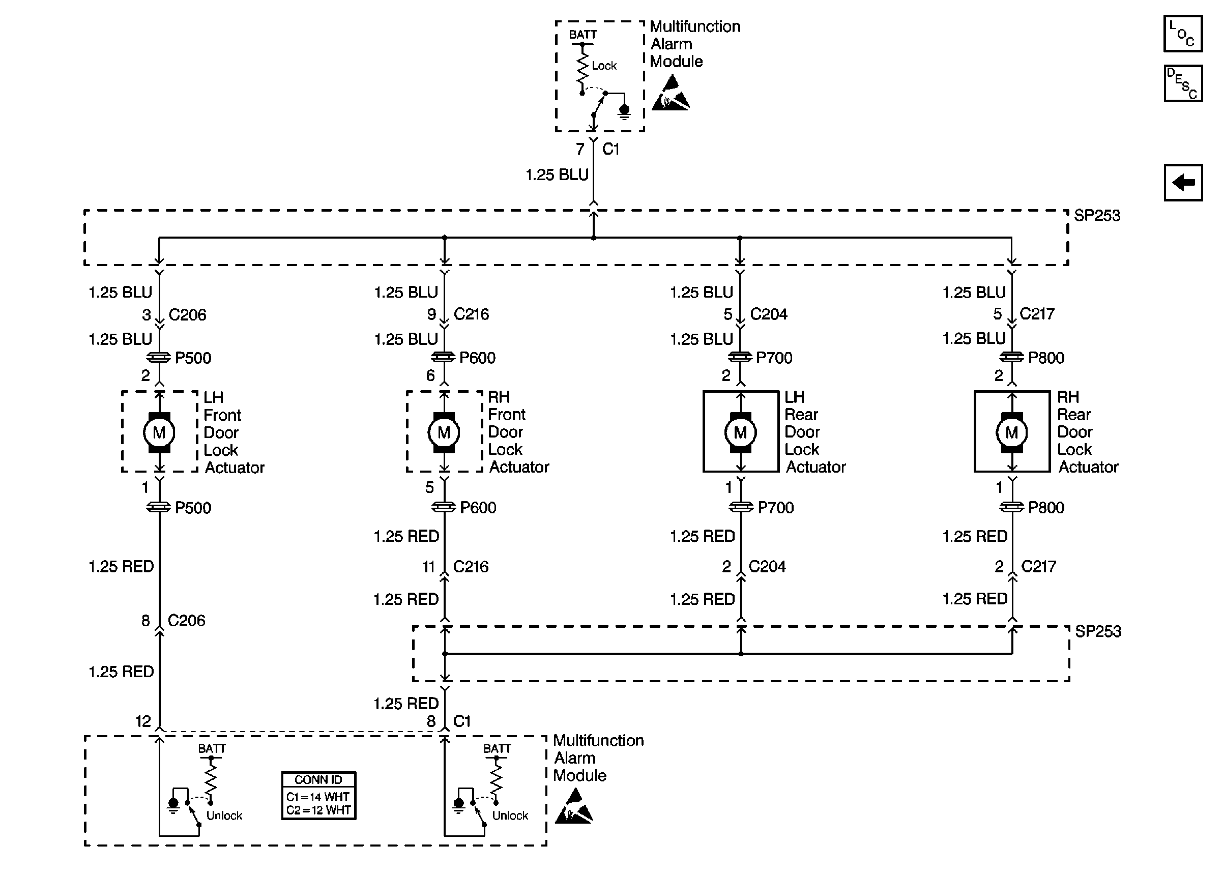
Cell 132: Remote Control Door Lock Receiver and Door Lock Actuators
Cell 132: D/L Fuse, GAUGE Fuse, Dome Fuse, and Multifunction Alarm Module
Handling ESD Sensitive Parts Notice
Handling ESD Sensitive Parts Notice
Cell 10: ABS, Alt, AMI, Def, D/L, ECU-B, HTR, ODB, Power, and Stop Fuses
Cell 14: G204 and SP256
Cell 14: Junction Block 3
Cell 110: DRL Control Module, Remote Control Door Lock Reciever, Tail, and Light
Cell 110: DRL Control Module, Remote Control Door Lock Reciever, Tail, and Light
Cell 110: DRL Control Module, Remote Control Door Lock Reciever, Tail, and Light
Figure
3:
Cell 132: Remote Control Door Lock Receiver and Door Lock Actuators
Keyless Entry Components
Keyless Entry System Description
h132d
Cell 132: Ignition Key Alarm Switch, Remote Control Door Lock Receiver, and TAIL Relay
Handling ESD Sensitive Parts Notice
Handling ESD Sensitive Parts Notice
Cell 14: G200, G203, SP250 and SP650
Cell 14: G200, G203, SP250 and SP650
Cell 14: G200, G203, SP250 and SP650
Cell 14: SP550 and SP551
Figure
4:
Cell 130: Door Lock Actuators and Multifunction Alarm Module
Power Door Systems Components
Cell 130: Door Lock Switches
Cell 10: Gauge Fuse
Handling ESD Sensitive Parts Notice
Cell 14: G200, G203, SP250 and SP650
Cell 14: G200, G203, SP250 and SP650
Cell 14: G200, G203, SP250 and SP650
Cell 14: SP550 and SP551
Figure
5:
Cell 132: Multifunction Alarm Module and Door Lock Actuators
Keyless Entry Components
Keyless Entry System Description
h132d
Handling ESD Sensitive Parts Notice