GM Service Manual Online
For 1990-2009 cars only
Makes
🢒
Chevrolet
🢒
2000
🢒
Prizm
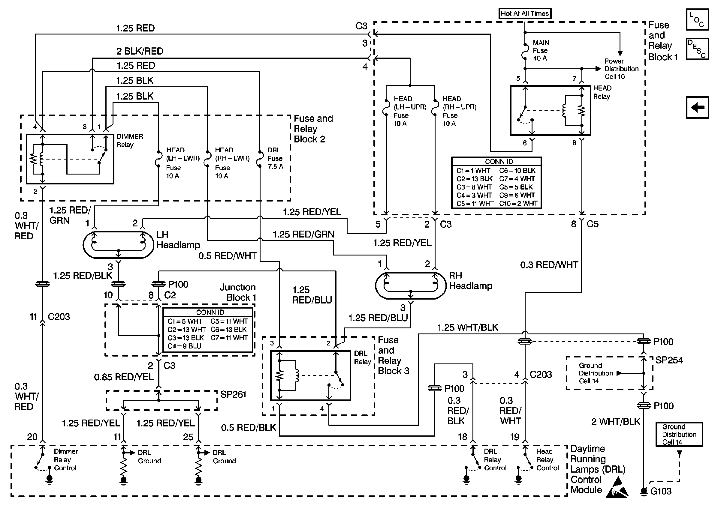
🢒 Cell 102: Dimmer Relay, HEAD Relay, and DRL Relay
Cell 102: Dimmer Relay, HEAD Relay, and DRL Relay
Cell 102: Dimmer Relay, HEAD Relay, and DRL Relay
Lighting Systems Components
Headlights/Daytime Running Lights (DRL) Circuit Description
Cell 102: Light Switch, Dimmer Switch DRL Control Module
Cell 14: Battery, G100, G101, G102, G103, and G104
Cell 14: SP254 and SP261
Cell 10: Alt-S, AM2, Dome, EFI, Hazard, Horn, and Main Fuses
Handling ESD Sensitive Parts Notice