GM Service Manual Online
For 1990-2009 cars only
Makes
🢒
Chevrolet
🢒
2000
🢒
Prizm
🢒 Cell 120: Window Motors and Window Switches
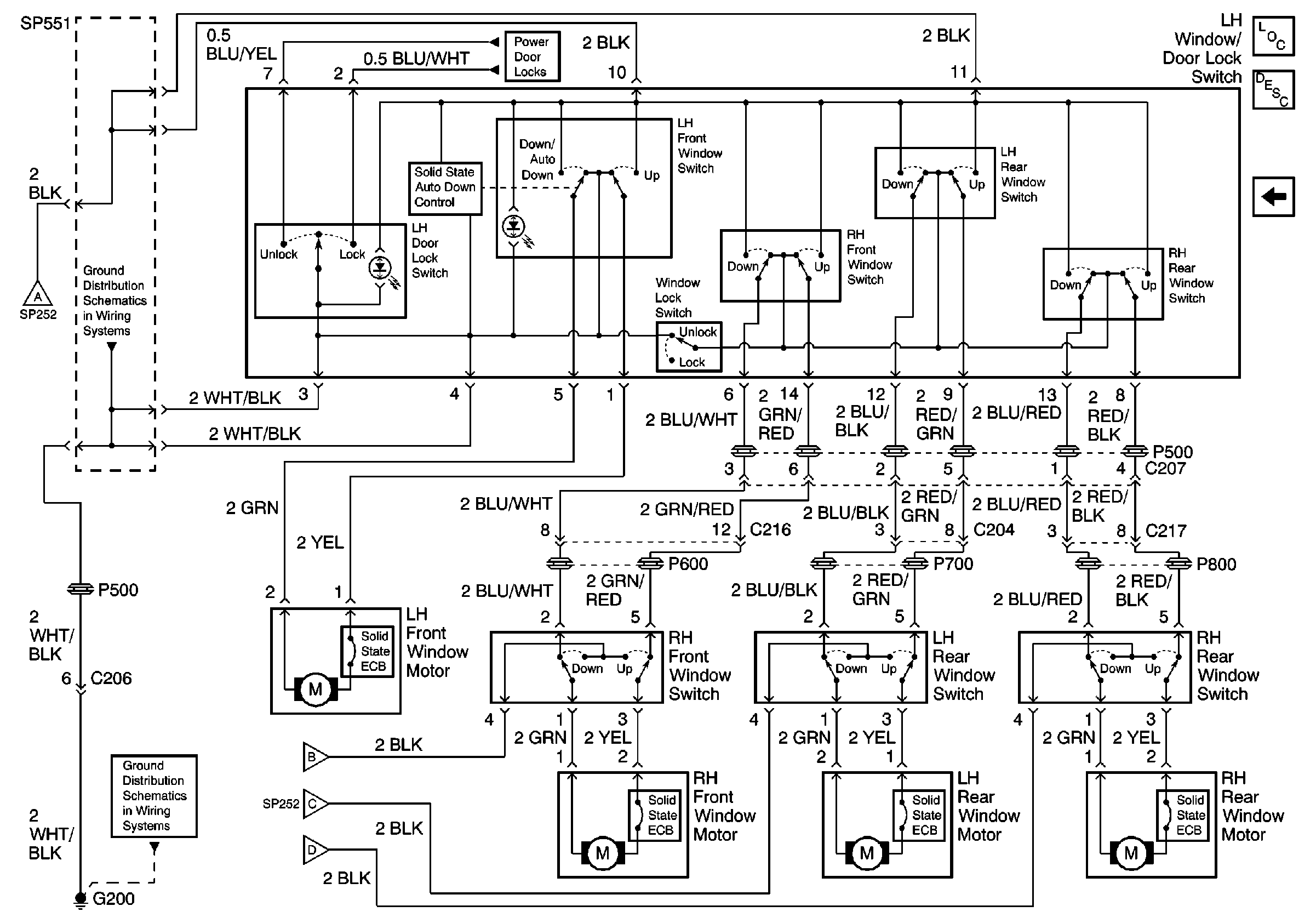
Cell 120: Window Motors and Window Switches
Cell 120: Window Motors and Window Switches
Cell 120: Accessory Power Relay, GAUGE Fuse, POWER Fuse, and SP252
Power Door Systems Components
Cell 130: Door Lock Switches
Cell 14: SP550 and SP551
Cell 14: G200, G203, SP250 and SP650