GM Service Manual Online
For 1990-2009 cars only
Makes
🢒
Chevrolet
🢒
2000
🢒
Prizm
🢒 Cell 39: EFI Relay and PCM
Cell 39: EFI Relay and PCM
Cell 39: EFI Relay and PCM
Automatic Transmission Components
Cell 39: Cruise Control Module, PCM, Overdrive Switch, TCC Solenoid, Shift Solenoid NO. 1, and Shift Solenoid NO. 2
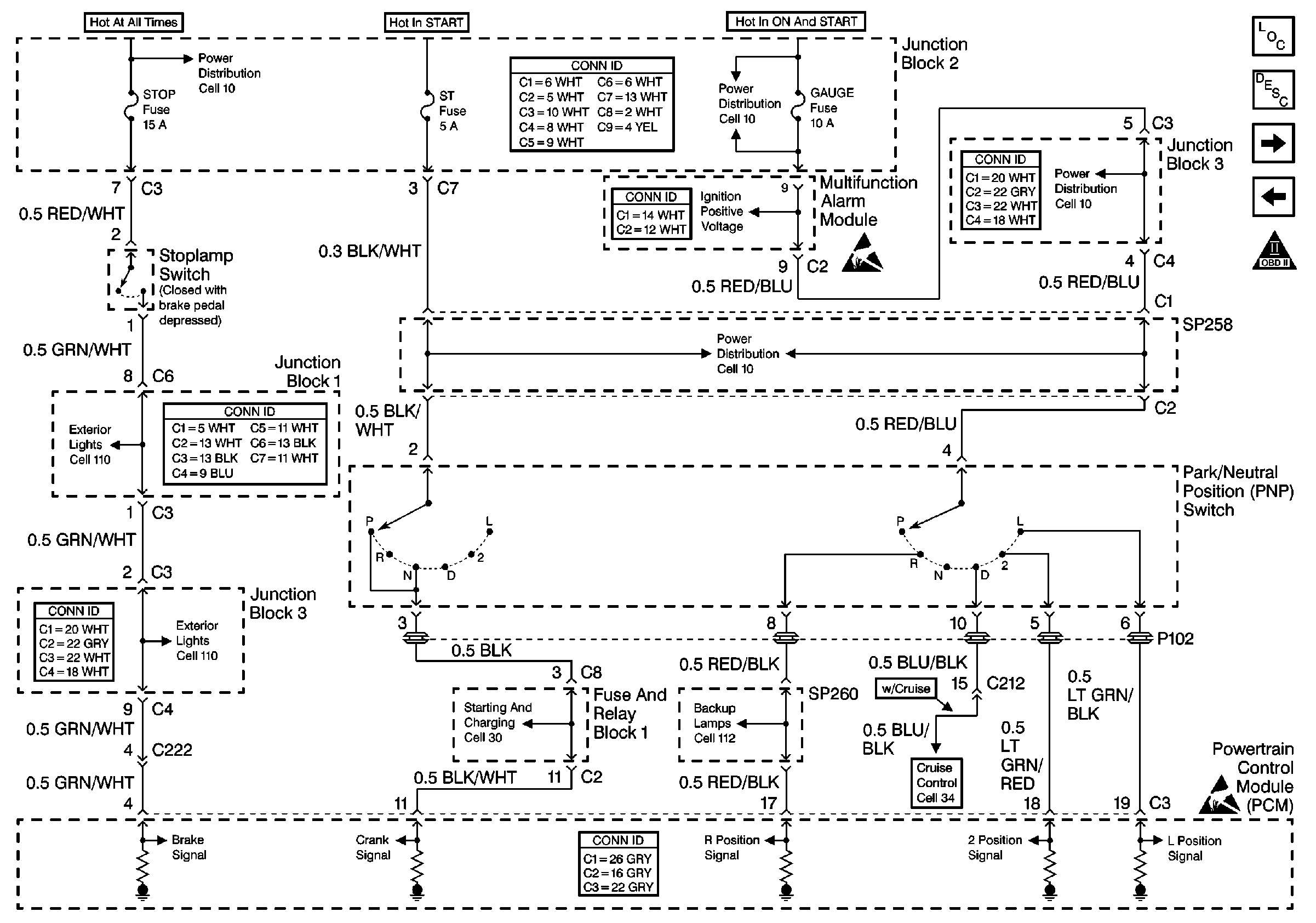
Cell 39: PNP Switch, PCM, and Stoplamp Switch
OBD II Symbol Description Notice
Handling ESD Sensitive Parts Notice
Handling ESD Sensitive Parts Notice
Cell 10: ABS, Alt, AMI, Def, D/L, ECU-B, HTR, ODB, Power, and Stop Fuses
Cell 10: Gauge Fuse
Cell 10: Gauge Fuse
Cell 110: Cruise Control Module and Stoplamp Switch
Cell 110: Cruise Control Module and Stoplamp Switch
Cell 112
Cell 34: Cruise Control Servo, PNP Switch, CPP Interrupt Switch, and Stoplamp Switch
Cell 20: A/T Controls Inputs