GM Service Manual Online
For 1990-2009 cars only
Makes
🢒
Chevrolet
🢒
2000
🢒
Prizm
🢒 Cell 41
Cell 41
Cell 41
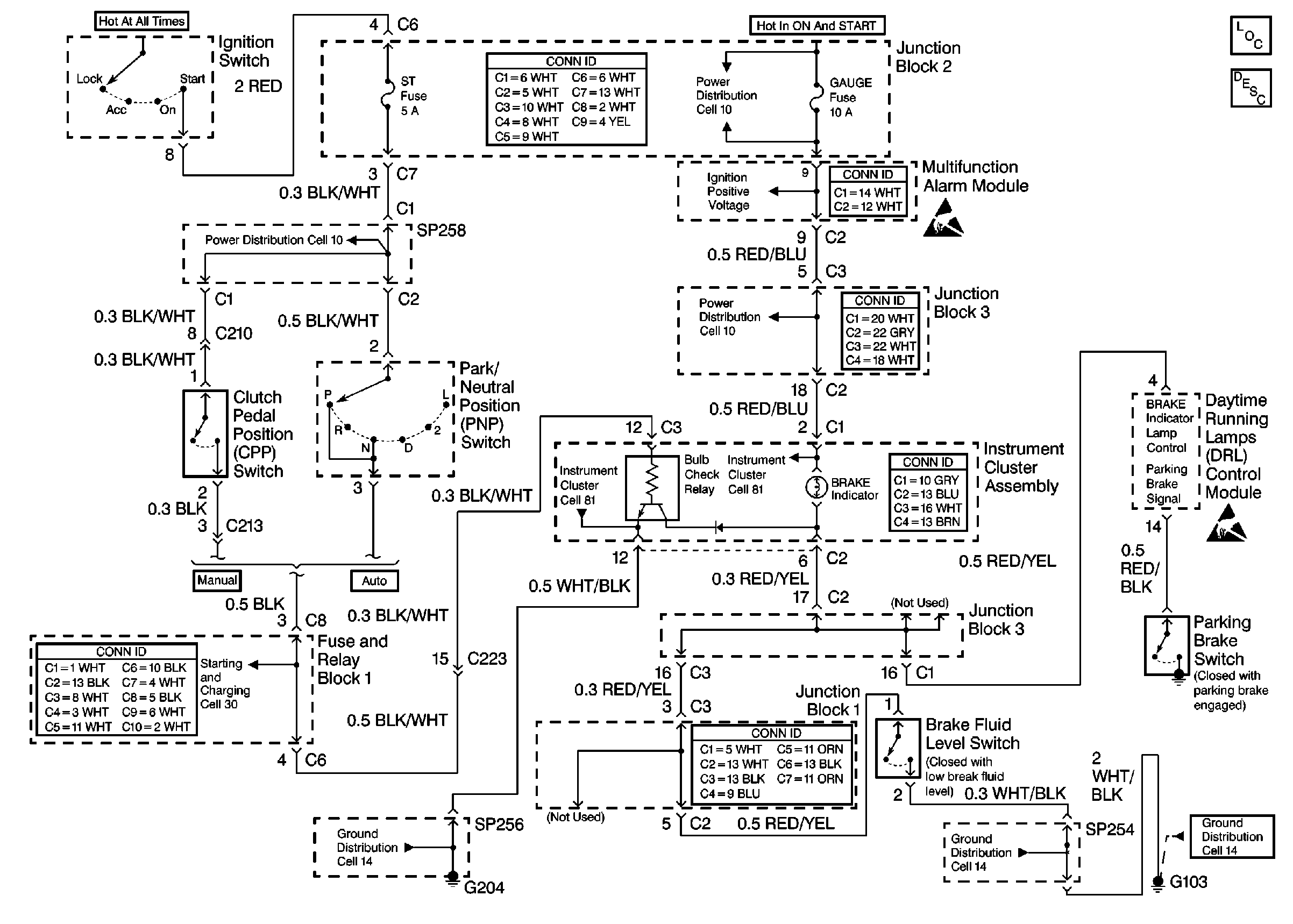
Hydraulic Brakes Components
Handling ESD Sensitive Parts Notice
Handling ESD Sensitive Parts Notice
Cell 10: Gauge Fuse
Cell 10: Gauge Fuse
Cell 10: Gauge Fuse
Cell 14: SP254 and SP261
Cell 14: G204 and SP256
Cell 30: Battery, Fusible Link, and Generator
Cell 81: Turn, High Beam, Defogger, Brake, and Seat Belt Indicator
Cell 14: Battery, G100, G101, G102, G103, and G104
Cell 81: Turn, High Beam, Defogger, Brake, and Seat Belt Indicator