GM Service Manual Online
For 1990-2009 cars only
Makes
🢒
Chevrolet
🢒
2000
🢒
Prizm
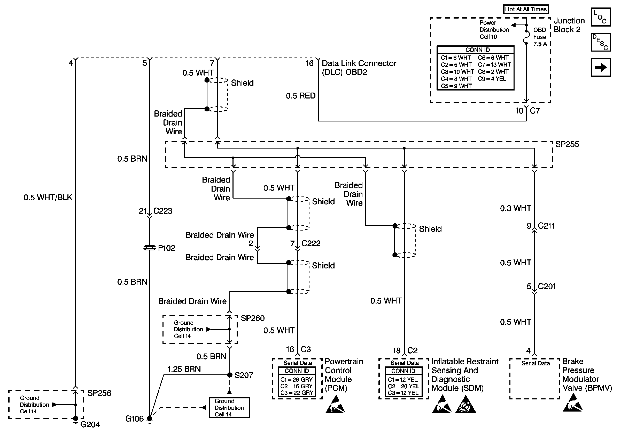
🢒 Cell 50: OBD II Connector
Cell 50: OBD II Connector
Cell 50: OBD II Connector
Data Link Communications Components
Cell 50:
Handling ESD Sensitive Parts Notice
Handling ESD Sensitive Parts Notice
Handling ESD Sensitive Parts Notice
SIR Caution
Cell 14: G106 (2 of 2)
Cell 14: G105 and G106 (1 of 2)
Cell 14: G204 and SP256
Cell 10: RR W/W, DRL, HIGH BEAM, and LDLEV Fuses