GM Service Manual Online
For 1990-2009 cars only
Makes
🢒
Chevrolet
🢒
2000
🢒
Prizm
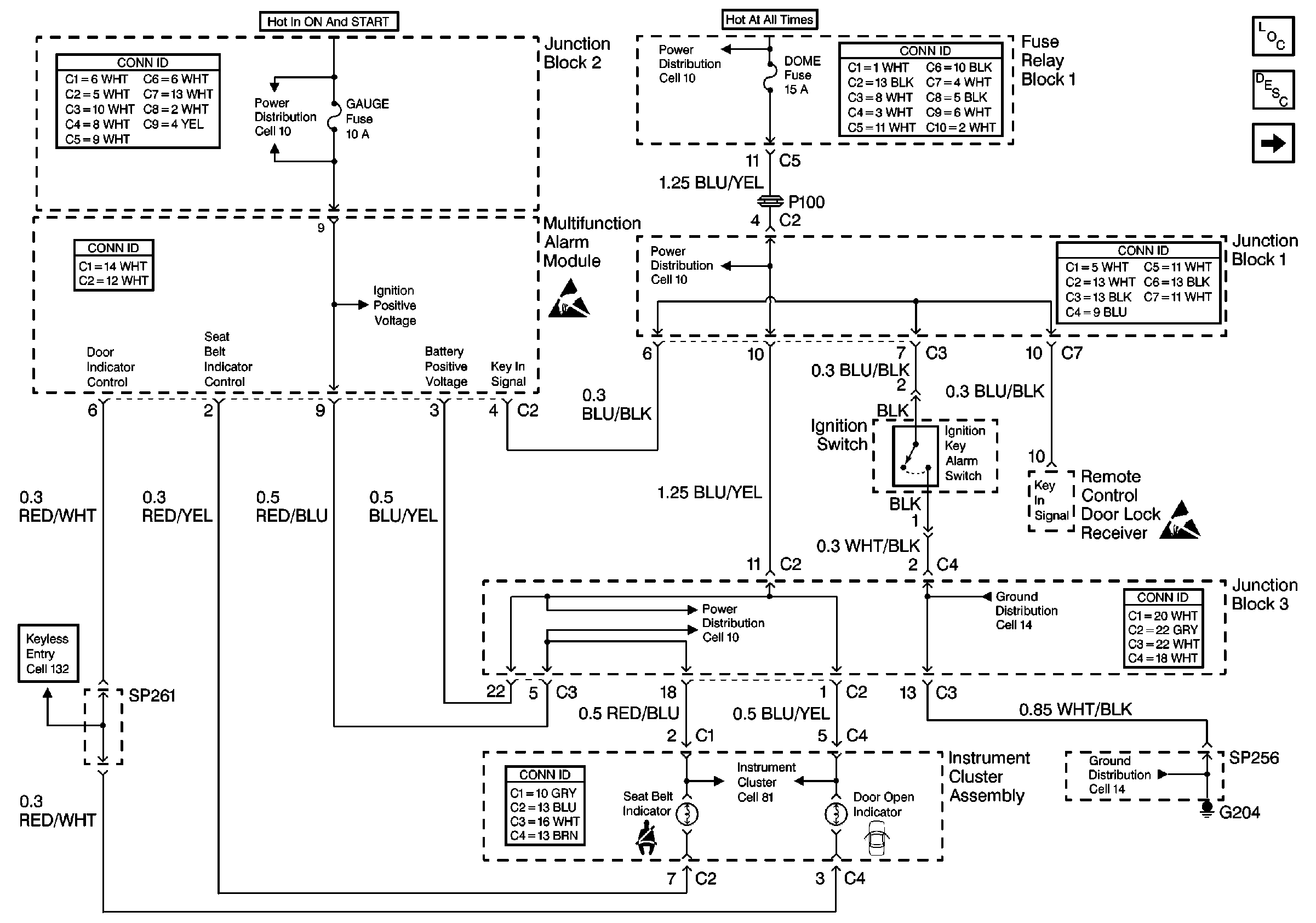
🢒 Cell 76: Ignition Key Alarm Switch, Door open Indicator, and Seat Belt Indicator
Cell 76: Ignition Key Alarm Switch, Door open Indicator, and Seat Belt Indicator
Cell 76: Ignition Key Alarm Switch, Door open Indicator, and Seat Belt Indicator
Instrument Cluster Components
Instrument Cluster Circuit Description
Cell 76: Tail Relay, Tail Relay Control, and Turn/Signal CombiNation Switch
Handling ESD Sensitive Parts Notice
Handling ESD Sensitive Parts Notice
Cell 10: ECU-IG, Turn, WIP Fuse
Cell 10: Alt-S, AM2, Dome, EFI, Hazard, Horn, and Main Fuses
Cell 10: Alt-S, AM2, Dome, EFI, Hazard, Horn, and Main Fuses
Cell 10: Alt-S, AM2, Dome, EFI, Hazard, Horn, and Main Fuses
Cell 14: G204 and SP256
Cell 14: Junction Block 3
Cell 81: Turn, High Beam, Defogger, Brake, and Seat Belt Indicator