GM Service Manual Online
For 1990-2009 cars only
Makes
🢒
Chevrolet
🢒
2000
🢒
Prizm
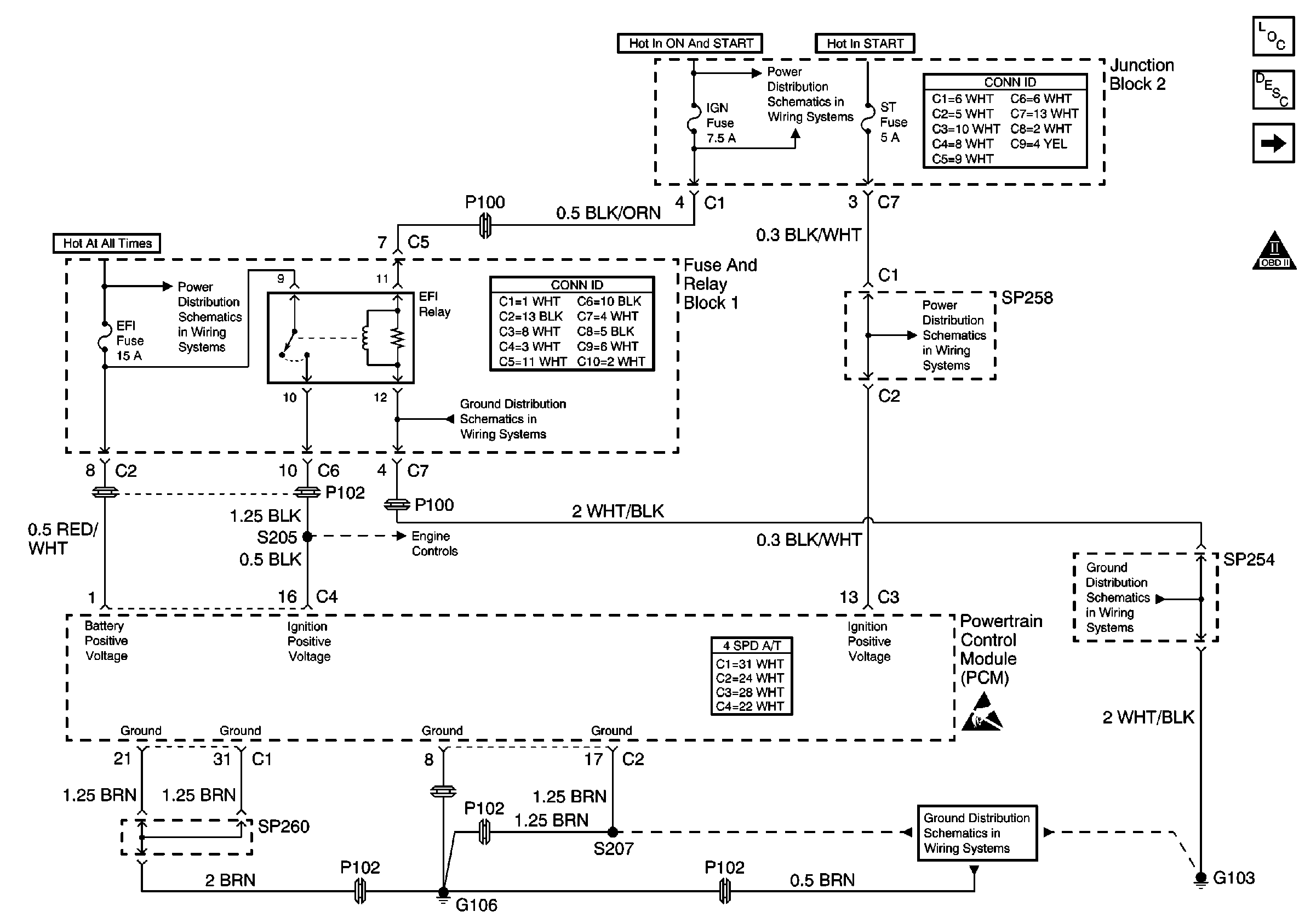
🢒 EFI Relay and PCM
EFI Relay and PCM
EFI Relay and PCM
Automatic Transmission Components
PNP Switch, PCM and Stoplamp Switch
OBD II Symbol Description Notice
Handling ESD Sensitive Parts Notice
Cell 14: G105 and G106
SP254 and SP261
Ignition Switch, IGN Fuse, and ST Fuse
Ignition Switch, IGN Fuse, and ST Fuse
Alt-S, AM2, Dome, EFI, Hazard, Horn, and Main Fuses