GM Service Manual Online
For 1990-2009 cars only

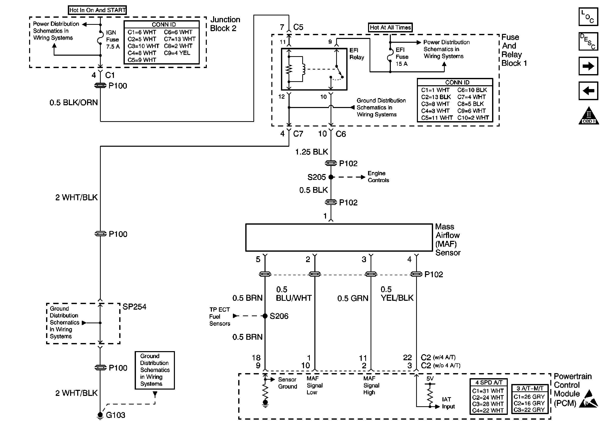
Refer to Engine Controls schematic

Engine Data Sensors (2 of 2)


Object Number: 624336  Size: FS
Engine Controls Components
HO2S
Engine Data Sensors (1 of 2)
OBD II Symbol Description Notice
Handling ESD Sensitive Parts Notice
.

Circuit Description

The mass air flow (MAF) sensor measures the changes in the intake air volume that result from the changes in throttle opening and air density. Air flow measurements are used by the powertrain control module (PCM) in order to determine engine fueling requirements.

The MAF sensor is a hot wire design. A platinum hot wire and a thermister are located in the intake air bypass passage of the MAF sensor housing. The temperature of the platinum hot wire is affected by exposure to air flow and by exposure to air temperature. The platinum hot wire is maintained at a set temperature by controlling the current flow through the wire. The MAF sensor converts the changes in current flow to a voltage signal. The voltage signal from the MAF sensor enables the PCM to detect changes in air density and changes in air volume.

Conditions for Running the DTC

    • The engine is running.
    • The engine coolant temperature is at least 80°C (176°F).

Conditions for Setting the DTC

    • The engine speed is 900 RPM or less.
    • The throttle valve is closed.
    • The MAF sensor output is more than 2.2 volts.
    • The condition is present for at least 10 seconds.

OR:

    • The engine speed is 1,500 RPM or more.
    • The throttle position (TP) sensor input is at least 0.63 volts.
    • The MAF sensor output is less than 1.06 volts.
    • The condition is present for at least 10 seconds.

Action Taken When the DTC Sets

    • The PCM illuminates the malfunction indicator lamp (MIL) after 2 consecutive ignition cycles in which the diagnostic runs with the fault active.
    • The PCM records the operating conditions at the time the diagnostic fails. This information will be stored in the Freeze Frame buffer.

Conditions for Clearing the MIL/DTC

    • The MIL turns off after 3 consecutively passing cycles without a fault present.
    • A History DTC will clear after 40 consecutive warm-up cycles without a fault.
    • Perform the scan tool clear DTC Information Function in order to clear the DTC.

Diagnostic Aids

Check for any of the following conditions:

    • Excessive deposits on the throttle plate or throttle bore.
    • A sticking or binding throttle plate.
    • A misrouted wiring harness. Inspect the MAF sensor harness to ensure that the harness is not routed too close to high voltage wires such as spark plug leads.
    • A damaged wiring harness. Inspect the wiring harness for damage. If the harness appears to be OK, observe the scan tool while moving connectors and wiring harnesses related to the MAF sensor. A change in the display will indicate the location of the fault.
    • Observe the HO2S voltage and fuel trim readings with a scan tool. If the HO2S voltage is fixed low, while the fuel trim is constantly high, check the MAF sensor signal circuit for resistance. High circuit resistance can cause the sensor to read a lower volume of air than actual, resulting in a lean fueling condition.
    • A plugged intake air duct or a dirty air filter element. A wide-open throttle acceleration from a stop should cause the mass air flow parameter displayed on a scan tool to increase from about 2 to 3.5 g/s at idle to about 90 to 100 g/s or more at the time of the 1-2 shift. If not, check for a restriction or resistance in the signal circuit.

An intermittent malfunction may be caused by a fault in the MAF sensor circuit. Inspect the wiring harness and components for an intermittent condition. Refer to Intermittent Conditions .

If the DTC P0101 cannot be duplicated, the information included in the Freeze Frame data can be useful in determining vehicle operating conditions when the DTC was first set.

If any wiring repairs need to be made, refer to Wiring Repairs in Wiring Systems.

Test Description

The numbers below refer to the step numbers in the diagnostic table.

  1. The Powertrain OBD System Check prompts the technician to complete some basic checks and store the freeze frame data on the scan tool if applicable. This creates an electronic copy of the data taken when the fault occurred. The information is then stored in the scan tool for later reference.

  2. This step checks whether the DTC P0101 is the result of a hard failure or an intermittent condition. Operating the vehicle in check mode enhances the PCMs diagnostic capabilities. For additional information on check mode operation refer to the Powertrain Control Module Diagnosis section.

  3. This step checks for faults in the MAF sensor electrical circuits that can cause the PCM to recieve incorrect voltage signals. The normal MAF sensor signal on a warm engine at idle is 1.7-2.1 g/s.

Step

Action

Values

Yes

No

1

Did you perform the Powertrain On-Board Diagnostic (OBD) System Check?

--

Go to Step 2

Go to Powertrain On Board Diagnostic (OBD) System Check

2

  1. Install a scan tool.
  2. Check for any other DTCs.
  3. Repair any other DTCs first.

Are there any other DTCs set?

--

Go to the Appropriate Diagnostic Table

Go to Step 3

3

  1. Check for any of the following conditions:
  2. • Any objects blocking the MAF sensor inlet
    • Any intake manifold vacuum leaks
    • Any tthrottle body vacuum leaks
    • Any EGR valve leaks
    • A faulty, missing, or incorrectly installed PCV valve
  3. Repair as necessary.

Was a repair necessary?

--

Go to Step 7

Go to Step 4

4

  1. Turn ON the ignition, with the engine OFF.
  2. Place the control module into Check Mode. Refer to the Test Description.
  3. Operate the vehicle within the Freeze Frame conditions as noted.

Is the DTC P0101 set?

--

Go to Step 5

Go to Diagnostic Aids

5

  1. Check for the following conditions:
  2. • Inspect for poor connections in the MAF sensor circuits. Refer to Testing for Intermittent Conditions and Poor Connections in Wiring Systems.
    • Inspect for high resistance in the MAF sensor electrical circuits.
    • Inspect for at least 11 volts on the ignition positive voltage circuit.
  3. Repair as necessary. Refer to Wiring Repairs in Wiring Systems.

Was a repair necessary?

--

Go to Step 7

Go to Step 6

6

Replace the MAF sensor. Refer to Mass Airflow Sensor Replacement .

Is the action complete?

--

Go to Step 7

--

7

  1. Clear the DTC Information function with the scan tool.
  2. Road test vehicle within the Freeze Frame conditions that set the DTC.
  3. Review the scan tool data and check for DTCs.

Are any DTCs displayed on the scan tool?

--

Go Diagnostic Trouble Code (DTC) List

System OK