GM Service Manual Online
For 1990-2009 cars only

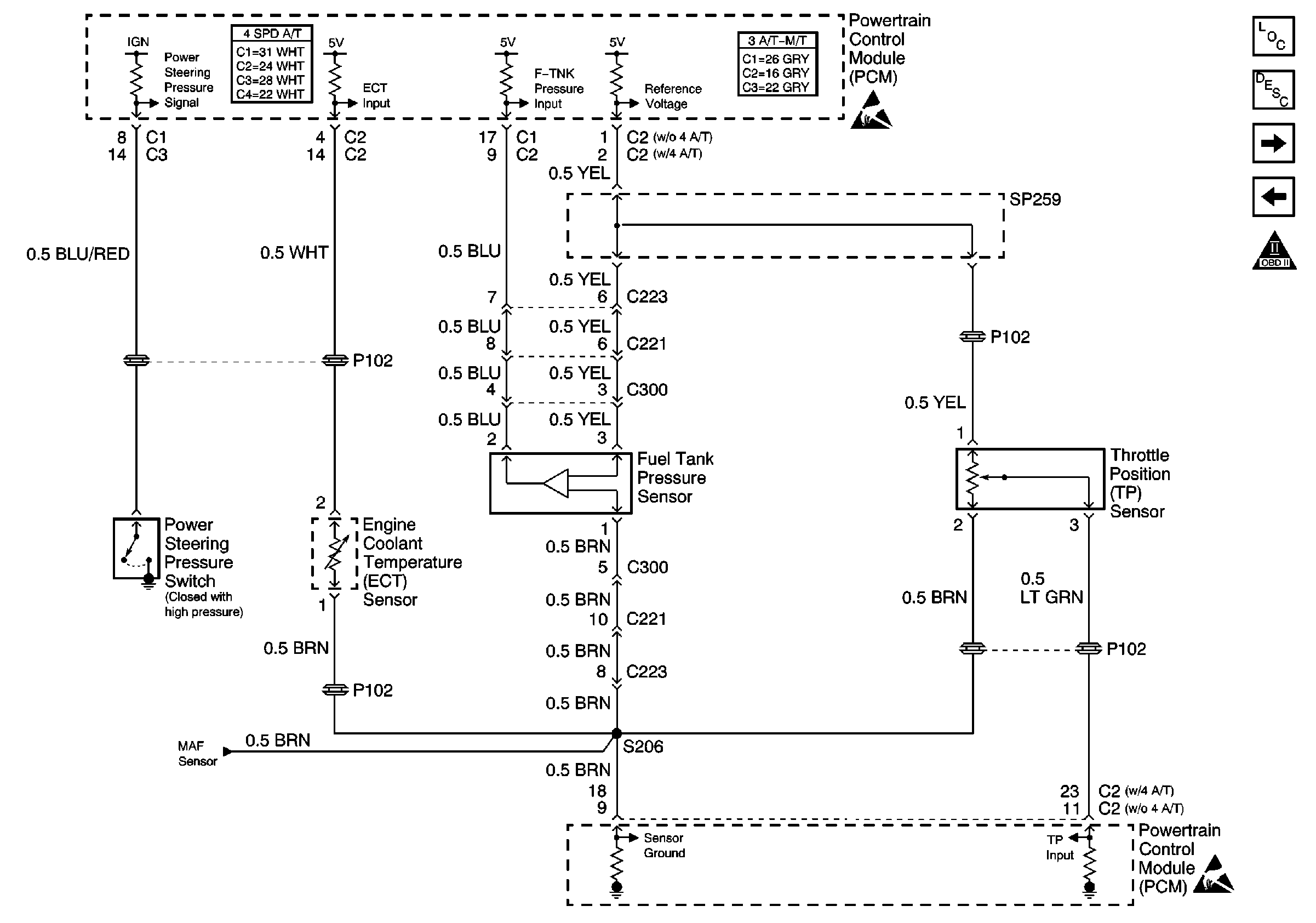
Refer to Engine Controls Schematics

Engine Data Sensors (1 of 2)


Object Number: 624335  Size: FS
Engine Controls Components
Engine Data Sensors (2 of 2)
Fuel Injectors
OBD II Symbol Description Notice
Handling ESD Sensitive Parts Notice
.

Circuit Description

The throttle position (TP) sensor is a potentiometer whose resistance value changes along with the throttle valve position. The powertrain control module (PCM) provides a 5 volt reference voltage to the TP sensor. The PCM reads the voltage across the TP sensor and uses the voltage to calculate the percentage of throttle valve opening. The TP sensor resistance decreases as the throttle valve opening increases. When the TP sensor resistance decreases the voltage being monitored by the PCM increases. The TP sensor resistance increases when the throttle valve opening decreases, therefore the voltage being monitored by the PCM will decrease.

Conditions for Running the DTC

    • The engine speed is increasing
    • The engine is operating in Closed Loop

Conditions for Setting the DTC

The vehicle speed has exceeded 30 km/h (19 mph), and the output value of the throttle position sensor is out of the applicable range.

Action Taken When the DTC Sets

    • The PCM illuminates the MIL during the second key cycle in which the DTC sets.
    • The PCM stores the conditions which were present when the DTC set as Freeze Frame data.

Conditions for Clearing the MIL/DTC

    • The PCM turns OFF the MIL on the third consecutive trip cycle during which the diagnostic has been run and the fault condition is no longer present.
    • A DTC clears after 40 consecutive warm-up cycles have occurred without a fault.
    • A DTC can be cleared by using the scan tool Clear DTC Information function.

Diagnostic Aids

Inspect the throttle valve linkage and lever assembly for free and normal movement. Binding or misalignment of the throttle valve can affect the TP sensor input. Check that the throttle lever has not been bent or tampered with. Check that the throttle valve opens fully, and the lever contacts the throttle stop.

The scan tool will typically display a TP angle of 8-10 percent at idle, and 76-77 percent at wide open throttle (WOT).

An intermittent malfunction may be caused by fault in the TP sensor electrical circuit. Inspect the wiring harness and the components for any of the following conditions:

    • Any backed-out terminals
    • Any improper mating of terminals
    • Any broken electrical connector locks
    • Any improperly formed or damaged terminals
    • Any faulty terminal-to-wire connections
    • Any physical damage to the wiring harness
    • A broken wire inside the insulation
    • Any corrosion of the electrical connections, the splices, or the terminals

Repair any electrical circuit faults that were found. Refer to Wiring Repairs in Wiring Systems.

The information included in the Freeze Frame data can be useful in determining the vehicle operating conditions when the DTC first set.

Test Description

The numbers below refer to the step numbers in the diagnostic table.

  1. The OBD System Check prompts the technician to complete some basic checks and store the Freeze Frame data on the scan tool, if applicable. This creates an electronic copy of the data taken when the fault occurred. The information is then stored in the scan tool for later reference.

  2. The throttle angle percentage should steadily increase without binding or a large percentage jump.

  3. This step determines if DTC P0121 is the result of a hard failure or an intermittent condition.

  4. This checks whether there is a short to voltage or the TP sensor is binding.

  5. When the 5 volt reference circuit is jumpered to the TP sensor input circuit, the scan tool parameter should read near 100 percent.

Step

Action

Values

Yes

No

1

Did you perform the Powertrain On-Board Diagnostic (OBD) System Check?

--

Go to Step 2

Go to Powertrain On Board Diagnostic (OBD) System Check

2

  1. Turn ON the ignition, with the engine OFF.
  2. Install a scan tool.
  3. Select the TP angle parameter on the scan tool.
  4. Monitor the scan tool while depressing the accelerator pedal (repeat the procedure several times).

Does the TP angle value increase steadily when the accelerator pedal is depressed and decrease steadily when the pedal is released, within the specified range?

10-80%

Go to Step 3

Go to Step 4

3

  1. Perform the scan tool Clear DTC Information function.
  2. Use the scan tool in order to place the vehicle into Check Mode.
  3. Operate the vehicle within the Freeze Frame conditions as specified.

Does DTC P0121 set?

--

Go to Step 4

Go to Diagnostic Aids

4

  1. Disconnect the TP sensor electrical connector.
  2. Select the TP angle on the scan tool.

Is the TP sensor percentage more than the specified value?

0%

Go to Step 6

Go to Step 5

5

  1. Connect a test lamp between the reference voltage circuit and the TP sensor input circuit at the TP sensor harness connector.
  2. Monitor the TP sensor on the scan tool.

Is the TP sensor percentage more than the specified value?

90%

Go to Step 8

Go to Step 7

6

  1. Check the following conditions:
  2. • A short to voltage in the TP sensor input circuit
    • An open in the TP sensor ground circuit between the TP sensor and the PCM
    • Proper mating of the TP sensor electrical connector
  3. Repair any problem found.

Was a problem found?

--

Go to Step 10

Go to Step 9

7

  1. Check for the following conditions:
  2. • An open or a short to the TP sensor input circuit.
    • A high resisitance in the TP sensor reference voltage circuit between the TP sensor and the PCM
  3. Repair as necessary. Refer to Wiring Repairs in Wiring Systems.

Was a repair necessary?

--

Go to Step 10

Go to Step 9

8

Replace the TP sensor. Refer to Throttle Position Sensor Replacement .

Is the action complete?

--

Go to Step 10

--

9

Replace the PCM. Refer to Powertrain Control Module Replacement .

Is the action complete?

--

Go to Step 10

--

10

  1. Perform the scan tool Clear DTC Information function and road test the vehicle within the Freeze Frame conditions that set the DTC.
  2. Review the scan tool data and check for DTCs. The repair is complete if no DTCs are stored.

Are any DTCs displayed on scan tool?

--

Go to Diagnostic Trouble Code (DTC) List

System OK