GM Service Manual Online
For 1990-2009 cars only

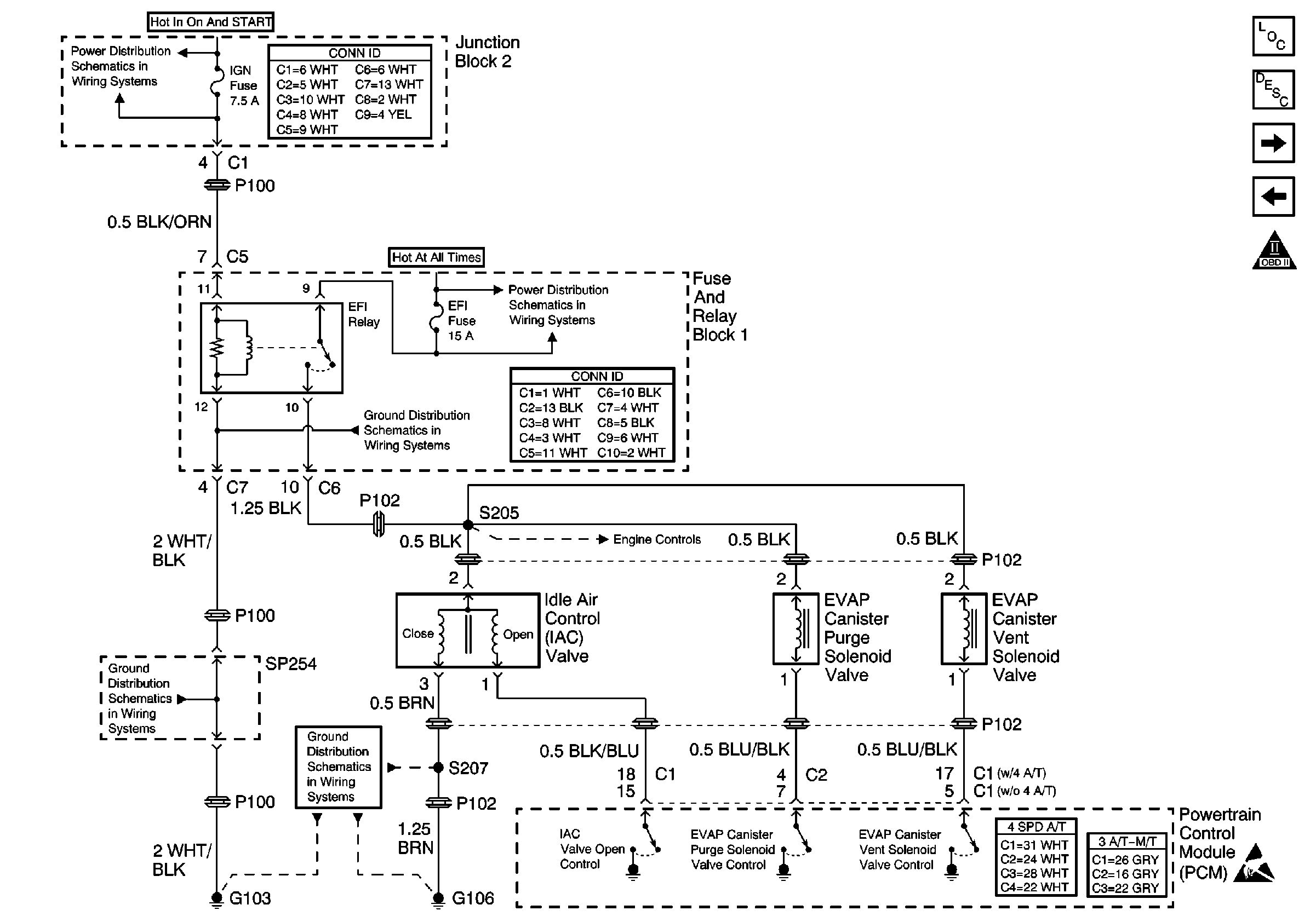
Refer to Engine Controls schematics

EVAP Controls,and IAC Valve


Object Number: 624340  Size: FS
Engine Controls Components
Idle Up signals
VSS Output
OBD II Symbol Description Notice
Handling ESD Sensitive Parts Notice
Cell 10: Ignition Switch, IGN Fuse, and ST Fuse
Cell 10: Alt-S, AM2, Dome, EFI, Hazard, Horn, and Main Fuses
Cell 14: SP254 and SP261
Cell 14: SP254 and SP261
Cell 14: Battery, G100, G101, G102, G103, and G104
and

Fuel Supply System


Object Number: 624332  Size: FS
Engine Controls Components
Fuel Injectors
Tachometer
OBD II Symbol Description Notice
Handling ESD Sensitive Parts Notice
Cell 14: SP254 and SP261
Cell 14: SP254 and SP261
Cell 14: Battery, G100, G101, G102, G103, and G104
Cell 10: Ignition Switch, IGN Fuse, and ST Fuse
Cell 10: Alt-S, AM2, Dome, EFI, Hazard, Horn, and Main Fuses
.

Circuit Description

The powertrain control module (PCM) monitors the positive or negative pressure in the fuel tank, using the fuel tank pressure sensor. Under certain engine operating conditions, the PCM turns ON the EVAP pressure switching solenoid in order to control the pressure in the EVAP system. The PCM is able to detect any abnormal conditions by the fluctuation of this pressure. The diagnostics performed by the fuel tank pressure sensor can warn the driver of a malfunction in the EVAP system by illuminating the MIL. The EVAP control system prevents the emission of the fuel vapors. The fuel vapor generated in the fuel tank while driving or idling enters the EVAP canister where a charcoal element absorbs and stores the fuel vapor. The EVAP canister is purged by the PCM controlled EVAP canister purge valve. The EVAP canister purge valve releases the fuel vapors into the intake manifold to be burned in the combustion process.

Conditions for Running the DTC

    • The engine coolant temperature is more than 70°C (158°F).
    • The vehicle has been driven for at least 20 minutes.
    • The fuel tank level is between 25 and 75 percent.

Conditions for Setting the DTC

The fuel tank pressure sensor indicates no pressure increase in the fuel tank during conditions that normally cause an increased tank pressure.

Action Taken When the DTC Sets

    • The PCM illuminates the malfunction indicator lamp (MIL) after 2 consecutive ignition cycles in which the diagnostic runs with the fault active.
    • The PCM records the operating conditions at the time the diagnostic fails. This information is stored in the Freeze Frame buffer.

Conditions for Clearing the MIL/DTC

    • The PCM turns OFF the MIL on the third consecutive trip cycle during which the diagnostic has been run and the fault condition is no longer present.
    • A DTC will clear after 40 consecutive warm-up cycles have occurred without a fault.
    • A DTC can be cleared by using the scan tool Clear Information function.

Diagnostic Aids

    • If DTCs P0441, P0446, or P0450 is set, diagnose those DTCs first.
    • A DTC P0440 is more likely to set during city driving. Avoid operating the vehicle on the highway when validating DTC P0440.
    • The DTC P0440 diagnostic checks for EVAP system leaks on the fuel tank side of the EVAP system. A fault in the fuel tank pressure sensor or a leak in any of the fuel tank components can cause DTC P0440 to set. Check for any of the following conditions:
       - A faulty fuel tank pressure sensor
       - A loose or faulty fuel tank filler cap
       - A factory correct fuel tank filler cap that meets OEM specifications
       - A faulty or leaking fill limiter vent valve
       - A leak in the fuel tank
       - A faulty or leaking EVAP canister
       - Any incorrectly routed or installed EVAP system lines and hoses
       - Any damaged or leaky hoses, lines, or fittings between the fuel tank, the fuel tank pressure sensor, and the EVAP canister
    • For functional checks of the components listed above, refer to Evaporative Emission Control System Diagnosis .
    • An intermittent malfunction may be caused by a fault in the fuel tank pressure sensor electrical circuit. Inspect the wiring harness and components for an intermittent condition. Refer to Intermittent Conditions .

If DTC P0440 cannot be duplicated, the information included in the Freeze Frame data can be useful in determining vehicle operating conditions when the DTC was first set.

Test Description

The numbers below refer to the step numbers in the diagnostic table.

  1. The OBD System Check prompts the technician to complete some basic checks and store the Freeze Frame data on the scan tool if applicable. This creates an electronic copy of the data taken when the fault occurred. The information is then stored in the scan tool for later reference.

  2. This step checks for a possible leak in the EVAP system. The purpose of this inspection is to determine whether 5 to 6 inches of H2O can be obtained and held for at least 2 minutes.

  3. This step determines if a fuel tank pressure sensor malfunction is present. The input signal of the fuel tank pressure sensor should indicate atmospheric pressure with the fuel tank filler cap removed. The fuel tank pressure sensor will vary with atmospheric pressure. A typical pressure at sea level is between 0.0-0.99 mm Hg (0.0-0.5 in H2O).

  4. This step checks for conditions that can cause the fuel vapor pressure to remain trapped at the fuel tank pressure sensor.

  5. This step determines if the malfunction that caused the DTC P0440 is still present. Operating the vehicle in check mode enhances the PCMs diagnostic capabilities. The EVAP Purge diagnostic can be monitored on the scan tool under the MIL/System Status selection of System Information. When the EVAP Purge test displays a YES status, indicating that the purge system diagnostic is completed, check for a DTC P0440 in the Last Test Failed screen of the scan tool. If there is no DTC P0440 displayed the EVAP purge system diagnostic has run and passed, indicating that no malfunction was present this time. DTCs MUST be cleared in order to view the Current Status of the system diagnostics being performed. Do not forget that the MIL/System Status tests only indicate that the test has run, not whether the test passed or failed. The Last Test Failed screen must be checked for related DTCs in order to determine the outcome of the diagnostic test involved. For additional information on check mode operation refer to Powertrain Control Module Diagnosis.

  6. This step checks for leaks in the fuel supply system. By plugging the ORVR vent line and the EVAP vapor line, the fuel tank, the fuel filler hose assembly, and the fuel tank components can be pressurized and checked for leaks. Be sure to check all connections and sealing points for leaks.

Step

Action

Values

Yes

No

1

Did you perform the Powertrain On-Board Diagnostic (OBD) System Check?

--

Go to Step 2

Go to Powertrain On Board Diagnostic (OBD) System Check

2

  1. Install a scan tool.
  2. Check for DTCs.

Is a DTC P0450 present?

--

Go to DTC P0450 Fuel Tank Pressure Sensor Circuit

Go to Step 3

3

Is a DTC P0441 or a DTC P0446 set along with a DTC P0440?

--

Go to DTC P0441 Evaporative Emission (EVAP) System No Flow During Purge or to DTC P0446 Evaporative Emission (EVAP) Vent System Performance

Go to Step 4

4

  1. Visually and physically inspect the EVAP control system for the correct installation and routing of the lines and hoses. Refer to the Evaporative Emission Control System Operation Description for EVAP system hose routing diagrams.
  2. Visually and physically inspect all of the following components for cracks, leaks, or damage:
  3. • The fuel tank filler cap
    • The fuel tank pressure sensor
    • The fuel tank
    • The EVAP canister
    • The fuel supply system lines, hoses, and fittings
  4. Repair as necessary.

Was repair necessary?

--

Go to Step 21

Go to Step 5

5

  1. Remove the fuel filler cap.
  2. Iinstall the J 41415-30 gas cap adapter from the J 41415 to the fuel filler pipe.
  3. Connect the J 41413 EVAP pressure/purge cart to the gas cap adapter.
  4. Pressurize the EVAP system with the EVAP pressure/purge cart to the specified value and switch to HOLD.

Does the EVAP system hold the specified pressure for at least 2 minutes?

8.5-10.5 mm Hg (4.5-5.5 in H2O)

Go to Step 6

Go to Step 16

6

  1. Loosen the fuel tank filler cap in order to release any pressure inside the fuel tank.
  2. Turn ON the ignition, with the engine OFF.
  3. Observe the fuel tank pressure sensor parameter on the scan tool.

Is the fuel tank pressure sensor within the specified range?

0.0-0.99 mm Hg (0.0-0.5 in H2O)

Go to Step 15

Go to Step 7

7

  1. Disconnect the vapor pressure supply hose to the fuel tank pressure sensor.
  2. Observe the fuel tank pressure sensor parameter on the scan tool.

Is the fuel tank pressure sensor within the specified range?

0.0-0.99 mm Hg (0.0-0.5 in H2O)

Go to Step 8

Go to Step 9

8

  1. Repair the cause of the trapped vapor pressure to the fuel tank pressure sensor. Check for any of the following conditions:
  2. • A pinched, crushed, or restricted vapor line or hose from the fuel tank
    • A blocked or restricted vapor pressure passage in the fuel tank
  3. Repair as necessary.

Is the action complete?

--

Go to Step 21

--

9

  1. Turn OFF the ignition.
  2. Disconnect the electrical connector from the fuel tank pressure sensor .
  3. Turn ON the ignition, with the engine OFF.
  4. Measure the voltage from the fuel tank pressure sensor connector cavity 3 on the harness side using a DMM.

Does the voltage equal the specified value?

5.0 V

Go to Step 10

Go to Step 11

10

Measure the voltage from the fuel tank pressure sensor connector cavity 2 on the harness side with a DMM.

Is the voltage near the specified value?

4.9 V

Go to Step 13

Go to Step 12

11

Repair the open in the reference voltage circuit of the fuel tank pressure sensor between the sensor and SP259. Refer to Wiring Repairs in Wiring Systems.

Is the action complete?

--

Go to Step 21

--

12

  1. Inspect the input circuit of the fuel tank pressure sensor for an open or a short.
  2. Ensure the input circuit is not shorted to the sensor ground circuit.
  3. Repair as necessary. Refer to Wiring Repairs in Wiring Systems.

Was a repair necessary?

--

Go to Step 21

Go to Step 20

13

Probe the fuel tank pressure sensor connector cavity 1 on the harness side with a test lamp connected to battery voltage.

Does the test lamp illuminate?

--

Go to Step 19

Go to Step 14

14

Repair the open in the ground circuit of the fuel tank pressure sensor between the sensor and S206. Refer to Wiring Repairs in Wiring Systems.

Is the action complete?

--

Go to Step 21

--

15

  1. Perform the scan tool Clear DTC Information function.
  2. Place the vehicle into Check mode using the scan tool.
  3. Operate the vehicle within the Freeze Frame conditions as specified or until the EVAP Purge test is complete. Refer to Test Description.
  4. Check for DTCs.

Did DTC P0440 set?

--

Go to Step 17

Fault Not Present-Go to Diagnostic Aids

16

Refer to the Evaporative Emission Control System Operation Description for the EVAP system hose routing diagram used in the following procedure.

  1. Remove the ORVR vent line from the EVAP canister and plug the hose.
  2. Remove the EVAP vapor line from the EVAP canister and plug the hose.
  3. Attempt to pressurize the EVAP system to the specified value with the J 41413 EVAP pressure/purge cart and HOLD.
  4. Locate any leaks in the EVAP system using the J 41416 ultrasonic leak detector. If necessary lower the fuel tank in order to check the condition of the fill limiter vent valve and the rollover valve. Be sure to check the fuel sender assembly for a correct seal.

Were any EVAP or fuel supply system leaks found?

56 mm Hg (30 in. H2O)

Go to Step 18

Go to Step 17

17

Replace the EVAP canister. Refer to Evaporative Emission Canister Replacement .

Is the action complete?

--

Go to Step 21

--

18

Repair or replace the leaking EVAP system or fuel tank component.

Is the action complete?

--

Go to Step 21

--

19

Replace the fuel tank pressure sensor. Refer to Fuel Tank Pressure Sensor Replacement .

Is the action complete?

--

Go to Step 21

--

20

Replace the PCM. Refer to Powertrain Control Module Replacement .

Is the action complete?

--

Go to Step 21

--

21

  1. Perform the scan tool Clear DTC Information function.
  2. Operate the vehicle within the Freeze Frame data that set the original DTC.
  3. Review the scan tool data and check for DTCs. The repair is complete if no DTCs are stored.

Are any DTCs displayed on the scan tool?

--

Go to Diagnostic Trouble Code (DTC) List

System OK