GM Service Manual Online
For 1990-2009 cars only
Makes
🢒
Chevrolet
🢒
2001
🢒
Prizm
🢒
Transmission/Transaxle
🢒
Automatic Transmission - 3 Speed-MB3
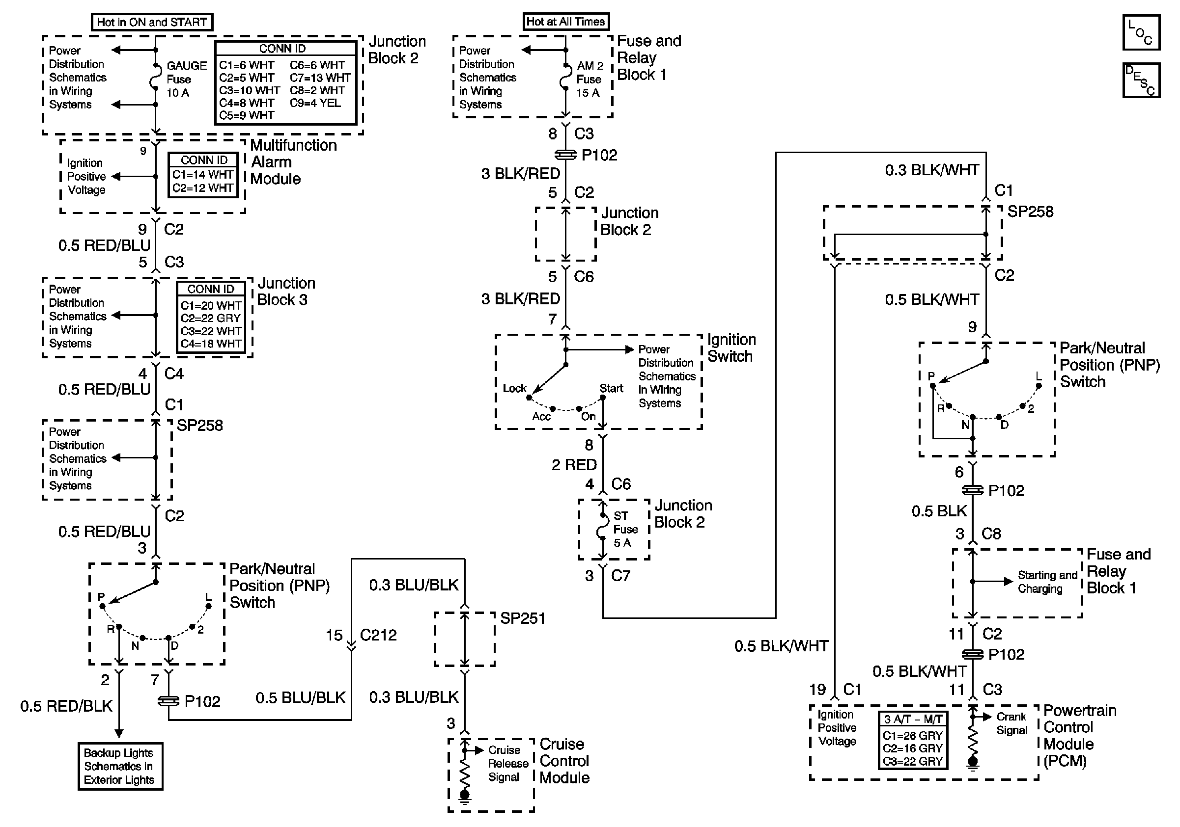
🢒 Automatic Transmission Controls Schematics
Master Electrical Component List
Transmission General Information
Gauge Fuse
Gauge Fuse
Gauge Fuse
Gauge Fuse
PNP Switch and Backup Lamp Switch
ALT-S, AM2, DOME, EFI, Hazard, Horn, and Main Fuses
Ignition Switch, IGN and ST Fuses
Starting System