GM Service Manual Online
For 1990-2009 cars only
Makes
🢒
Chevrolet
🢒
2001
🢒
Prizm
🢒
Body and Accessories
🢒
Entertainment
🢒 Radio/Audio System Schematics
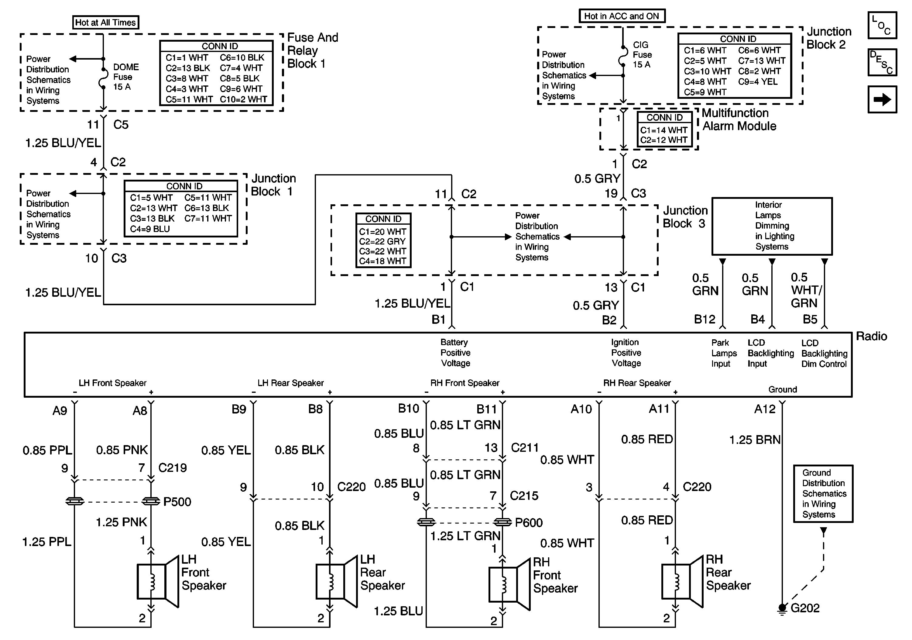
Figure
1:
Radio and Speakers
Master Electrical Component List
Radio/Audio System Description and Operation
Noise Filter
A/T Control Lever Illumination Lamp
G201 and G202
CIG Fuse
CIG Fuse
ALT-S, AM2, DOME, EFI, Hazard, Horn, and Main Fuses
ALT-S, AM2, DOME, EFI, Hazard, Horn, and Main Fuses
Figure
2:
Noise Filter
Master Electrical Component List
Radio/Audio System Description and Operation
Radio and Speakers
Ignition Switch, IGN and ST Fuses
Ignition Switch, IGN and ST Fuses
G105, G106 and S207