GM Service Manual Online
For 1990-2009 cars only
Makes
🢒
Chevrolet
🢒
2001
🢒
Prizm
🢒 Cell 20: Main Power Feed
Cell 20: Main Power Feed
Cell 20: Main Power Feed
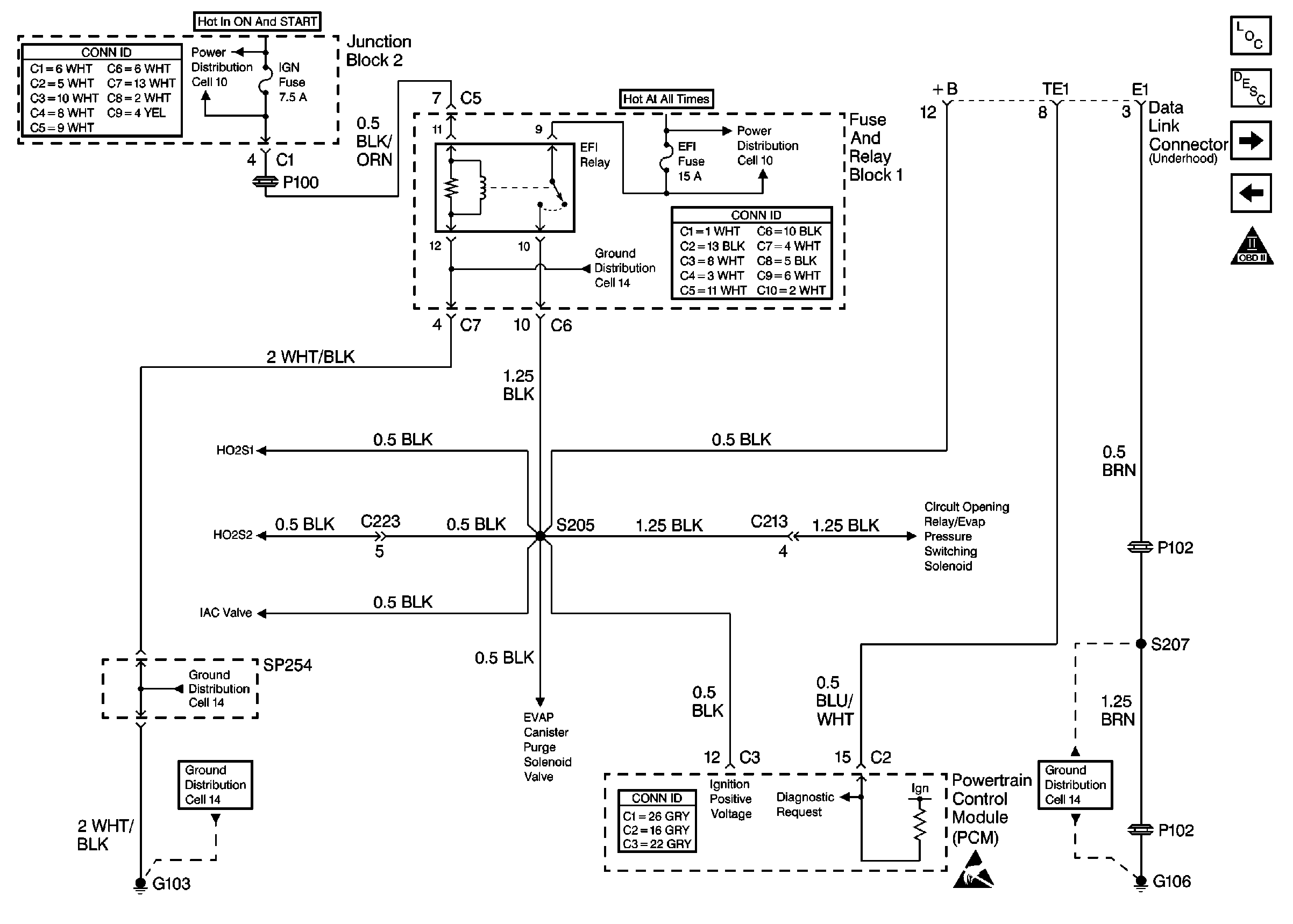
Engine Controls Components
Cell 20: MIL and DLC
Cell 20: A/T Controls Inputs
OBD II Symbol Description Notice
Handling ESD Sensitive Parts Notice
Cell 10: Ignition Switch, IGN Fuse, and ST Fuse
Cell 10: Alt-S, AM2, Dome, EFI, Hazard, Horn, and Main Fuses
Cell 14: Battery, G100, G101, G102, G103, and G104
Cell 14: SP254 and SP261
Cell 14: SP254 and SP261
Cell 14: G105 and G106 (1 of 2)