GM Service Manual Online
For 1990-2009 cars only
Makes
🢒
Chevrolet
🢒
2001
🢒
Prizm
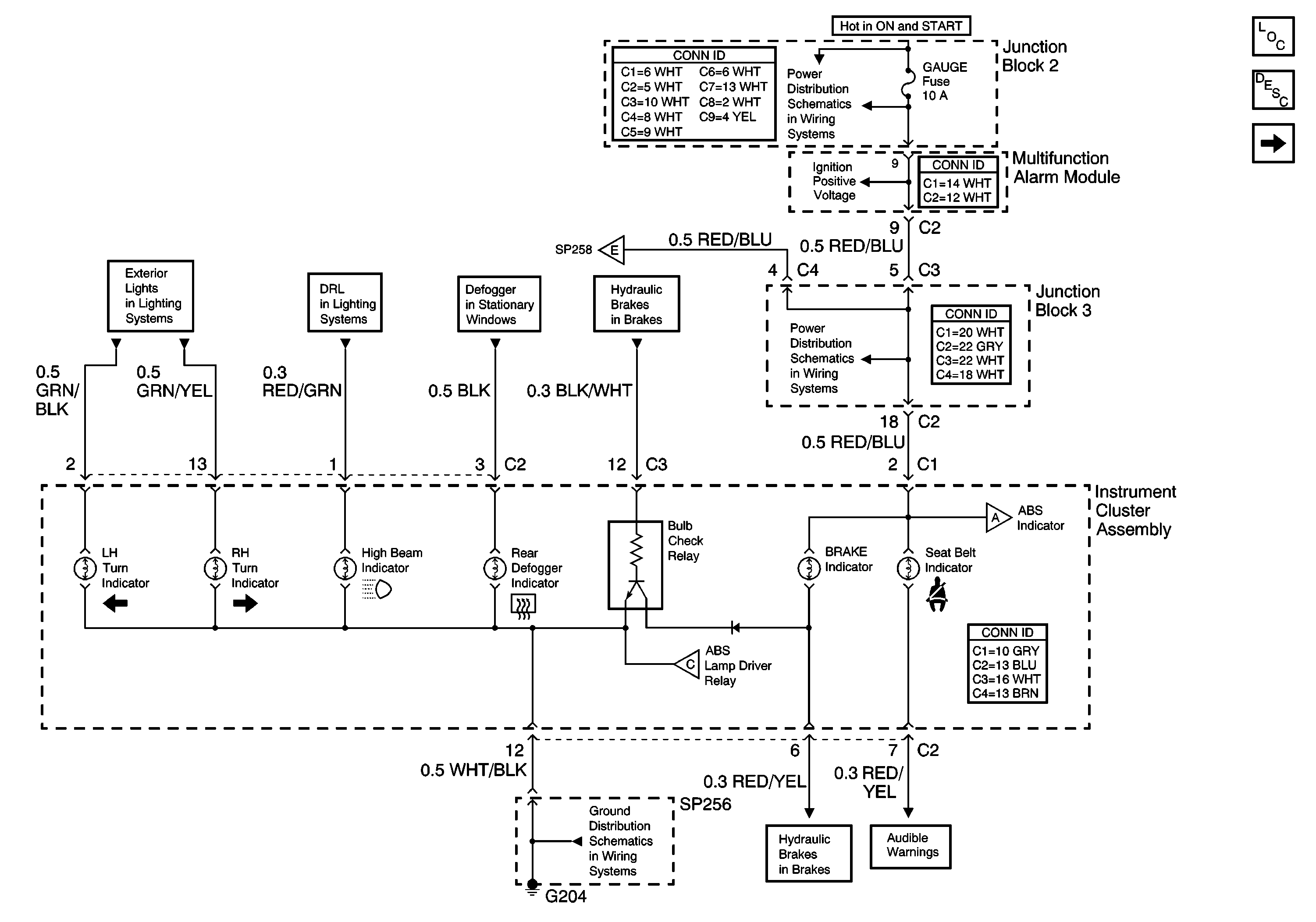
🢒 Instrument Cluster Assembly
Instrument Cluster Assembly
Instrument Cluster Assembly
Master Electrical Component List
Instrument Cluster Description and Operation
Oil Pressure Switch
Ignition Switch, Remote Control Door Lock Receiver
Oil Pressure Switch
CPP Switch, PNP Switch, and Park Brake Switch
Gauge Fuse
Gauge Fuse
Gauge Fuse
G204, Junction Block 1, and SP256
Oil Pressure Switch
CPP Switch, PNP Switch, and Park Brake Switch
Fuel Sender Assembly, Ambient Air Temperature Sensor, and ECT Sensor
Rear Defogger
Turn Signal/Headlamp Switch
Hazard Switch