GM Service Manual Online
For 1990-2009 cars only
Makes
🢒
Chevrolet
🢒
2001
🢒
Prizm
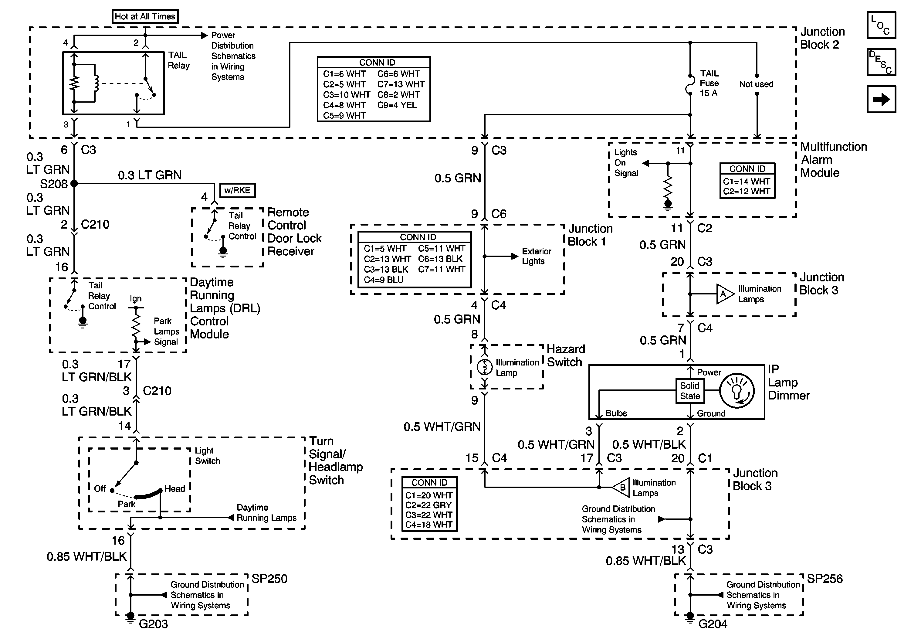
🢒 IP Lamp Dimmer
IP Lamp Dimmer
IP Lamp Dimmer
Master Electrical Component List
Interior Lighting Systems Description and Operation
A/T Control Lever Illumination Lamp
G204, Junction Block 1, and SP256
Junction Block 3
A/T Control Lever Illumination Lamp
G200, G203, SP250, and SP650
ABS, ALT, AMI, DEF, DYL, ECU-B, HTR, OBD, POWER and STOP Fuses