GM Service Manual Online
For 1990-2009 cars only
Makes
🢒
Chevrolet
🢒
2002
🢒
Prizm
🢒
Body and Accessories
🢒
Doors
🢒 Power Window Schematics
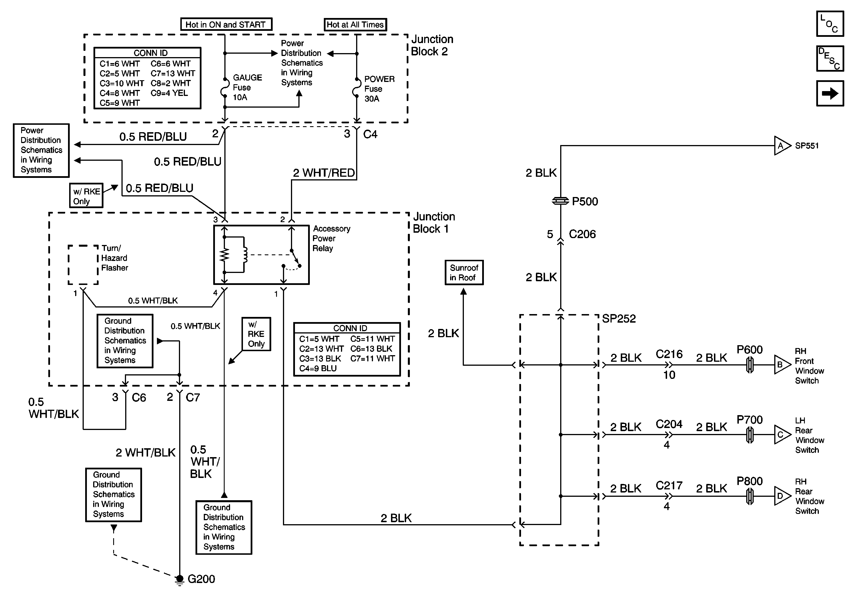
Figure
1:
Accessory Power Relay, Gauge Fuse, Power Fuse, and SP252
Master Electrical Component List
Power Windows Description and Operation
Window Motors and Window Switches
Window Motors and Window Switches
Window Motors and Window Switches
Window Motors and Window Switches
Window Motors and Window Switches
Gauge Fuse
G204, Junction Block 1, and SP256
G204, Junction Block 1, and SP256
G200, G203, SP250, and SP650
Gauge Fuse
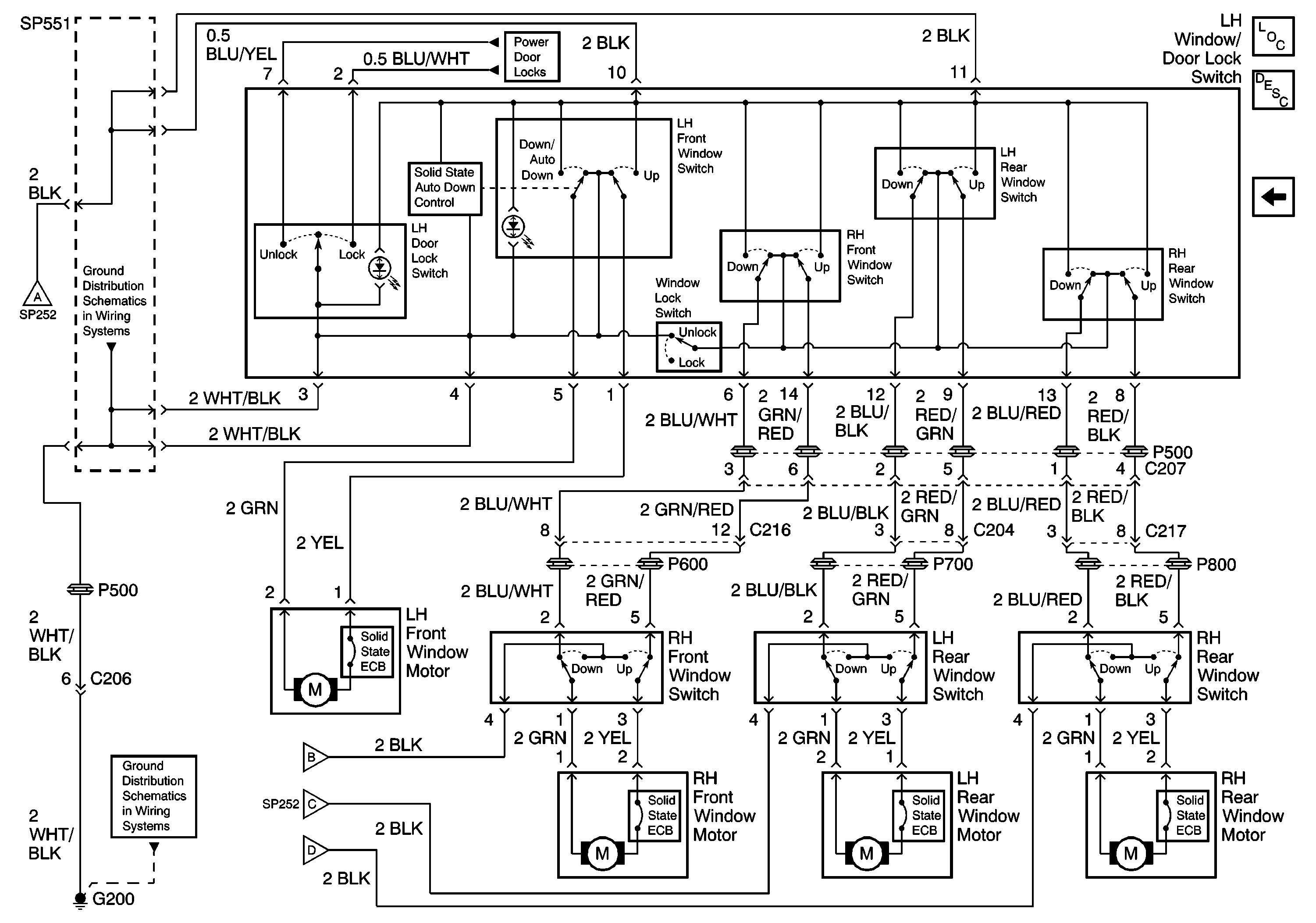
Figure
2:
Window Motors and Window Switches
Master Electrical Component List
Power Windows Description and Operation
Accessory Power Relay, Gauge Fuse, Power Fuse, and SP252
Accessory Power Relay, Gauge Fuse, Power Fuse, and SP252
Accessory Power Relay, Gauge Fuse, Power Fuse, and SP252
Accessory Power Relay, Gauge Fuse, Power Fuse, and SP252
Accessory Power Relay, Gauge Fuse, Power Fuse, and SP252
SP550 and SP551
G200, G203, SP250, and SP650