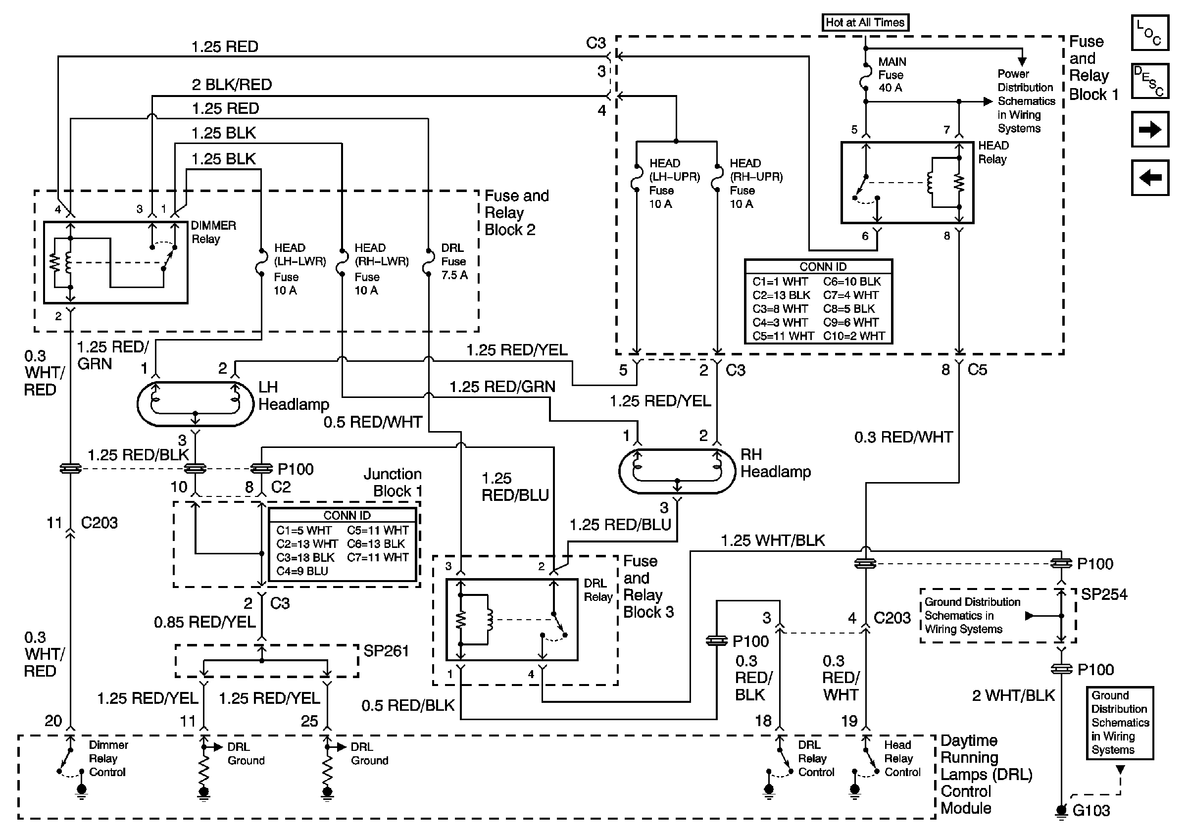
| Figure 1: |
DRL Control Module and Ambient Light Sensor
|
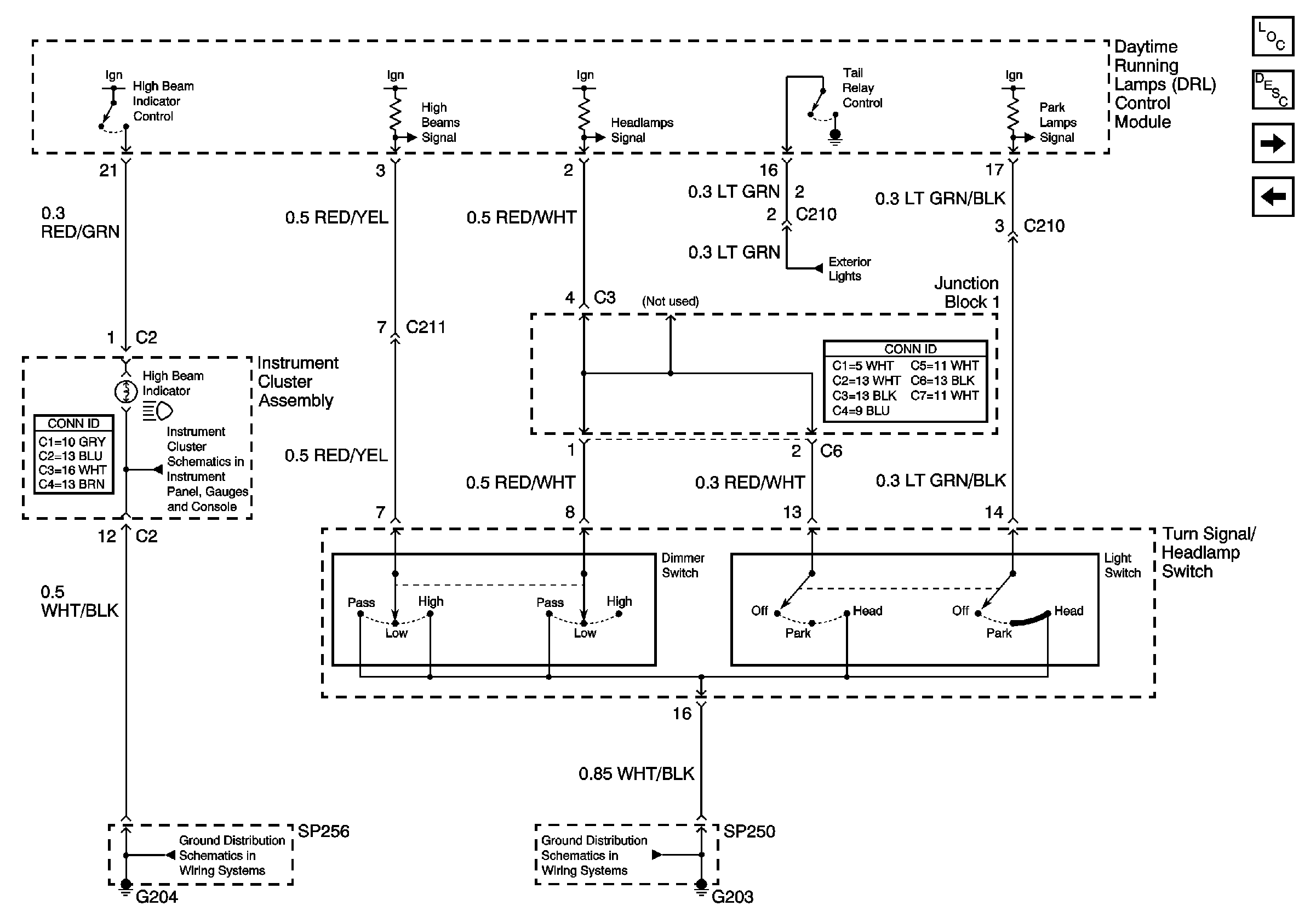
| Figure 2: |
Turn Signal/Headlamp Switch
|
| Figure 3: |
LH and RH Headlamp
|
| Figure 4: |
Hazard Switch
|
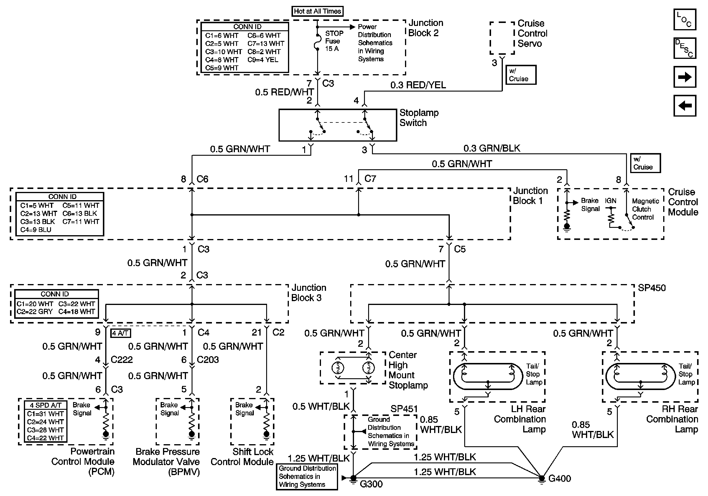
| Figure 5: |
Cruise Control Module, Shift Lock Control Module
|
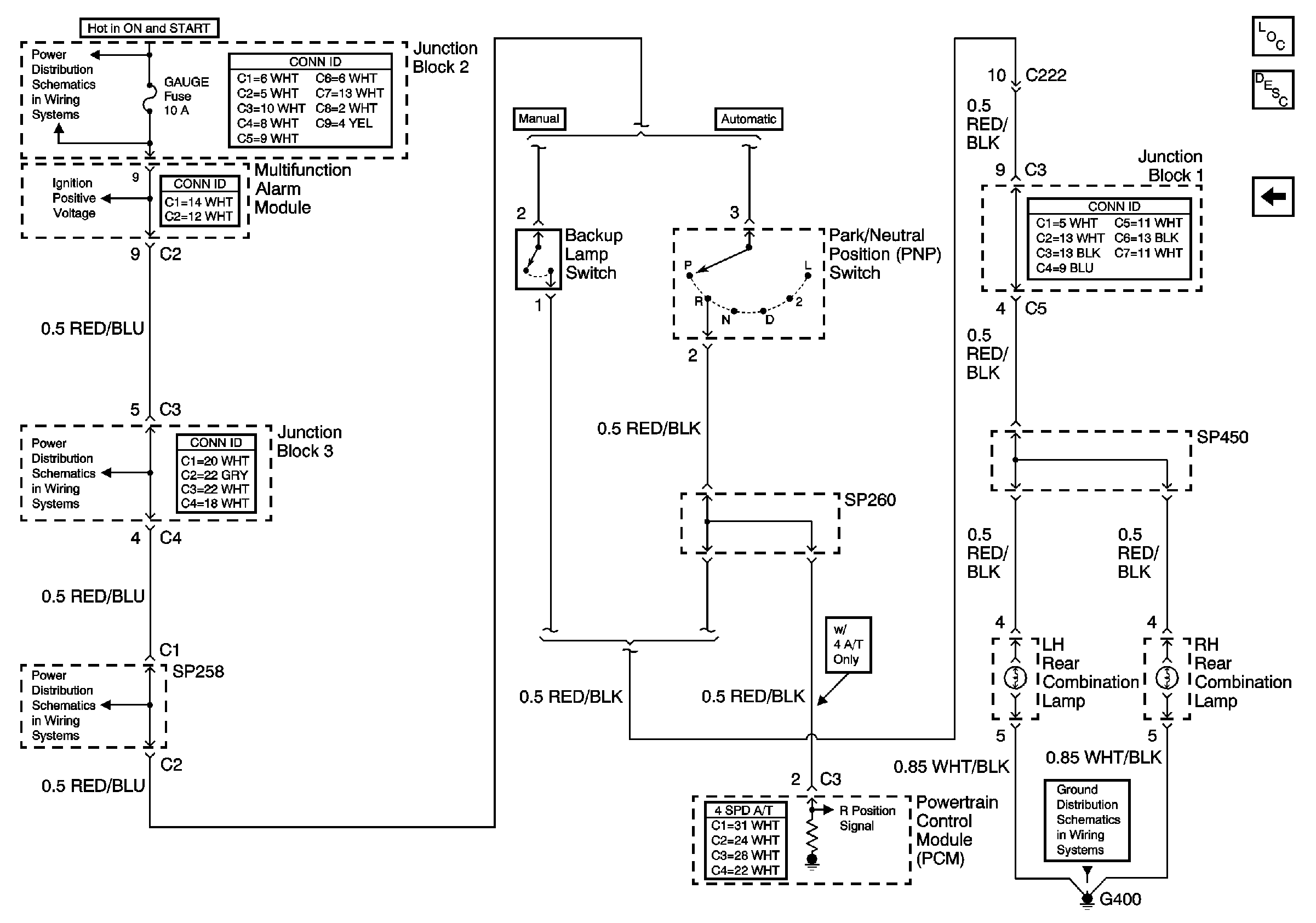
| Figure 6: |
PNP Switch and Backup Lamps
|