GM Service Manual Online
For 1990-2009 cars only

Engine Controls Schematics RPO L35

Figure 1:

Instrument Cluster, IP, and the DLC


Object Number: 20435  Size: FS
Handling ESD Sensitive Parts Notice
Handling ESD Sensitive Parts Notice
Engine Controls Components
Vehicle Control Module VCM
CMP, CKP, ICM, and the Ignition Coil
OBD II Symbol Description Notice
Figure 2:

CMP, CKP, ICM, and the Ignition Coil


Object Number: 20442  Size: FS
Handling ESD Sensitive Parts Notice
Handling ESD Sensitive Parts Notice
Engine Controls Components
Information Sensors
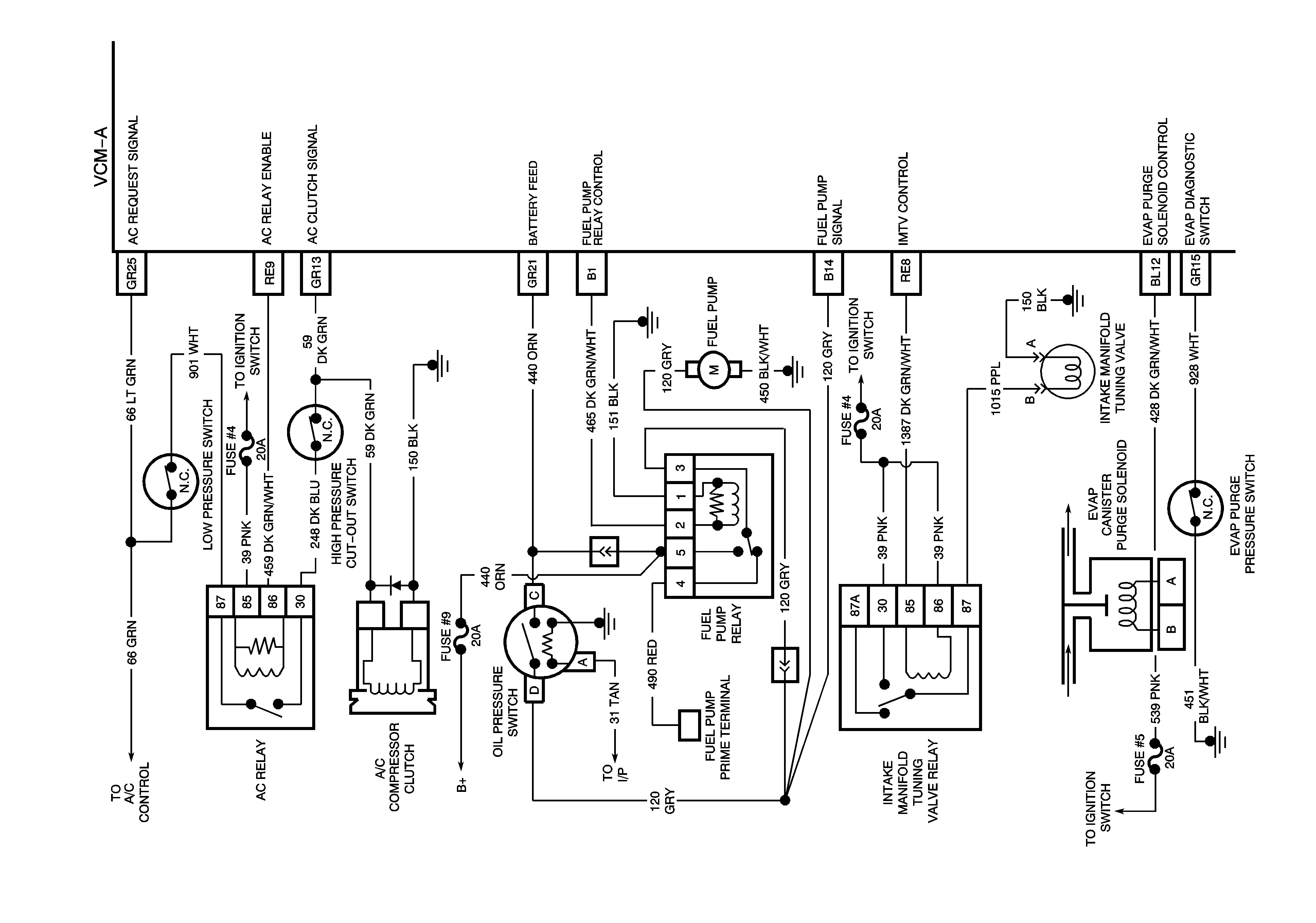
Fuel Pump
Instrument Cluster, IP, and the DLC
OBD II Symbol Description Notice
Figure 3:

Fuel Pump


Object Number: 20443  Size: FS
Handling ESD Sensitive Parts Notice
Engine Controls Components
Fuel System Central SFI Fuel Injection
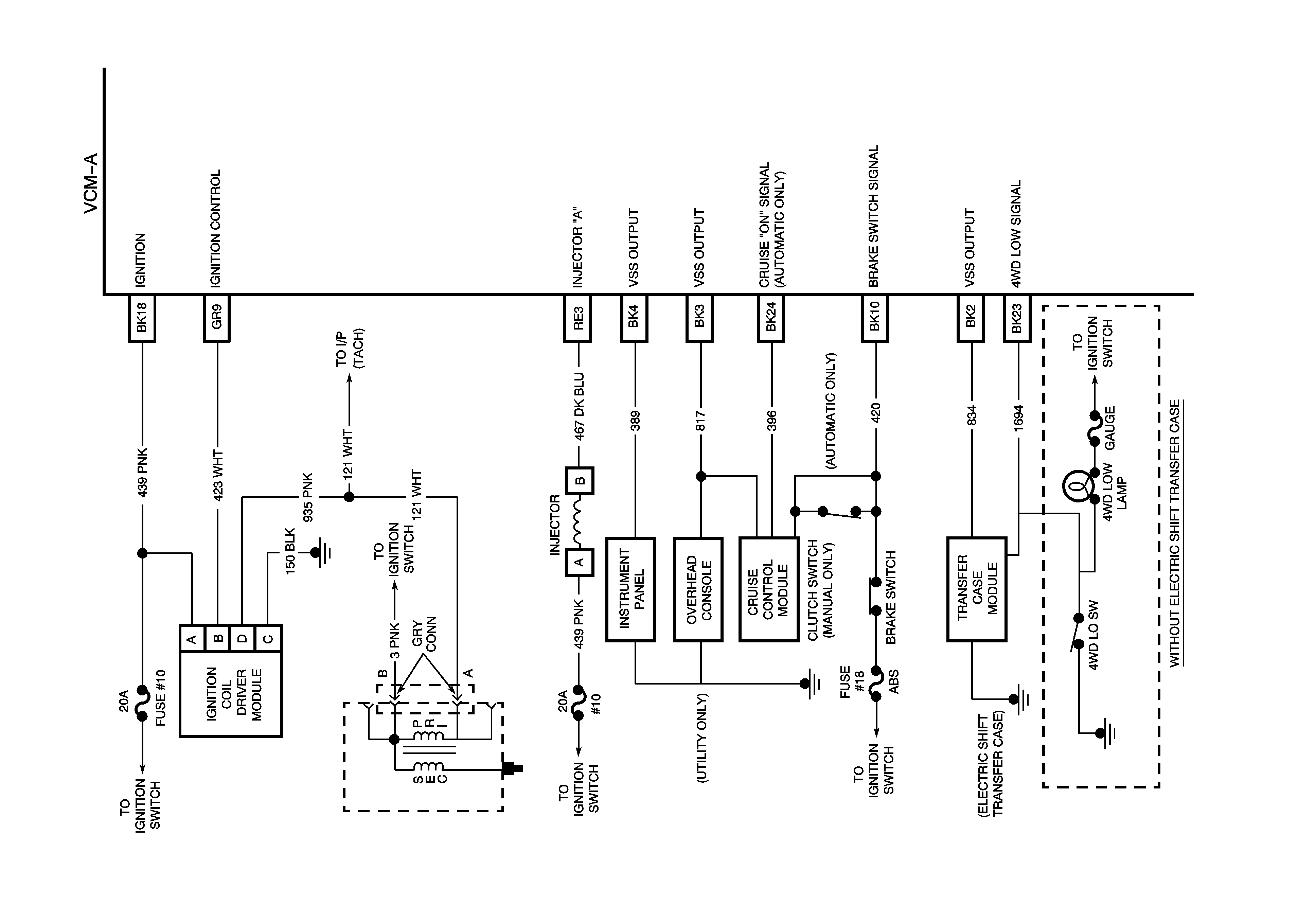
Fuel Injectors
CMP, CKP, ICM, and the Ignition Coil
OBD II Symbol Description Notice
Figure 4:

Fuel Injectors


Object Number: 20444  Size: FS
Handling ESD Sensitive Parts Notice
Engine Controls Components
Fuel System Fuel Metering System Component
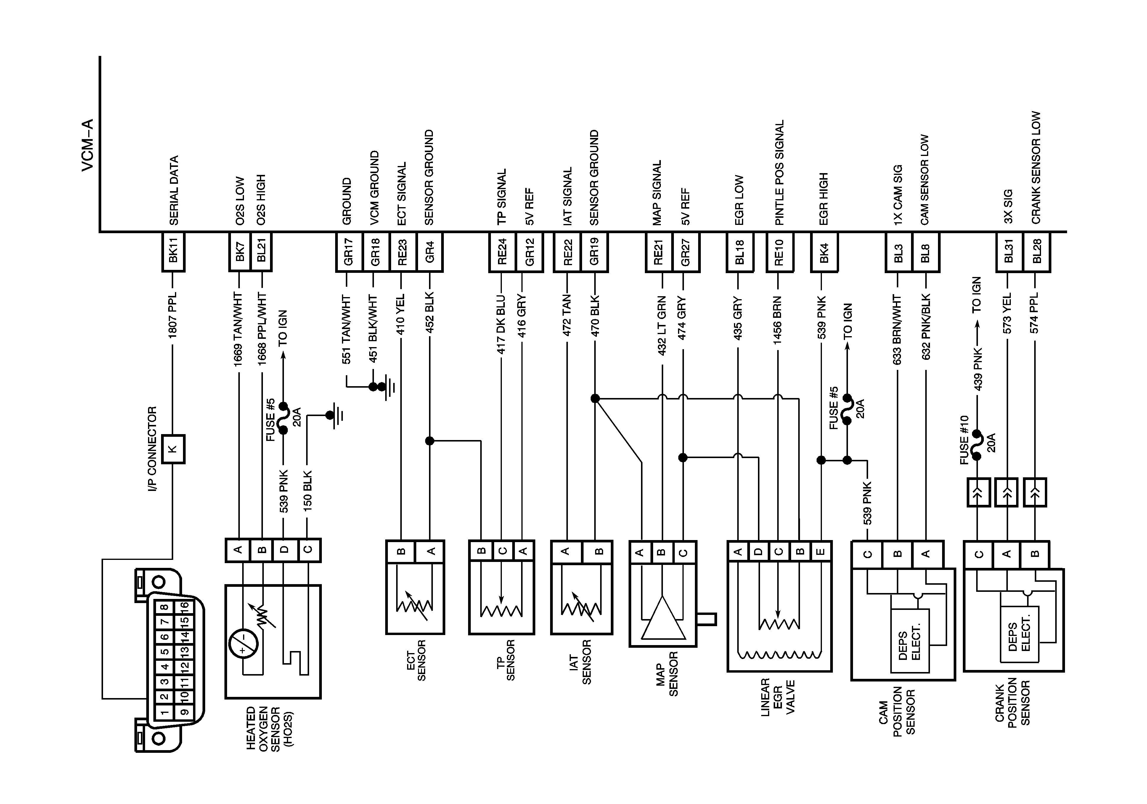
MAP, IAT, TP, ECT, and the Fuel Tank Pressure Sensors
Fuel Pump
OBD II Symbol Description Notice
Figure 5:

MAP, IAT, TP, ECT, and the Fuel Tank Pressure Sensors


Object Number: 20445  Size: FS
Handling ESD Sensitive Parts Notice
Handling ESD Sensitive Parts Notice
Engine Controls Components
Information Sensors
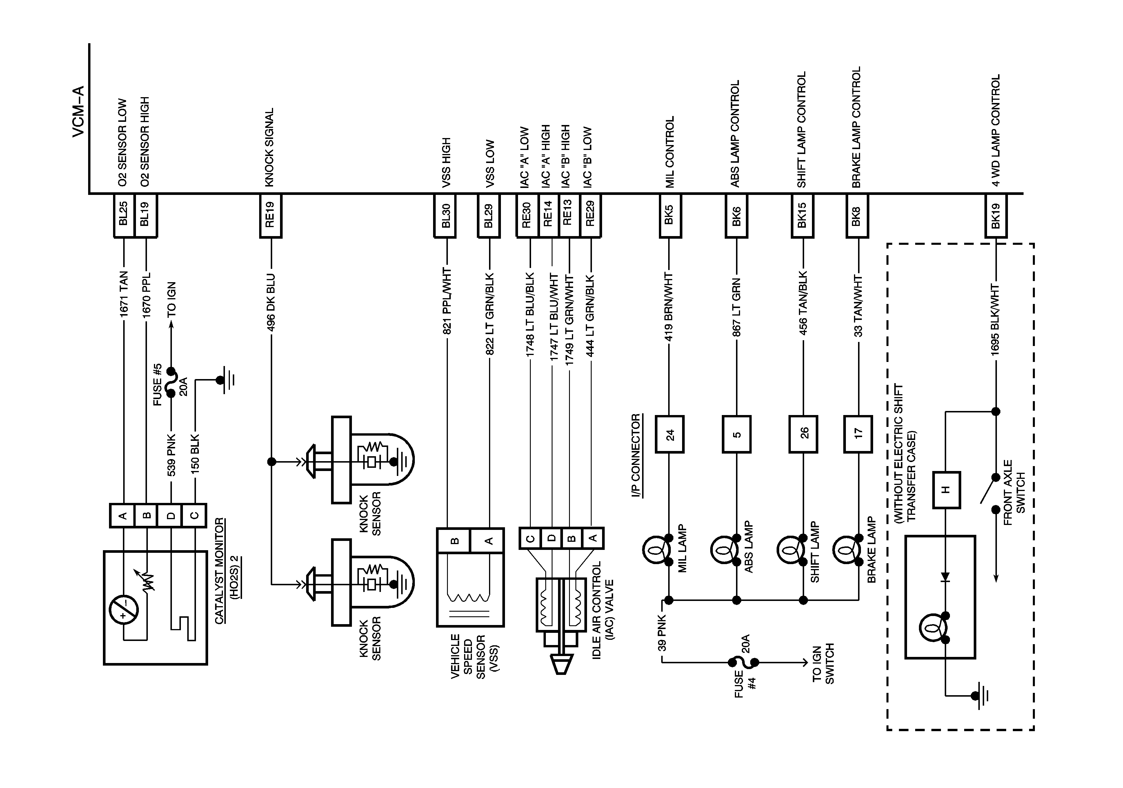
MAF, EVAP, and the EGR
Fuel Injectors
OBD II Symbol Description Notice
Figure 6:

MAF, EVAP, and the EGR


Object Number: 20446  Size: FS
Handling ESD Sensitive Parts Notice
Engine Controls Components
Information Sensors
Heated Oxygen Sensors
MAP, IAT, TP, ECT, and the Fuel Tank Pressure Sensors
OBD II Symbol Description Notice
Figure 7:

Heated Oxygen Sensors


Object Number: 20447  Size: FS
Handling ESD Sensitive Parts Notice
Engine Controls Components
Information Sensors
Idle Air Control
MAF, EVAP, and the EGR
OBD II Symbol Description Notice
Figure 8:

Idle Air Control


Object Number: 20449  Size: FS
Handling ESD Sensitive Parts Notice
Handling ESD Sensitive Parts Notice
Handling ESD Sensitive Parts Notice
Engine Controls Components
Fuel System Fuel Metering System Component
Cruise Control and the VSS
Heated Oxygen Sensors
OBD II Symbol Description Notice
Figure 9:

Cruise Control and the VSS


Object Number: 20451  Size: FS
Handling ESD Sensitive Parts Notice
Handling ESD Sensitive Parts Notice
Handling ESD Sensitive Parts Notice
Handling ESD Sensitive Parts Notice
Engine Controls Components
Information Sensors
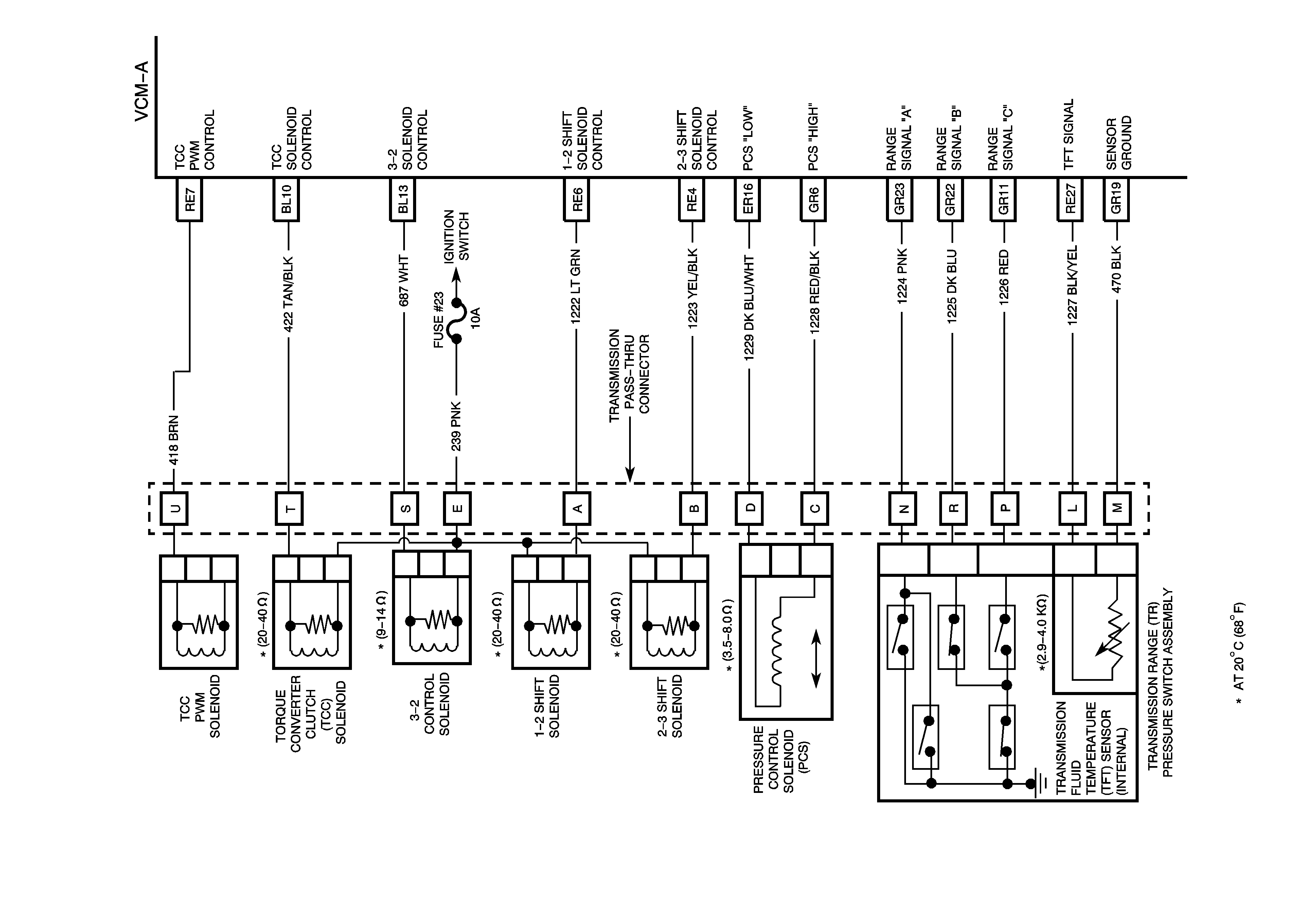
Transmission and the TCC
Idle Air Control
OBD II Symbol Description Notice
Figure 10:

Transmission and the TCC


Object Number: 20452  Size: FS
Handling ESD Sensitive Parts Notice
Engine Controls Components
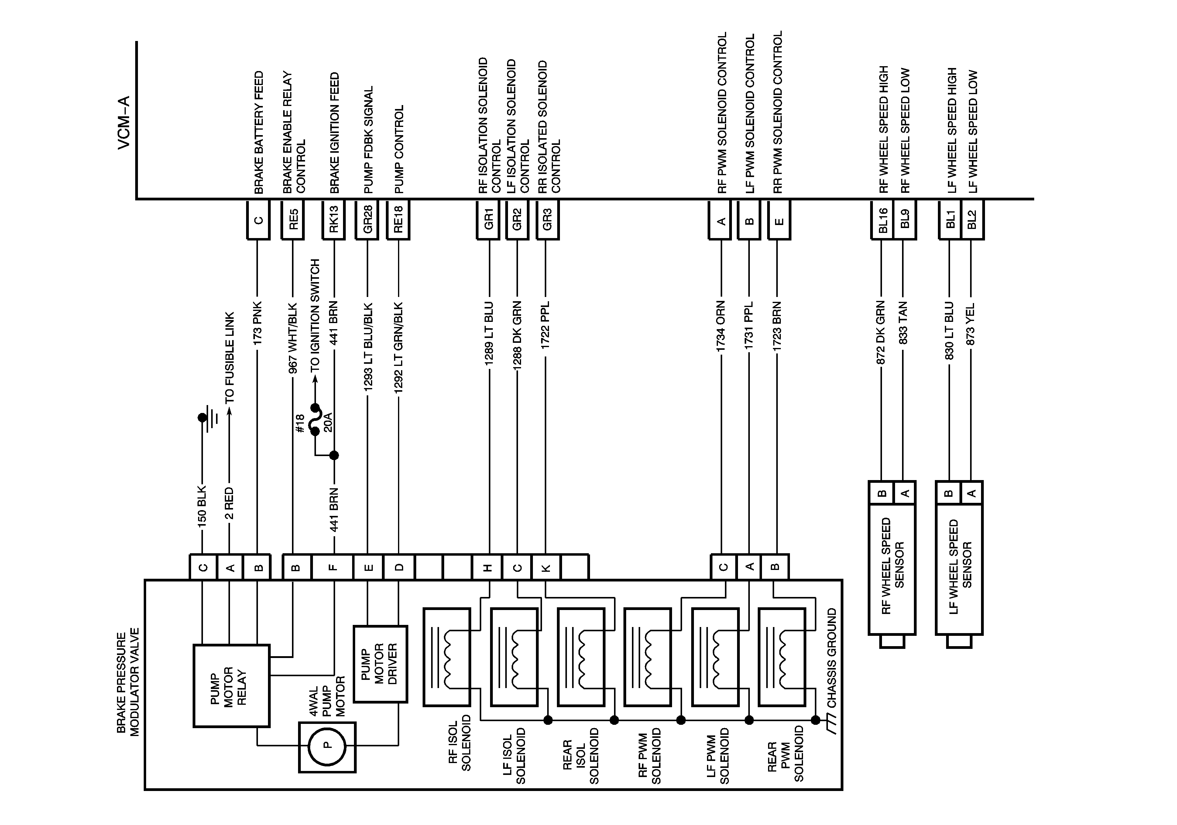
Transmission Controls Overview
PC Solenoid
Cruise Control and the VSS
OBD II Symbol Description Notice
Figure 11:

PC Solenoid


Object Number: 20454  Size: FS
Handling ESD Sensitive Parts Notice
Handling ESD Sensitive Parts Notice
Engine Controls Components
Transmission Controls Overview
A/C Compressor Relay and A/C Request
Transmission and the TCC
OBD II Symbol Description Notice
Figure 12:

A/C Compressor Relay and A/C Request


Object Number: 20456  Size: FS
Handling ESD Sensitive Parts Notice
Engine Controls Components
Information Sensors
Vehicle Speed Reluctors
PC Solenoid
OBD II Symbol Description Notice
Figure 13:

Vehicle Speed Reluctors


Object Number: 20457  Size: FS
Handling ESD Sensitive Parts Notice
Handling ESD Sensitive Parts Notice
Handling ESD Sensitive Parts Notice
Engine Controls Components
Information Sensors
A/C Compressor Relay and A/C Request
OBD II Symbol Description Notice

Engine Controls Schematics RPO LB4

Figure 1:

Automatic and Manual Transmission (1 of 6)


Object Number: 1575349  Size: FS
Figure 2:

Automatic and Manual Transmission (2 of 6)


Object Number: 1575351  Size: FS
Figure 3:

Automatic and Manual Transmission (3 of 6)


Object Number: 1575353  Size: FS
Figure 4:

Automatic and Manual Transmission (4 of 6)


Object Number: 1575354  Size: FS
Figure 5:

Automatic and Manual Transmission (5 of 6)


Object Number: 1575357  Size: FS
Figure 6:

Automatic and Manual Transmission (6 of 6)


Object Number: 1575360  Size: FS