GM Service Manual Online
For 1990-2009 cars only

Removal Procedure

Notice: Do not open the DERM case for any reason. Touching the connector pins, or the soldered components may cause electrostatic discharge damage. Replacement is the only way to repair a malfunctioning DERM.

  1. Disable to SIR system. Refer to Disabling the SIR System .
  2. Remove the right hand sound insulator. Refer to Instrument Panel Replacement in Interior Trim Section 10A4.
  3. Remove the right hand sill plate. Refer to Sill Plate Replacement in Interior Trim Section 10A4.
  4. Remove the right hand cowl kick panel. Refer to Cowl Kick Panel Trim Replacement in Interior Trim Section 10A4.

  5. Object Number: 9425  Size: SH
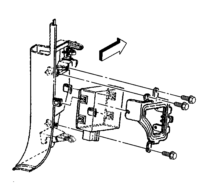
  6. Remove the DERM from the mounting bracket.

  7. Object Number: 9426  Size: SH
  8. Disconnect the connector lock.
  9. Disconnect the DERM electrical connector from the DERM.

Installation Procedure


    Object Number: 9426  Size: SH
  1. Connect the DERM electrical connector to the DERM.
  2. Connect the connector lock.

  3. Object Number: 9425  Size: SH
  4. Install the DERM to the mounting bracket.
  5. Tighten
    Tighten nuts to 3 N·m (25 lb in). Tighten screws 1 N·m (5 lb in).

  6. Install the right hand cowl kick panel. Refer to Cowl Kick Panel Trim Replacement in Interior Trim Section 10A4.
  7. Connect the right hand sill plate. Refer to Sill Plate Replacement in Interior Trim Section 10A4.
  8. Connect the right hand sound insulator. Refer to Instrument Panel Replacement in Interior Trim Section 10A4.
  9. Connect the Connector Position Assurance (CPA) Lock.
  10. Enable the SIR system. Refer to Enabling the SIR System .