GM Service Manual Online
For 1990-2009 cars only
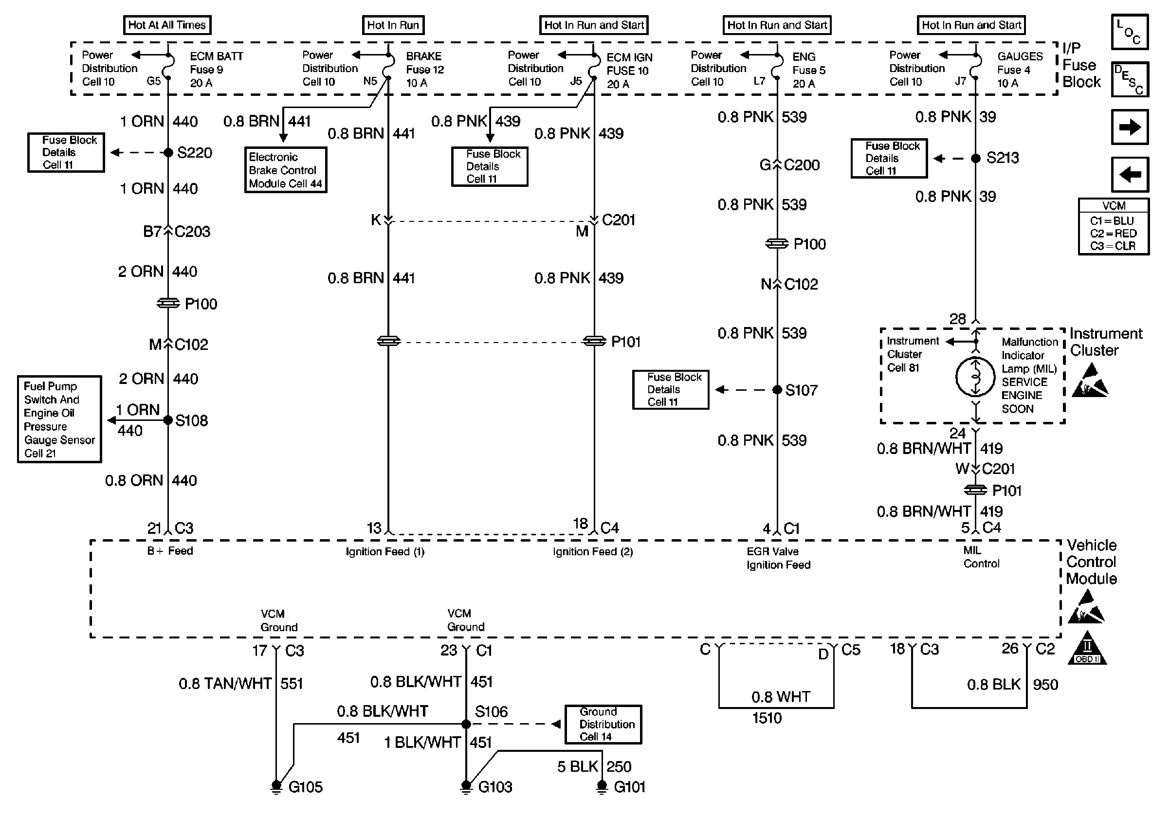
Figure 1:

2.2L Engine Power, Grounding & VSS


Object Number: 52372  Size: FS
Automatic Transmission Components
Transmission General Information
2.2L Engine Auto Trans Shift Solenoid Control
OBD II Symbol Description Notice
OBD II Symbol Description Notice
Handling Electrostatic Discharge Sensitive Parts Notice
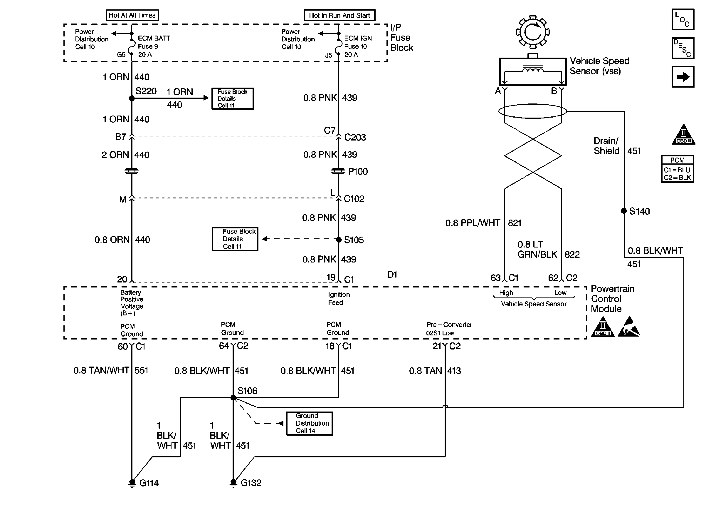
Figure 2:

2.2L Engine Auto Trans Shift Solenoid Control


Object Number: 52293  Size: FS
Automatic Transmission Components
Transmission General Information
2.2L Engine Automatic Transmission Range Inputs
2.2L Engine Power, Grounding & VSS
OBD II Symbol Description Notice
Handling Electrostatic Discharge Sensitive Parts Notice
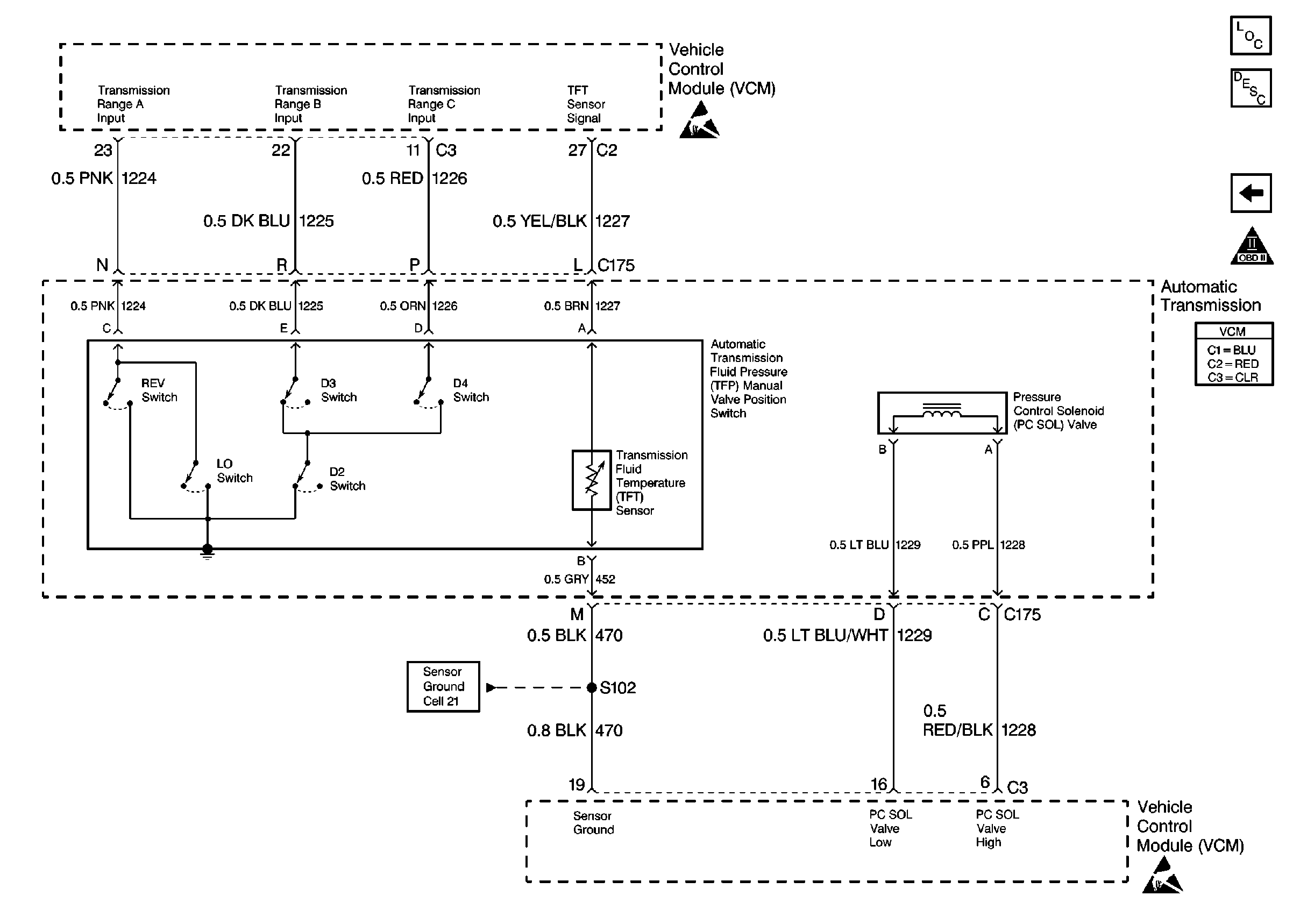
Figure 3:

2.2L Engine Automatic Transmission Range Inputs


Object Number: 52295  Size: FS
Automatic Transmission Components
Transmission General Information
4.3L Engine Power And Grounding
2.2L Engine Auto Trans Shift Solenoid Control
OBD II Symbol Description Notice
Handling Electrostatic Discharge Sensitive Parts Notice
Handling Electrostatic Discharge Sensitive Parts Notice
Figure 4:

4.3L Engine Power And Grounding


Object Number: 67487  Size: FS
Automatic Transmission Components
Transmission General Information
4.3L Engine M/T Brake Switch Input
2.2L Engine Automatic Transmission Range Inputs
Fuel Pump Controls
Handling Electrostatic Discharge Sensitive Parts Notice
Handling Electrostatic Discharge Sensitive Parts Notice
OBD II Symbol Description Notice
Figure 5:

4.3L Engine M/T Brake Switch Input


Object Number: 52340  Size: FS
Automatic Transmission Components
Transmission General Information
4.3L Engine Four Wheel Drive Inputs
4.3L Engine Power And Grounding
Handling Electrostatic Discharge Sensitive Parts Notice
Handling Electrostatic Discharge Sensitive Parts Notice
OBD II Symbol Description Notice
Handling Electrostatic Discharge Sensitive Parts Notice
OBD II Symbol Description Notice
Handling Electrostatic Discharge Sensitive Parts Notice
Figure 6:

4.3L Engine Four Wheel Drive Inputs


Object Number: 52342  Size: FS
Automatic Transmission Components
Transmission General Information
4.3L Engine Vehicle Speed Sensor
4.3L Engine M/T Brake Switch Input
OBD II Symbol Description Notice
Handling Electrostatic Discharge Sensitive Parts Notice
Handling Electrostatic Discharge Sensitive Parts Notice
OBD II Symbol Description Notice
Handling Electrostatic Discharge Sensitive Parts Notice
Figure 7:

4.3L Engine Vehicle Speed Sensor


Object Number: 52346  Size: FS
Automatic Transmission Components
Transmission General Information
4.3L Engine A/T Shift Solenoid Controls
4.3L Engine Four Wheel Drive Inputs
Handling Electrostatic Discharge Sensitive Parts Notice
Handling Electrostatic Discharge Sensitive Parts Notice
Handling Electrostatic Discharge Sensitive Parts Notice
Handling Electrostatic Discharge Sensitive Parts Notice
Handling Electrostatic Discharge Sensitive Parts Notice
OBD II Symbol Description Notice
Handling Electrostatic Discharge Sensitive Parts Notice
OBD II Symbol Description Notice
OBD II Symbol Description Notice
Figure 8:

4.3L Engine A/T Shift Solenoid Controls


Object Number: 52346  Size: FS
Automatic Transmission Components
Transmission General Information
4.3L Engine Automatic Transmission Range Inputs
4.3L Engine Vehicle Speed Sensor
OBD II Symbol Description Notice
OBD II Symbol Description Notice
Handling Electrostatic Discharge Sensitive Parts Notice
Handling Electrostatic Discharge Sensitive Parts Notice
Handling Electrostatic Discharge Sensitive Parts Notice
OBD II Symbol Description Notice
Figure 9:

4.3L Engine Automatic Transmission Range Inputs


Object Number: 52375  Size: FS
Automatic Transmission Components
Transmission General Information
4.3L Engine A/T Shift Solenoid Controls
OBD II Symbol Description Notice
Sensors
Handling Electrostatic Discharge Sensitive Parts Notice
Handling Electrostatic Discharge Sensitive Parts Notice