GM Service Manual Online
For 1990-2009 cars only

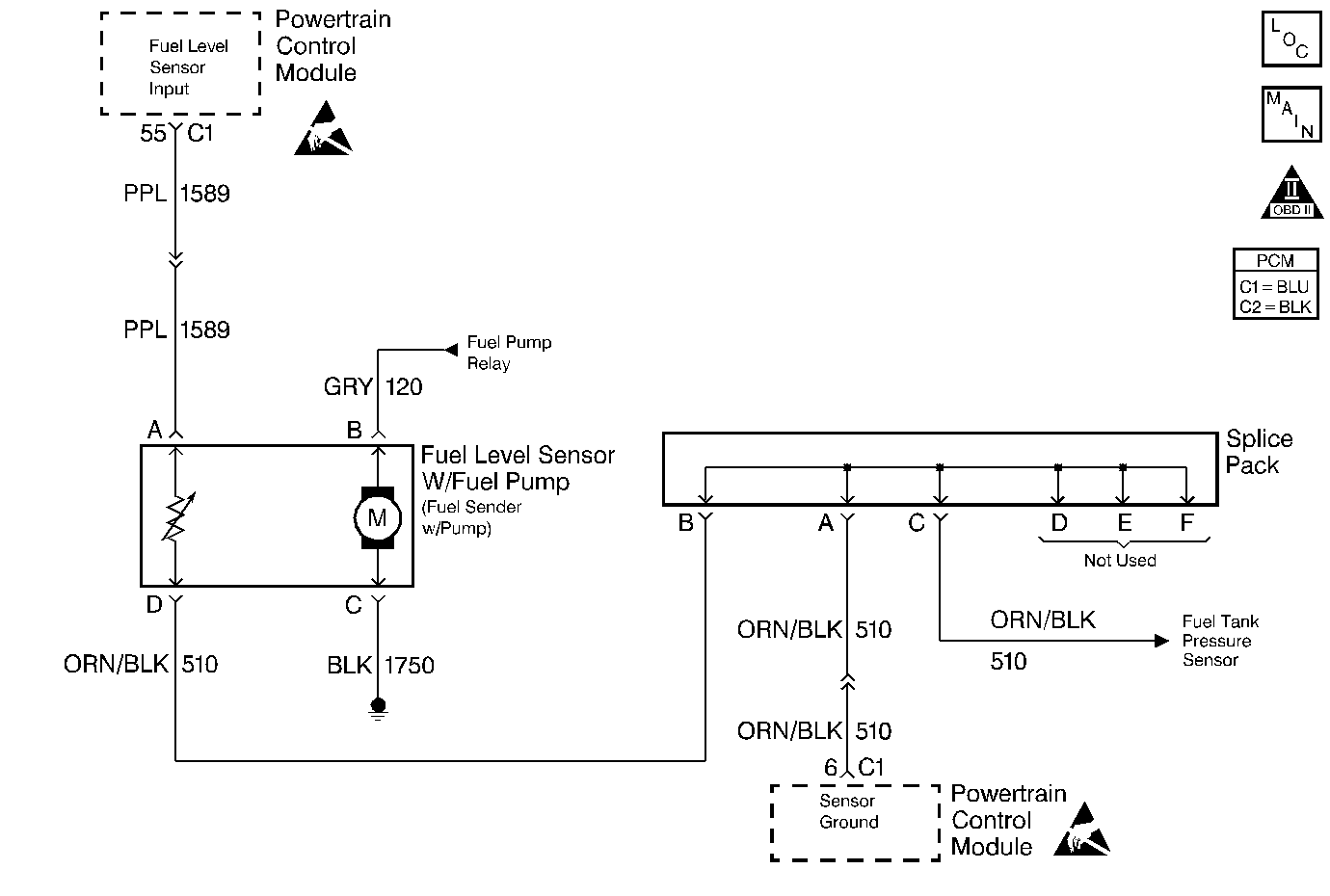
Object Number: 211172  Size: MF
Engine Controls Components
Fuel Level And Fuel Tank Pressure Sensors
OBD II Symbol Description Notice
Powertrain Control Module Connector End Views
Handling ESD Sensitive Parts Notice
Handling ESD Sensitive Parts Notice

Circuit Description

The powertrain control module (PCM) uses the fuel level input in order to calculate the expected vapor pressures within the fuel system. These vapor pressures vary as the fuel level changes. The vapor pressure is critical in determining if the Evaporative Emissions system is operating properly. The PCM also uses the fuel level in order to determine if the fuel level is too high or too low to be able to accurately detect EVAP system malfunction.

Conditions for Setting the DTC

The fuel level has not changed more than 1.6% (4 counts) in 120 miles.

Action Taken When the DTC Sets

    • The PCM records the operating conditions at the time the diagnostic fails. The Failure Records buffers will store this information.
    • A History DTC is stored.
    • The fuel tank level defaults to 40 percent.

Conditions for Clearing the DTC

    • A History DTC clears after 40 consecutive warm up cycles without a fault.
    • Use a scan tool to clear the DTCs.

Diagnostic Aids

    • An intermittent problem may be caused by the following conditions:
       - Poor electrical connection
       - Rubbed through wire insulation
       - A wire that is broken inside the wire insulation
    • Any circuitry, that is suspected as causing the intermittent complaint, should be thoroughly checked for the following conditions:
       - Backed out terminals
       - Improper mating
       - Broken locks
       - Improperly formed or damaged terminals
       - Poor terminal to wire connection

Test Description

Number(s) below refer to the step number(s) on the Diagnostic Table.

  1. The Powertrain OBD System Check prompts the technician to complete some basic checks and store the Freeze Frame Data and the Failure records on the scan tool if applicable. This creates an electronic copy of the data taken when the malfunction occurred. This information on the scan tool can be referred to later.

  2. Before replacing the PCM, check terminals for improper mating, broken locks, or physical damage to the wiring harness. Replacement PCMs must be reprogrammed and the crankshaft position system variation procedure must be performed. Refer to the latest Techline information for programming procedures and also refer to the Crankshaft Position System Variation Learn .

DTC P0460 - Fuel Level Sensor Circuit

Step

Action

Value(s)

Yes

No

1

Was the Powertrain On-Board Diagnostic (OBD) System Check performed?

--

Go to Step 2

Go to Powertrain On Board Diagnostic (OBD) System Check

2

  1. Turn the ignition switch ON leaving the engine OFF.
  2. Install the scan tool
  3. Check for DTC P0462 or P0463.

Are DTC P0462 or P0463 set?

--

Go to

DTC P0462 Fuel Level Sensor Circuit Low Voltage

or

DTC P0463 Fuel Level Sensor Circuit High Voltage

Go to Step 3

3

  1. Turn the ignition switch OFF.
  2. Disconnect the Fuel Level Sensor electrical connector.
  3. Turn the ignition switch ON and check the Fuel Level on the scan tool. The scan tool should indicate specified level.

Does scan tool indicate specified level?

100%

Go to Step 4

Go to Step 5

4

Jumper the Fuel Level Sensor ground circuit to the Fuel Level Sensor signal circuit. The scan tool should read specified value.

Does the scan tool display specified value?

0%

Go to Step 10

Go to Step 6

5

Check the Fuel Level sensor signal circuit for a short to ground. Repair if malfunction was found.

Was a malfunction found?

--

Go to Step 12

Go to Step 9

6

Connect a test light to B+ and probe the Fuel Level sensor ground circuit. The test light should illuminate.

Does the test light illuminate?

--

Go to Step 7

Go to Step 8

7

Check for an open or malfunctioning connections on the Fuel Level sensor signal circuit and repair if malfunction was found.

Was a malfunction found?

--

Go to Step 12

Go to Step 9

8

Check for an open or malfunctioning ground circuit electrical connection at the PCM and repair if malfunction was found.

Was a malfunction found?

Go to Step 12

Go to Step 9

9

Replace the PCM. Refer to PCM Replacement/Programming .

Is the action complete?

--

Go to Step 12

--

10

Check for an open or malfunctioning connections at the Fuel Level Sensor and repair if malfunction was found.

Was a malfunction found?

--

Go to Step 12

Go to Step 11

11

Replace the Fuel Level Sensor.

Is the action complete?

--

Go to Step 12

--

12

  1. Using the scan tool, clear DTCs
  2. Start the engine and idle at normal operating temperature
  3. Operate the vehicle within the conditions for setting this DTC as supported in the text.

Does the scan tool indicate that this diagnostic ran and passed?

--

Go to Step 13

Go to Step 2

13

Check if any additional DTCs are set.

Are any DTCs displayed that have not been diagnosed?

--

Go to the Applicable DTC Table

System OK