GM Service Manual Online
For 1990-2009 cars only

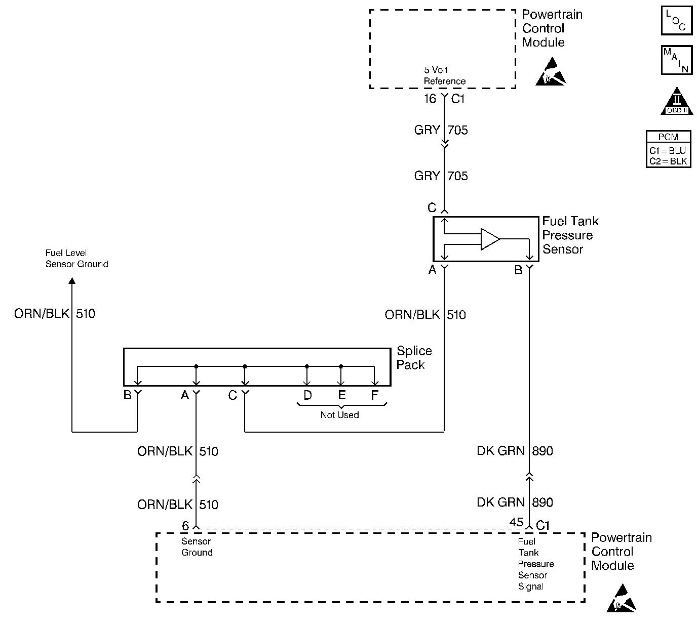
Object Number: 211062  Size: LF
Engine Controls Components
MAP, IAT, TPS, And ECT Sensors
OBD II Symbol Description Notice
Powertrain Control Module Connector End Views
Handling ESD Sensitive Parts Notice
Handling ESD Sensitive Parts Notice

Circuit Description

The fuel tank pressure sensor is used in order to detect a vacuum decay or an excessive vacuum during the EVAP diagnostic routine. The fuel tank pressure sensor responds to the changes in the fuel tank pressure or vacuum. The signal voltage to the Powertrain Control Module (PCM) varies from a minimum of about 0.2 volts with pressure in the fuel tank to above 4.0 volts with a high vacuum in the fuel tank.

The fuel tank pressure display on the scan tool has an auto zero feature which occurs at each ignition cycle and is corrected according to the barometric pressure. Because of this, the fuel tank pressure may not accurately reflect the actual output of the sensor or the conditions within the fuel tank.

Conditions for Setting the DTC

The fuel tank pressure sensor voltage is lower than 0.1 volt for more than 25 seconds.

Action Taken When the DTC Sets

    • The malfunction indicator lamp (MIL) will illuminate.
    • The PCM will record the operating conditions at the time that the diagnostic fails. The Freeze Frame and Failure Records buffers will store this information.
    • A history DTC stores.

Conditions for Clearing the MIL/DTC

    • The malfunction indicator lamp (MIL) will turn OFF after 3 consecutive ignition cycles in which the diagnostic runs without a fault.
    • A history DTC will clear after 40 consecutive warm up cycles without a fault.
    • Use a scan tool to clear the DTCs.

Diagnostic Aids

Check for the following conditions:

    • Inspect the Control Module harness connectors for the following conditions:
       - Improper mating
       - Broken locks
       - Improperly formed
       - Damaged terminals
    • Inspect the wiring harness for damage. If the harness appears to be OK, observe the Fuel Tank Vacuum display on the scan tool while moving the connectors and the wiring harnesses related to the sensor. A change in the display will indicate the location of the fault.

Refer to (Link no longer avaliable) before starting repairs.

Test Description

  1. The Powertrain OBD System Check prompts the technician to complete some basic checks and store the freeze frame and failure records data on the scan tool if applicable. This creates an electronic copy of the data taken when the malfunction occurred. The information is then stored in the scan tool for later reference.

  2. A normal Fuel Tank Pressure sensor voltage output with no pressure or vacuum on the fuel system should be between 1.3 V and 1.7 V.

  3. Replacement PCMs must be reprogrammed and the crankshaft position system variation procedure must be performed. Refer to the latest Techline information for PCM programming and for the Crankshaft Position System Variation Procedure.

DTC P0452 - Fuel Tank Pressure Sensor Circuit Low Voltage

Step

Action

Value(s)

Yes

No

1

Was the Powertrain On-Board Diagnostic (OBD) System Check performed?

--

Go to Step 2

Go to

2

  1. Start and idle the engine.
  2. Install a scan tool.

Does the scan tool display a Fuel Tank Pressure Sensor reading of the specified value or more?

0.2 V

Go to Step 3

Go to Step 4

3

  1. Turn OFF the engine leaving the ignition switch ON
  2. Review the Freeze Frame data and note the parameters.
  3. Operate the vehicle within the Freeze Frame conditions and Conditions For Setting The DTC as noted.

Is the Fuel Tank Pressure Sensor above the specified value?

0.2 V

Go to Diagnostic Aids

Go to Step 4

4

  1. Turn OFF the ignition switch.
  2. Disconnect the Fuel Tank Pressure sensor electrical connector.
  3. Turn ON the ignition switch, leaving the engine OFF.
  4. Connect a DMM and measure the voltage between the 5.0 volt reference circuit and the sensor ground circuit at the Fuel Tank Pressure sensor harness electrical connector.

Is the voltage near the specified value?

5.0 V

Go to Step 7

Go to Step 5

5

Check the 5.0 volt reference circuit for a poor terminal connection at the PCM electrical connector and repair the terminal connection as necessary.

Was a repair necessary?

--

Go to Step 13

Go to Step 6

6

Important: The Powertrain Control Module (PCM) uses a single 5.0 volt power supply to supply power to all the engine control components. If one component shorts its 5.0 volt reference circuit to ground or battery voltage, the other 5.0 volt reference circuits will also have a low or high voltage.

Check for an open or a short to ground in the 5.0 volt reference circuit to the Fuel Tank Pressure sensor harness electical connector and repair the circuit as necessary.

Was a repair necessary?

--

Go to Step 13

Go to Step 12

7

  1. Turn OFF the ignition switch.
  2. Remove the fuel cap.
  3. Using the correct test adapter from connector test adapter kit , connect a jumper wire between terminal A at the Fuel Tank Pressure sensor and cavity A at the harness electrical connector.
  4. Connect a second jumper wire between terminal C at the Fuel Tank Pressure sensor and cavity C at the harness electrical connector.
  5. Turn ON the ignition switch, leaving the engine OFF.
  6. Connect a DMM to ground and measure the voltage at cavity B at the Fuel Tank Pressure sensor.

Is the voltage between the specified values?

1.3-1.7V

Go to Step 8

Go to Step 11

8

Check the Fuel Tank Pressure sensor signal circuit for a poor terminal electrical connection at the PCM and repair the circuit as necessary.

Was a repair necessary?

--

Go to Step 13

Go to Step 9

9

Check the Fuel Tank Pressure signal circuit between the Fuel Tank Pressure sensor electrical connector and the PCM for an open, or short to ground and repair the circuit as necessary.

Was a repair necessary?

--

Go to Step 13

Go to Step 10

10

Check for poor circuit terminal electrical connections at the Fuel Tank Pressure sensor electrical connector and repair the circuit as necessary.

Was a repair necessary?

--

Go to Step 13

Go to Step 12

11

Replace the Fuel Tank Pressure sensor. Refer to Fuel Tank Pressure Sensor Replacement .

Is the action complete?

--

Go to Step 13

--

12

Replace the PCM. Refer to Powertrain Control Module Replacement .

Is the action complete?

--

Go to Step 13

--

13

  1. Using the scan tool, clear the DTCs.
  2. Start the engine and idle at normal operating temperature.
  3. Operate the vehicle within the conditions for setting the DTC as specified in the supporting text.

Does the scan tool indicate that this diagnostic ran and passed?

--

Go to Step 14

Go to Step 2

14

Check if any additional DTCs are set.

Are any DTCs displayed that have not been diagnosed?

--

Go to the Applicable DTC table

System OK