GM Service Manual Online
For 1990-2009 cars only
Makes
🢒
Chevrolet
🢒
1999
🢒
S10 Pickup - 2WD
🢒
Suspension
🢒
Automatic Level Control
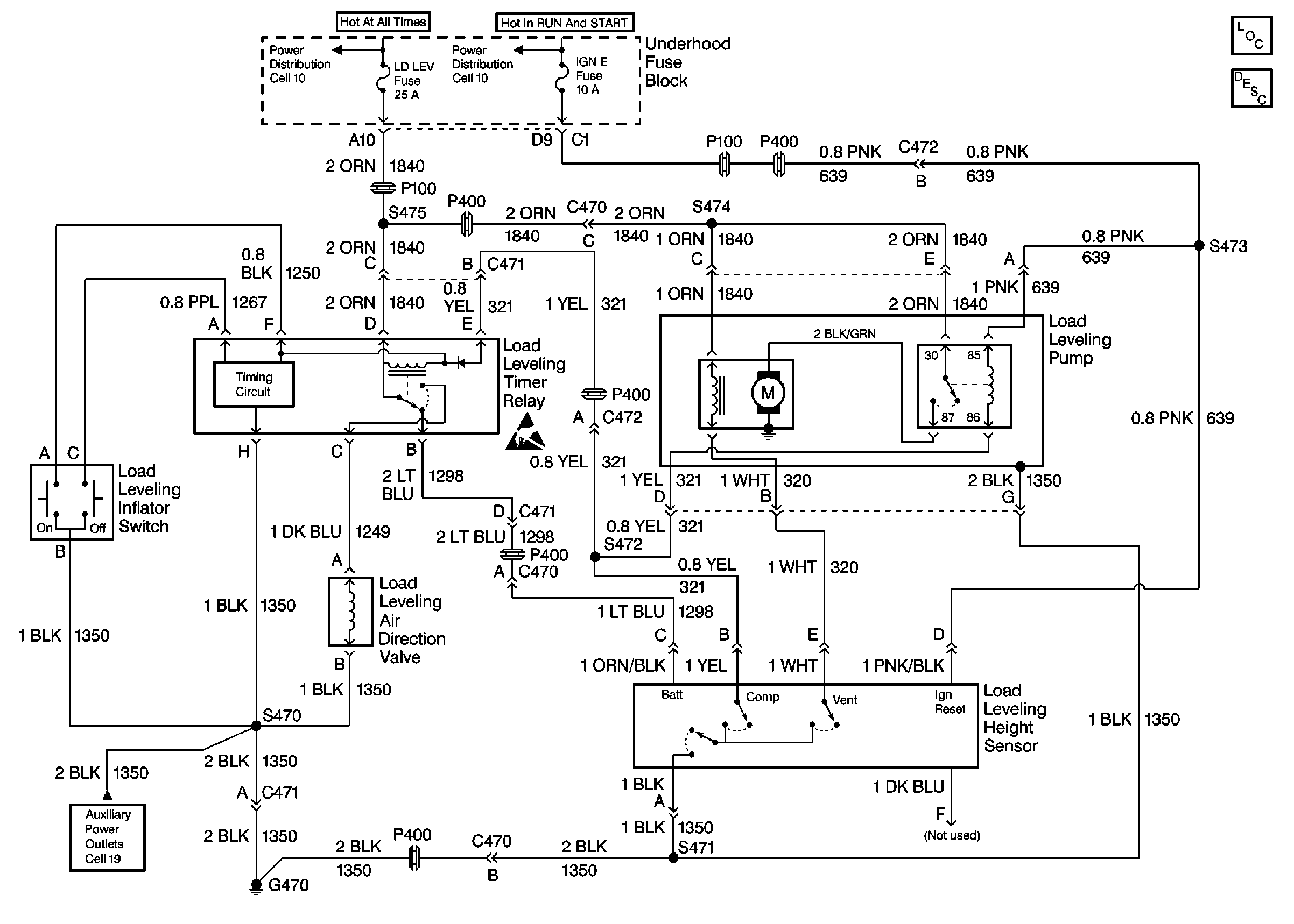
🢒 Automatic Level Control Schematics
Cell 42
Automatic Level Control Circuit Description
Automatic Level Control Suspension Components
Cell 10: HI BEAM, LD LEV, DRL Fuses and Low Beam Relay (Envoy Only)
Cell 10: IGN E Fuse and A/C Compressor, Rear Defogger, DRL Relays
Handling ESD Sensitive Parts Notice
Cell 19 (Envoy Only)
Automatic Level Control Suspension Components
Automatic Level Control Circuit Description