GM Service Manual Online
For 1990-2009 cars only

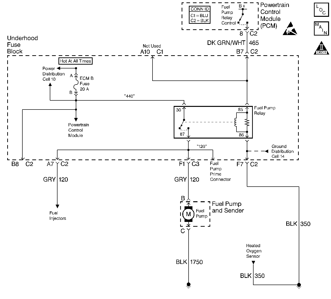
Object Number: 387249  Size: LF
Engine Controls Components
Fuel Level and Fuel Tank Pressure Sensors
OBD II Symbol Description Notice
Powertrain Control Module Connector End Views
Handling ESD Sensitive Parts Notice

Circuit Description

When the ignition is turned ON, the powertrain control module (PCM) turns ON the in-tank fuel pump. The pump will remain ON as long as the PCM is receiving ignition reference pulses from the electronic ignition control module (ICM). If there are no reference pulses, the PCM will shut OFF the fuel pump about 2-3 seconds after the ignition is turned ON, about 10 seconds after the reference pulses stop.

The fuel pump delivers fuel to the fuel filter/regulator, then to the fuel rail and fuel injectors. The system pressure is controlled to 380-410 kPa (55-60 psi) . Excess fuel is returned to the fuel tank through the fuel return hose located on the fuel filter.

Improper fuel system pressure will result in one or all of the following symptoms:

    • Cranks But Will Not Run
    • DTC P0171
    • DTC P0172
    • DTC P1171
    • DTC P0300
    • Cuts out, may feel like an ignition problem
    • Poor fuel economy, loss of power
    • Hesitation

Diagnostic Aids

An intermittent may be caused by a poor connection, rubbed through wire insulation or a wire broken inside the insulation. Check for a poor connection or damaged harness. Inspect the PCM harness and connectors for the following items:

    • Improper mating
    • Broken locks
    • Improperly formed or damaged terminals
    • Poor terminal to wire connections
    • Damaged harnesses

Test Description

The numbers below refer to the step numbers on the diagnostic table.

  1. The Powertrain OBD System Check prompts you to complete some of the basic checks and to store the Freeze Frame and Failure Records data on the scan tool, if applicable. This creates an electronic copy of the data captured when this DTC sets. The scan tool stores this data for later reference.

  2. If the no start condition was due to an open fuse, locate and repair any shorts that may have caused the fuse to open before the replacement.

  3. This step determines if the PCM can control the fuel pump. The PCM should energize the fuel pump relay and turn ON the fuel pump when commanded by the scan tool. If the engine is not cranking or running, the PCM should de-energize the relay and turn OFF the fuel pump after 2-3 seconds.

  4. Connecting a fused jumper wire between the fuel pump feed terminal and the fuel pump relay ignition feed terminal verifies that the following circuits are all OK:

  5. • Fuel pump relay ignition feed circuit
    • Fuel pump feed circuit
    • Fuel pump
    • Fuel ground
  6. This step checks for an open in the fuel pump ground circuit.

  7. Reprogram the replacement PCM and perform the Crankshaft Position System Variation Learn Procedure. Refer to the latest Techline information for PCM programming .

  8. This test will determine if a short to ground on the fuel pump feed circuit or the fuel injector feed circuit caused the fuse to open.

Step

Action

Values

Yes

No

1

Did you perform the Powertrain On-Board Diagnostic (OBD) System Check?

--

Go to Step 2

Go to Powertrain On Board Diagnostic (OBD) System Check

2

Inspect the ECM B fuse.

Is the fuse OK?

--

Go to Step 3

Go to Step 20

3

  1. Turn ON the ignition, with the engine OFF.
  2. Install a scan tool.
  3. Command the fuel pump relay ON with the scan tool.

Does the in-tank fuel pump Run when the fuel pump relay is commanded ON?

--

Go to Fuel System Diagnosis

Go to Step 4

4

  1. Disconnect the fuel pump relay.
  2. Connect a fused jumper wire between the following circuits:
  3. • Fuel pump relay B+
    • Fuel pump motor B+ circuit

Does the fuel pump Run?

--

Go to Step 5

Go to Step 6

5

  1. Connect a test lamp to ground.
  2. Probe the fuel pump relay control terminal.
  3. Command the fuel pump ON and OFF with the scan tool.

Does the test lamp turn ON and OFF with the command?

--

Go to Step 7

Go to Step 8

6

  1. Connect a test lamp to ground.
  2. Probe the B+ terminal at the fuel pump relay.

Is the test lamp ON?

--

Go to Step 9

Go to Step 10

7

  1. Connect a test lamp to B+.
  2. Probe the ground terminal to the fuel pump relay.

Is the test lamp ON?

--

Go to Step 11

Go to Step 12

8

  1. Check the fuel pump control circuit for the following conditions:
  2. • Open in the circuit
    • Short to ground
    • Short to voltage
  3. Repair the circuit as necessary. Refer to Wiring Repairs in Wiring Systems.

Was a repair necessary?

--

Go to Step 25

Go to Step 13

9

  1. Reinstall the fuel pump relay.
  2. Disconnect the fuel pump electrical harness at the rear body electrical connector.
  3. Connect a test lamp to ground.
  4. Probe the fuel pump feed terminal--body side.
  5. Command the fuel pump ON with the scan tool.

Is the test lamp ON?

--

Go to Step 14

Go to Step 15

10

Repair the open in the ignition feed circuit to the fuel pump relay. Refer to Wiring Repairs in Wiring Systems.

Is the action complete?

--

Go to Step 25

--

11

Replace the fuel pump relay.

Is the action complete?

--

Go to Step 25

--

12

Repair the open in the ground circuit to the fuel pump relay. Refer to Wiring Repairs in Wiring Systems.

Is the action complete?

--

Go to Step 25

--

13

  1. Check the following conditions at the PCM:
  2. • Poor electrical connections
    • Backed out terminals
    • Poor terminal tension
  3. Repair the electrical connections and the terminals as necessary. Refer to Wiring Repairs in Wiring Systems.

Was a repair necessary?

--

Go to Step 25

Go to Step 16

14

  1. Connect a test lamp to B+.
  2. Probe the fuel pump ground circuit--body side.

Is the test lamp ON?

--

Go to Step 17

Go to Step 18

15

Repair the open in the fuel pump feed circuit. Refer to Wiring Repairs in Wiring Systems.

Is the action complete?

--

Go to Step 25

--

16

  1. Turn OFF the ignition.
  2. Important: The replacement PCM must be programmed.

  3. Replace the PCM. Refer to Powertrain Control Module Replacement/Programming .

Is the action complete?

--

Go to Step 25

--

17

  1. Check the following circuits in the fuel pump harness for an open:
  2. • Fuel pump feed
    • Ground
  3. Repair the circuits as necessary. Refer to Wiring Repairs in Wiring Systems.

Was a repair necessary?

--

Go to Step 25

Go to Step 19

18

Repair the open in the fuel pump ground circuit. Refer to Wiring Repairs in Wiring Systems.

Is the action complete?

--

Go to Step 25

--

19

Replace the fuel pump. Refer to Fuel Sender Assembly Replacement .

Is the action complete?

--

Go to Step 25

--

20

  1. Turn OFF the ignition.
  2. Important: Be sure to disconnect the fuel pump harness before the test in order to prevent a mis-diagnosis.

  3. Disconnect the fuel pump electrical harness at the rear body harness electrical connector.
  4. Disconnect the fuel pump relay.
  5. Connect a test lamp to B+.
  6. Probe the fuel pump feed terminal.

Is the test lamp ON?

--

Go to Step 21

Go to Step 22

21

  1. Inspect for a short to ground in the following circuits:
  2. • Fuel pump ignition feed
    • Fuel injector ignition feed
  3. Repair condition as necessary. Refer to Wiring Repairs in Wiring Systems.

Is the action complete?

--

Go to Step 25

--

22

  1. Connect a test lamp to B+.
  2. Probe the fuel pump relay ignition feed circuit terminal.

Is the test lamp ON?

--

Go to Step 23

Go to Step 24

23

Repair the short to ground in the fuel pump relay ignition feed circuit. Refer to Wiring Repairs in Wiring Systems.

Is the action complete?

--

Go to Step 25

--

24

  1. Check for a short to ground in the fuel pump feed circuit--fuel pump harness side.
  2. Repair the fuel pump feed circuit in the fuel pump harness as necessary. Refer to Wiring Repairs in Wiring Systems.

Was a repair necessary?

--

Go to Step 25

Go to Step 19

25

  1. Use the scan tool in order to clear the DTCs.
  2. Attempt to start the engine.

Does the engine start and continue to Run?

--

Go to Step 26

Go to Step 2

26

  1. Idle the engine until the normal operation temperature is reached.
  2. Check to see if any additional DTCs are set.

Does the scan tool display any DTCs that have not been diagnosed?

--

Go to applicable DTC table

System OK