GM Service Manual Online
For 1990-2009 cars only

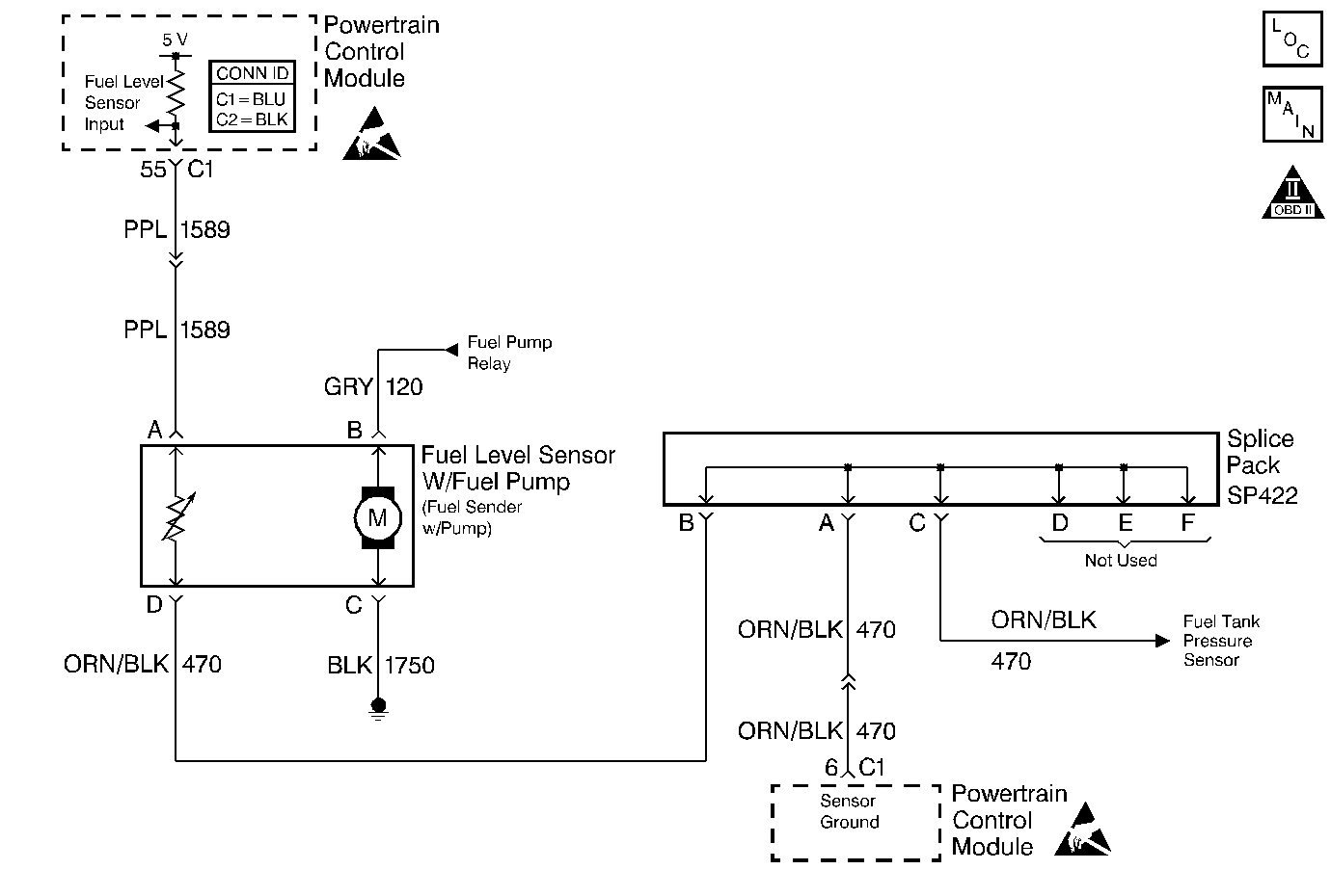
Object Number: 387285  Size: MF
Engine Controls Components
Fuel Level and Fuel Tank Pressure Sensors
OBD II Symbol Description Notice
Powertrain Control Module Connector End Views
Handling ESD Sensitive Parts Notice
Handling ESD Sensitive Parts Notice

Circuit Description

The Fuel Level Sensor changes resistance based on fuel level. The Fuel Level Sensor has a signal circuit and a ground circuit. The PCM applies a voltage (about 5.0 volts) on the signal circuit to the sensor. The PCM monitors changes in this voltage caused by changes in the resistance of the sensor to determine fuel level.

When the fuel tank is full, the sensor resistance is high, therefore, the PCM will sense a high signal voltage (fuel tank full). When the fuel tank is empty, the sensor resistance is low, and the PCM senses a low signal voltage (fuel tank empty).

The PCM uses inputs from the Fuel Level Sensor to calculate the total fuel remaining in the fuel tank. This information is then sent to the fuel gauge via the class 2 circuit. The Fuel Level information is also used for misfire and EVAP diagnostics.

This DTC sets when the PCM senses a signal voltage lower than the normal operating range of the sensor.

Conditions for Running the DTC

    • The ignition is ON.
    • The system voltage is between 11 and 16 volts.

Conditions for Setting the DTC

Fuel level sensor reading is less than 3.5 percent for more than 25 seconds.

Action Taken When the DTC Sets

    • The PCM will record the operating conditions during the time which the diagnostic fails. This information will store in the Failure Records.
    • A history DTC is stored.

Conditions for Clearing the DTC

    • A history DTC clears after 40 consecutive warm up cycles without a fault.
    • The scan tool clears the DTC.

Test Description

The numbers below refer to the step numbers on the Diagnostic Table.

  1. This step determines if the fault is present.

Step

Action

Value(s)

Yes

No

1

Did you perform the Powertrain On-Board Diagnostic (OBD) System Check ?

--

Go to Step 2

Go to Powertrain On Board Diagnostic (OBD) System Check

2

  1. Install the scan tool.
  2. Turn ON the ignition with the engine OFF.
  3. Monitor the fuel level sensor display on the scan tool.

Is the fuel level sensor percentage below the specified value?

3.5%

Go to Step 4

Go to Step 3

3

  1. Observe the Freeze Frame and/or Failure records data for this DTC.
  2. Turn OFF the ignition for 30 seconds.
  3. Operate the vehicle within the Conditions for Running the DTC as specified in the supporting text or as close to the Freeze Frame and/or Failure records data that you observed.

Does the DTC fail this ignition?

--

Go to Step 4

Go to Intermittent Conditions

4

  1. Turn OFF the ignition.
  2. Disconnect the fuel level sensor harness connector.
  3. Turn ON the ignition with the engine OFF.
  4. Observe the fuel level sensor display on the scan tool.

Is the fuel level sensor percentage at the specified value?

100%

Go to Step 6

Go to Step 5

5

Test the signal circuit of the fuel level sensor for a short to ground . Refer to Circuit Testing and Wiring Repairs in Wiring Systems.

Did you find and correct the condition?

--

Go to Step 8

Go to Step 7

6

Replace the fuel level sensor. Refer to Fuel Sender Assembly Replacement .

Did you complete the replacement?

--

Go to Step 8

--

7

Replace the PCM. Refer to Powertrain Control Module Replacement/Programming .

Did you complete the replacement?

--

Go to Step 8

--

8

  1. Use the scan tool in order to clear the DTCs.
  2. Turn OFF the ignition for 30 seconds.
  3. Operate the vehicle within the Conditions for Running the DTC as specified in the supporting text.

Does the DTC run and pass?

--

Go to Step 9

Go to Step 2

9

Select the Capture Info option and the Review Info option using the scan tool.

Does the scan tool display any DTCs that you have not diagnosed?

--

Go to the applicable DTC

System OK