GM Service Manual Online
For 1990-2009 cars only

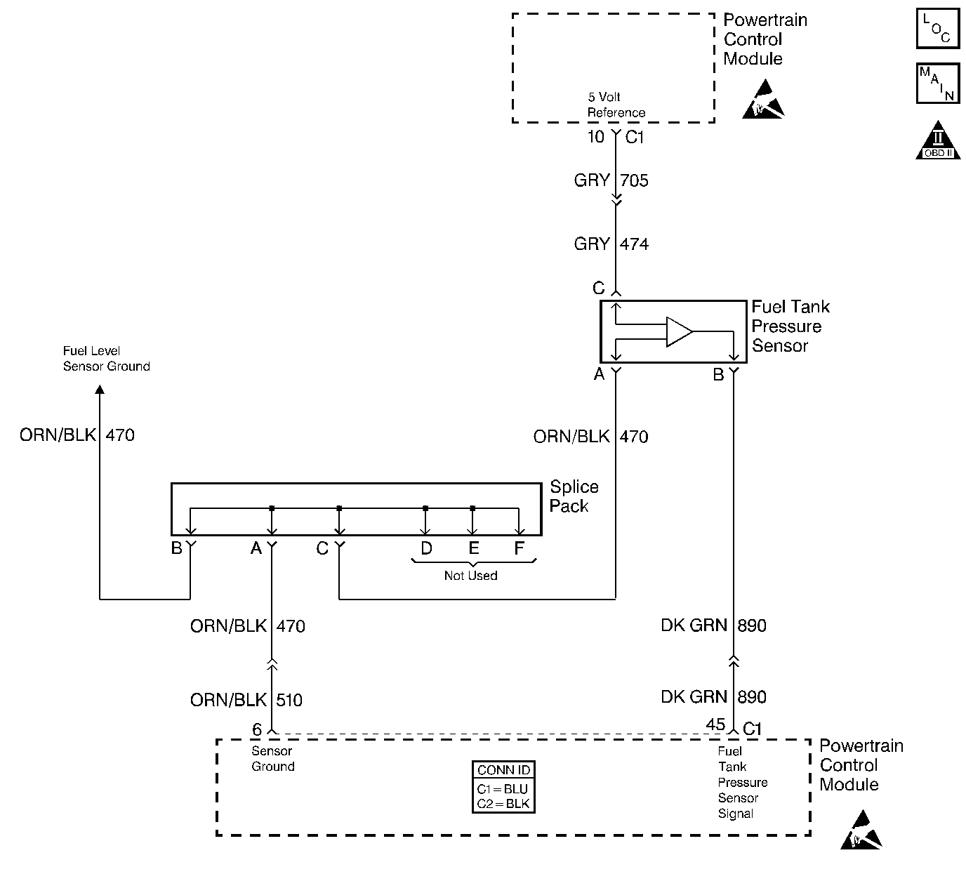
Object Number: 387256  Size: LF
Engine Controls Components
MAP, IAT, TPS, and ECT Sensors
OBD II Symbol Description Notice
Powertrain Control Module Connector End Views
Handling ESD Sensitive Parts Notice
Handling ESD Sensitive Parts Notice

Circuit Description

The fuel tank pressure sensor is used in order to monitor the vacuum levels in the fuel tank. The fuel tank pressure sensor responds to the changes in the fuel tank pressure or vacuum. The signal voltage to the powertrain control module (PCM) varies from a minimum of about 0.2 volts with pressure in the fuel tank to above 4.0 volts with a high vacuum in the fuel tank.

Conditions for Running the DTC

The engine is running.

Conditions for Setting the DTC

The fuel tank pressure sensor voltage is lower than 0.1 volt for more than 25 seconds.

Action Taken When the DTC Sets

    • The malfunction indicator lamp (MIL) will illuminate.
    • The PCM will record the operating conditions at the time that the diagnostic fails. The Freeze Frame and Failure Records buffers will store this information.
    • A history DTC stores.

Conditions for Clearing the MIL/DTC

    • The malfunction indicator lamp (MIL) will turn OFF after 3 consecutive ignition cycles in which the diagnostic runs without a fault.
    • A history DTC will clear after 40 consecutive warm up cycles without a fault.
    • Use a scan tool to clear the DTCs.

Test Description

The numbers below refer to the step numbers on the diagnostic table.

  1. This step verifies that the condition is present.

  2. This step tests the 5 volt reference of the fuel tank pressure sensor.

  3. This step tests if another component is causing the 5 volt reference circuit condition. If the voltage increases when a component is disconnected, replace that component.

  4. If the scan tool displays 5 volts, the Fuel Tank Pressure sensor signal circuit, the Fuel Tank Pressure sensor 5 volt reference circuit and the PCM are OK.

Step

Action

Values

Yes

No

1

Did you perform the Powertrain On-Board Diagnostic (OBD) System Check?

--

Go to Step 2

Go to Powertrain On Board Diagnostic (OBD) System Check

2

Monitor the Fuel Tank Pressure sensor voltage with the scan tool.

Is the Fuel Tank Pressure sensor voltage below the specified value?

0.1V

Go to Step 4

Go to Step 3

3

  1. Observe the Freeze Frame and/or Failure records data for this DTC.
  2. Turn OFF the ignition for 30 seconds.
  3. Operate the vehicle within the Conditions for Running the DTC as specified in the supporting text or as close to the Freeze Frame and/or Failure records data that you observed.

Does the DTC fail this ignition?

--

Go to Step 4

Go to Intermittent Conditions

4

  1. Turn ON the ignition with the engine OFF.
  2. Disconnect the fuel tank pressure sensor harness connector.
  3. Measure the voltage from 5.0 volt reference circuit of the fuel tank pressure sensor with a DMM. Refer to Circuit Testing in Wiring Systems.

Does the DMM display near the specified value?

5V

Go to Step 6

Go to Step 5

5

Disconnect the following components, while monitoring the DMM:

    • TP sensor
    • A/C pressure sensor

Does the DMM display near the specified voltage when either component is disconnected?

5V

Go to Step 11

Go to Step 7

6

  1. Jumper the fuel tank pressure sensor 5 volt reference circuit and the fuel tank pressure sensor signal circuit together at the harness connector.
  2. Observe the fuel tank pressure sensor voltage with a scan tool.

Does the scan tool display the specified value?

5V

Go to Step 9

Go to Step 8

7

Test the 5 volt reference circuit of the fuel tank pressure sensor for an open or short to ground. Refer to Circuit Testing and Wiring Repairs in Wiring Systems.

Did you find and correct the condition?

--

Go to Step 14

Go to Step 10

8

Test the signal circuit of the fuel tank pressure sensor for an open or short to ground. Refer to Circuit Testing and Wiring Repairs in Wiring Systems.

Did you find and correct the condition?

--

Go to Step 14

Go to Step 10

9

Inspect for poor connections at the harness connector of the fuel tank pressure sensor. Refer to Testing for Intermittent Conditions and Poor Connections and Connector Repairs in Wiring Systems.

Did you find and correct the condition?

--

Go to Step 14

Go to Step 12

10

Inspect for poor connections at the harness connector of the PCM. Refer to Testing for Intermittent Conditions and Poor Connections and Connector Repairs in Wiring Systems.

Did you find and correct the condition?

--

Go to Step 14

Go to Step 13

11

Replace the component that affected the 5 volt reference circuit. Refer to Throttle Position Sensor Replacement or Air Conditioning (A/C) Refrigerant Pressure Sensor Replacement in Heating, Ventilation and Air Conditioning.

Did you complete the replacement?

--

Go to Step 14

--

12

Replace the fuel tank pressure sensor. Refer to Fuel Tank Pressure Sensor Replacement .

Did you complete the replacement?

--

Go to Step 14

--

13

Replace the PCM. Refer to Powertrain Control Module Replacement/Programming .

Did you complete the replacement?

--

Go to Step 14

--

14

  1. Use the scan tool in order to clear the DTCs.
  2. Turn OFF the ignition for 30 seconds.
  3. Operate the vehicle within the Conditions for Running the DTC as specified in the supporting text.

Does the DTC run and pass?

--

Go to Step 15

--

15

Select the Capture Info option and the Review Info option using the scan tool.

Does the scan tool display any DTCs that you have not diagnosed?

--

Go to the applicable DTC

System OK