GM Service Manual Online
For 1990-2009 cars only
Makes
🢒
Chevrolet
🢒
2000
🢒
S10 Pickup - 2WD
🢒
HVAC
🢒
HVAC Systems - Automatic
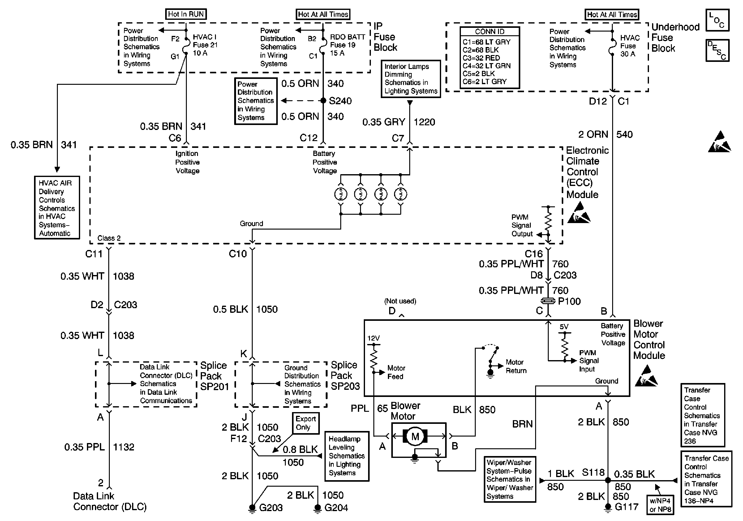
🢒 HVAC Blower Control Schematics
HVAC Components
HVAC Blower Controls Circuit Description
Ign ACC, RUN and RAP Bus Bar
AUX PWR, RDO BATT and HDLP SW Fuses
AUX PWR, RDO BATT and HDLP SW Fuses
ECC Module, Power and Ground
Automatic Transmission Switch Inputs
G203 and G204 (Utility w/ Automatic A/C)
2000 S/T Headlight Leveling
ILLUM Fuse 12
Power and Grounding Connector End Views
B+ Bus Bar
Handling ESD Sensitive Parts Notice
Wiper/Washer System (Pulse)
Handling ESD Sensitive Parts Notice
Speed Sensors
Speed Sensors