GM Service Manual Online
For 1990-2009 cars only
Makes
🢒
Chevrolet
🢒
2000
🢒
S10 Pickup - 2WD
🢒
HVAC
🢒
HVAC Systems - Automatic
🢒 HVAC Air Delivery/Temperature Control Schematics
Figure
1:
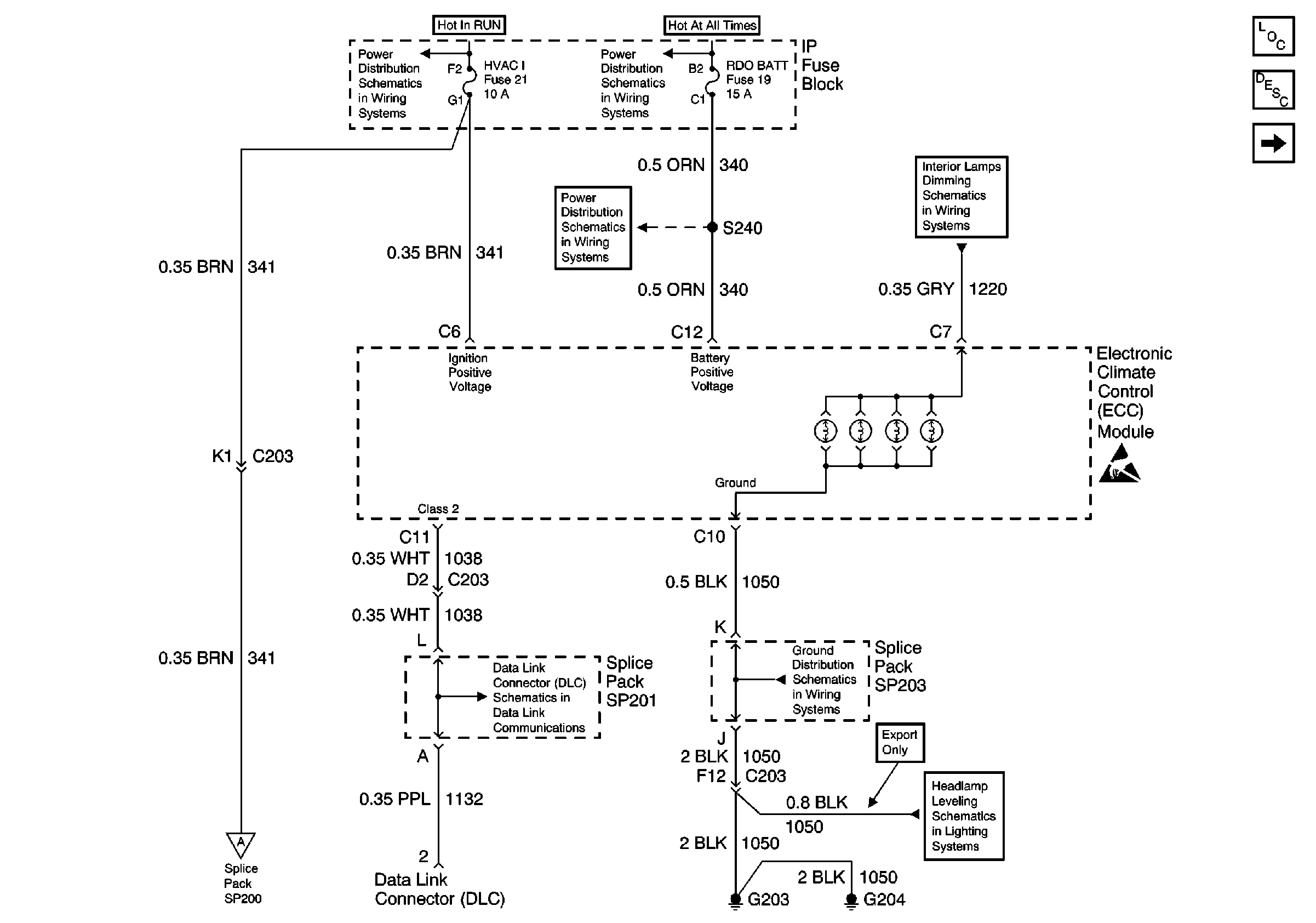
ECC Module, Power and Ground
HVAC Components
HVAC Air Delivery/Temperature Control Circuit Description
ECC Module and Temperature Sensors
Ign ACC, RUN and RAP Bus Bar
AUX PWR, RDO BATT and HDLP SW Fuses
AUX PWR, RDO BATT and HDLP SW Fuses
ILLUM Fuse 12
Handling ESD Sensitive Parts Notice
Automatic Transmission Switch Inputs
G203 and G204 (Utility w/ Automatic A/C)
2000 S/T Headlight Leveling
HVAC Vacuum Control Solenoid Valve Assembly and Electric Actuator
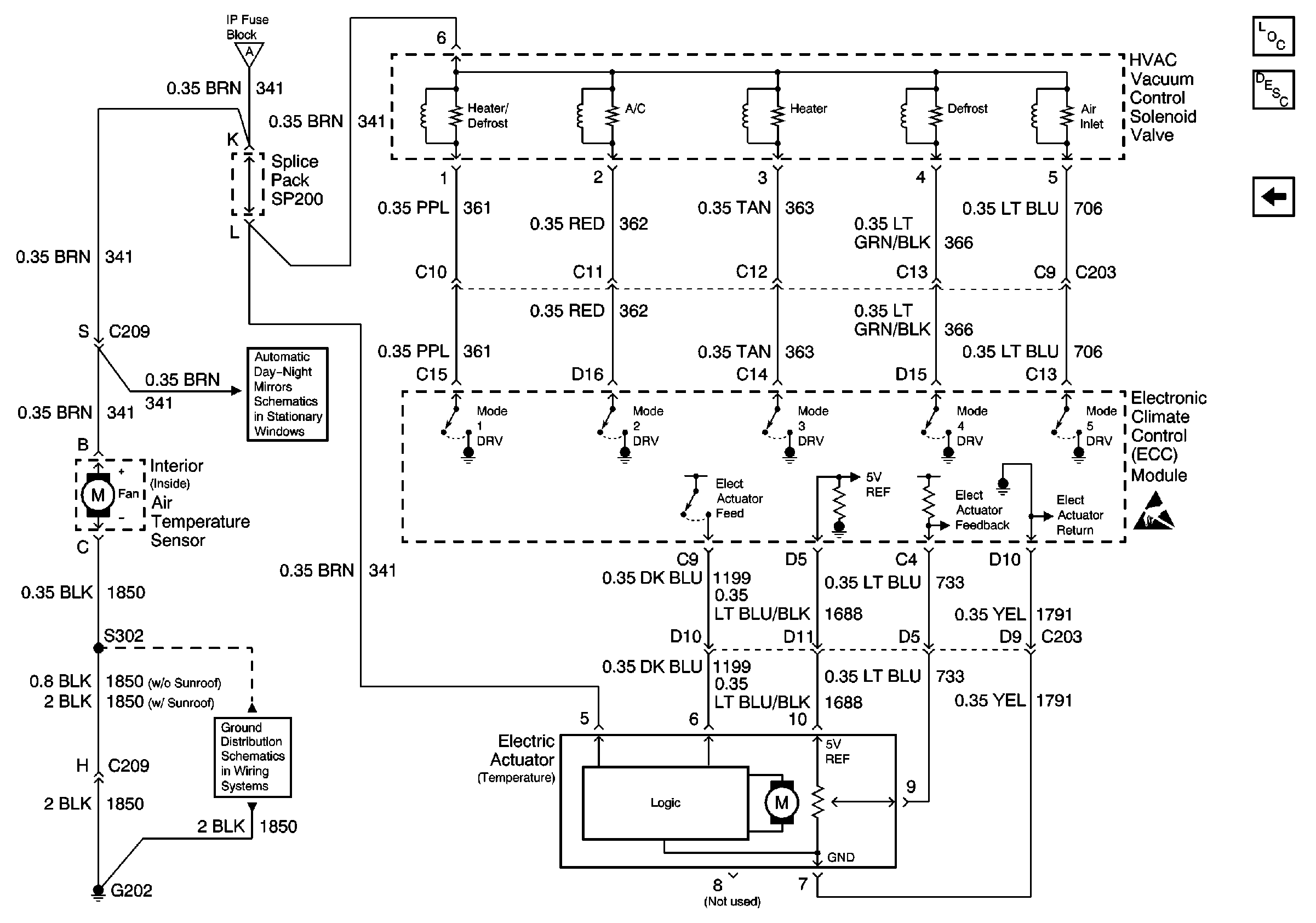
Figure
2:
ECC Module and Temperature Sensors
HVAC Components
HVAC Air Delivery/Temperature Control Circuit Description
HVAC Vacuum Control Solenoid Valve Assembly and Electric Actuator
ECC Module, Power and Ground
Handling ESD Sensitive Parts Notice
Figure
3:
HVAC Vacuum Control Solenoid Valve Assembly and Electric Actuator
HVAC Components
HVAC Air Delivery/Temperature Control Circuit Description
ECC Module and Temperature Sensors
ECC Module, Power and Ground
Automatic Day-Night Mirrors Schematics
G202 (Utility)
Handling ESD Sensitive Parts Notice