GM Service Manual Online
For 1990-2009 cars only
Figure 1:

Headlamp Switch, Ambient Light Sensor and BCM


Object Number: 537705  Size: FS
Lighting Systems Components
Headlights Circuit Description
DRL and Headlamp Power Relays
AUX PWR, RDO BATT and HDLP SW Fuses
Headlamp Grounding Relay and BCM
DRL and Headlamp Power Relays
Body Control System Connector End Views
Handling ESD Sensitive Parts Notice
G203 and G204 (Utility w/ Manual A/C)
2000 S/T Headlight Leveling
Park Lamps and Marker Lamps, Front
ILLUM Fuse 12
Handling ESD Sensitive Parts Notice
Figure 2:

DRL and Headlamp Power Relays


Object Number: 537712  Size: FS
Lighting Systems Components
Headlights Circuit Description
Headlamp Grounding Relay and BCM
Headlamp Switch, Ambient Light Sensor and BCM
MIR/LKS, FOG LP Fuses and DRL, Headlamp Power Relays
G102 (Except Export)
Power and Grounding Connector End Views
Flash-To-Pass Switch, DRL Relay (ZR2) and BCM
Headlamp Switch, Ambient Light Sensor and BCM
Flash-To-Pass Switch, DRL Relay (ZR2) and BCM
Headlamp Grounding Relay and BCM
G102 (Except Export)
Figure 3:

Headlamp Grounding Relay and BCM


Object Number: 558748  Size: FS
Lighting Systems Components
Headlights Circuit Description
Flash-To-Pass Switch, DRL Relay (ZR2) and BCM
DRL and Headlamp Power Relays
Power and Grounding Connector End Views
B+ Bus Bar
Flash-To-Pass Switch, DRL Relay (ZR2) and BCM
Park Lamps and Marker Lamps, Front
Headlamp Switch, Ambient Light Sensor and BCM
Body Control System Connector End Views
Handling ESD Sensitive Parts Notice
DRL and Headlamp Power Relays
G200, G201 and G207 (Utility)
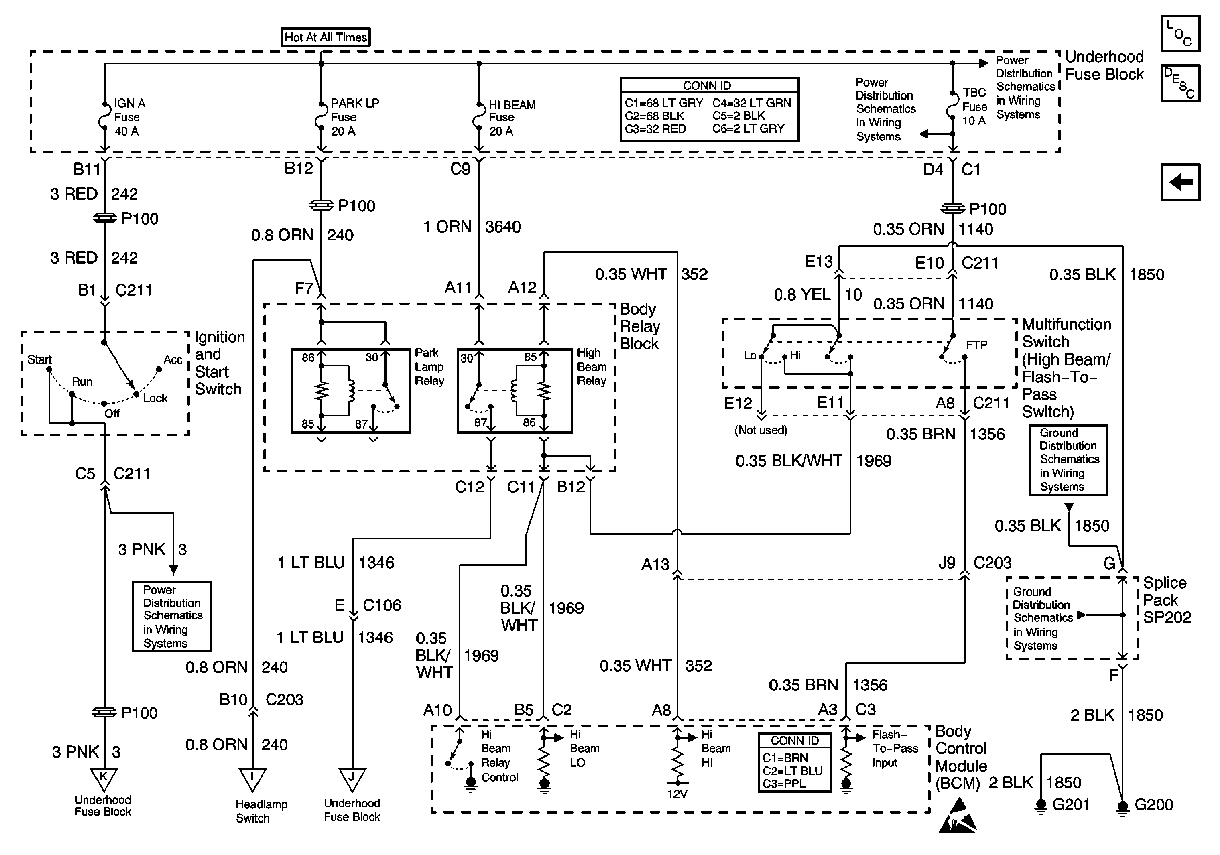
Figure 4:

Flash-To-Pass Switch, DRL Relay (ZR2) and BCM


Object Number: 537713  Size: FS
Lighting Systems Components
Headlights Circuit Description
Headlamp Switch and BCM (Envoy/Diamond Edition 1SK)
Headlamp Grounding Relay and BCM
Power and Grounding Connector End Views
Headlamp Grounding Relay and BCM
STUD 2, ABS, TBC and RR W/W Fuses
Ign RUN and START Bus Bar
IGN E Fuse and A/C Compressor, Rear Defogger, DRL Relays
Wiper/Washer System (Pulse)
G102 (Except Export)
DRL and Headlamp Power Relays
Body Control System Connector End Views
Handling ESD Sensitive Parts Notice
G102 (Except Export)
Figure 5:

Headlamp Switch and BCM (Envoy/Diamond Edition 1SK)


Object Number: 537714  Size: FS
Lighting Systems Components
Headlights Circuit Description
DRL, Low Beam Relays and BCM (Envoy/Diamond Edition 1SK)
Flash-To-Pass Switch, DRL Relay (ZR2) and BCM
AUX PWR, RDO BATT and HDLP SW Fuses
Park Lamp, High Beam Relays and BCM (Envoy/Diamond Edition 1SK)
DRL, Low Beam Relays and BCM (Envoy/Diamond Edition 1SK)
Body Control System Connector End Views
Handling ESD Sensitive Parts Notice
G203 and G204 (Utility w/ Manual A/C)
Park Lamps and Marker Lamps, Front
ILLUM Fuse 12
Handling ESD Sensitive Parts Notice
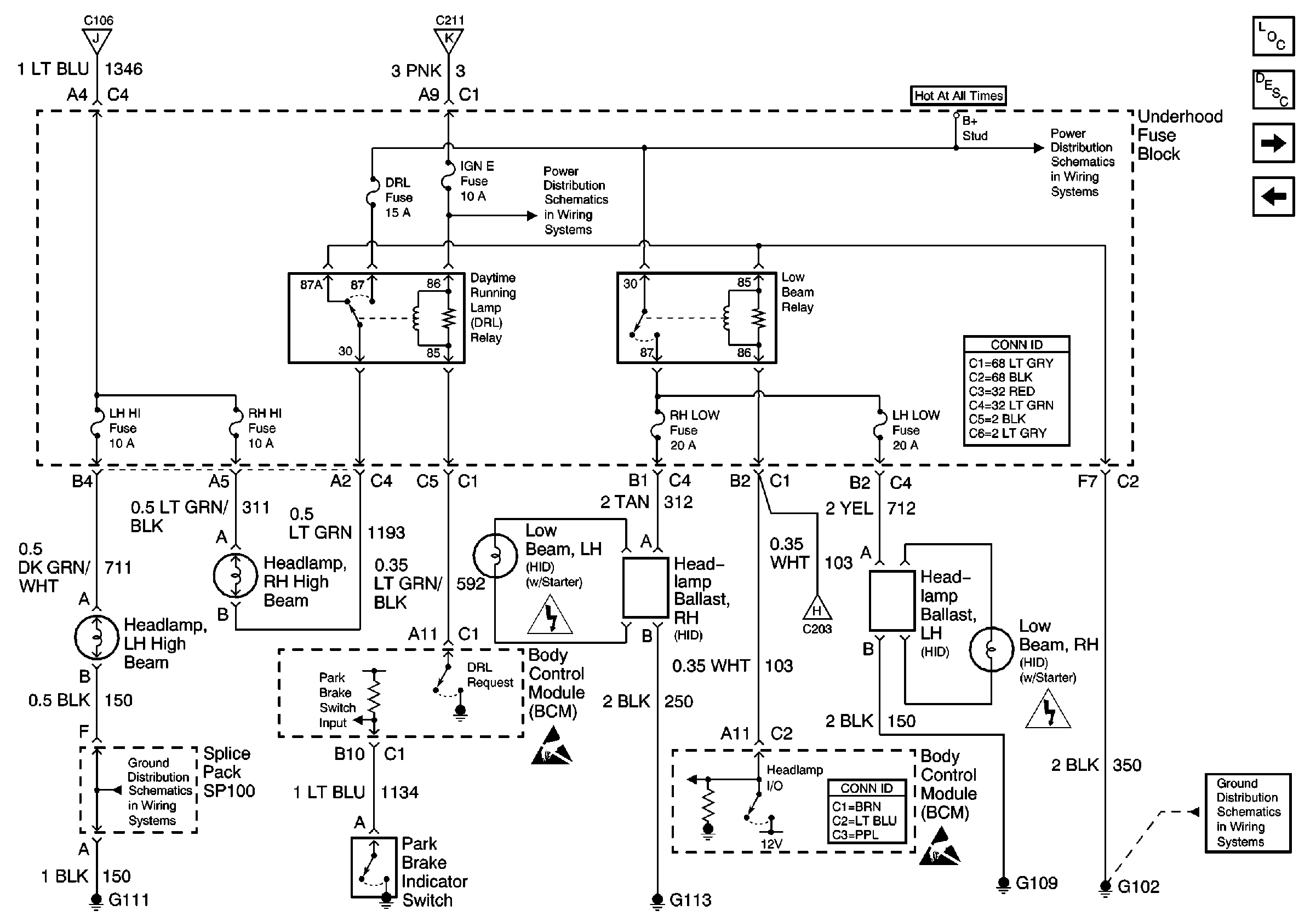
Figure 6:

DRL, Low Beam Relays and BCM (Envoy/Diamond Edition 1SK)


Object Number: 537715  Size: FS
Lighting Systems Components
Headlights Circuit Description
Park Lamp, High Beam Relays and BCM (Envoy/Diamond Edition 1SK)
Headlamp Switch and BCM (Envoy/Diamond Edition 1SK)
Park Lamp, High Beam Relays and BCM (Envoy/Diamond Edition 1SK)
Park Lamp, High Beam Relays and BCM (Envoy/Diamond Edition 1SK)
IGN E Fuse and A/C Compressor, Rear Defogger, DRL Relays
B+ Bus Bar
Power and Grounding Connector End Views
G109, G111, G112 and G113 (Except Export)
High-Voltage Caution
Handling ESD Sensitive Parts Notice
Headlamp Switch and BCM (Envoy/Diamond Edition 1SK)
Body Control System Connector End Views
Handling ESD Sensitive Parts Notice
High-Voltage Caution
G102 (Except Export)
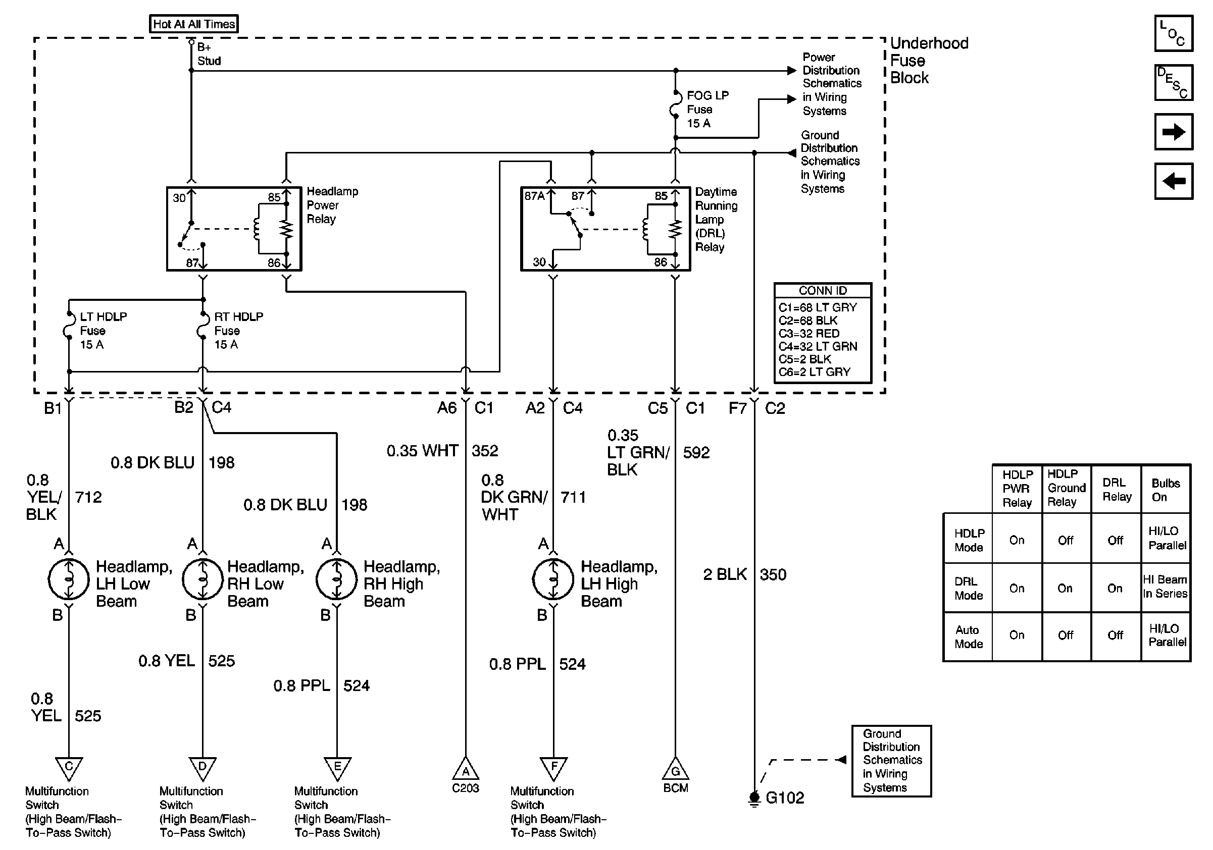
Figure 7:

Park Lamp, High Beam Relays and BCM (Envoy/Diamond Edition 1SK)


Object Number: 537718  Size: FS
Lighting Systems Components
Headlights Circuit Description
DRL, Low Beam Relays and BCM (Envoy/Diamond Edition 1SK)
Power and Grounding Connector End Views
STUD 2, ABS, TBC and RR W/W Fuses
B+ Bus Bar
Ign RUN and START Bus Bar
DRL, Low Beam Relays and BCM (Envoy/Diamond Edition 1SK)
Headlamp Switch and BCM (Envoy/Diamond Edition 1SK)
DRL, Low Beam Relays and BCM (Envoy/Diamond Edition 1SK)
Body Control System Connector End Views
Handling ESD Sensitive Parts Notice
G200, G201 and G207 (Envoy)
G200, G201 and G207 (Envoy)