GM Service Manual Online
For 1990-2009 cars only
Makes
🢒
Chevrolet
🢒
2000
🢒
S10 Pickup - 2WD
🢒
Body and Accessories
🢒
Wipers/Washer Systems
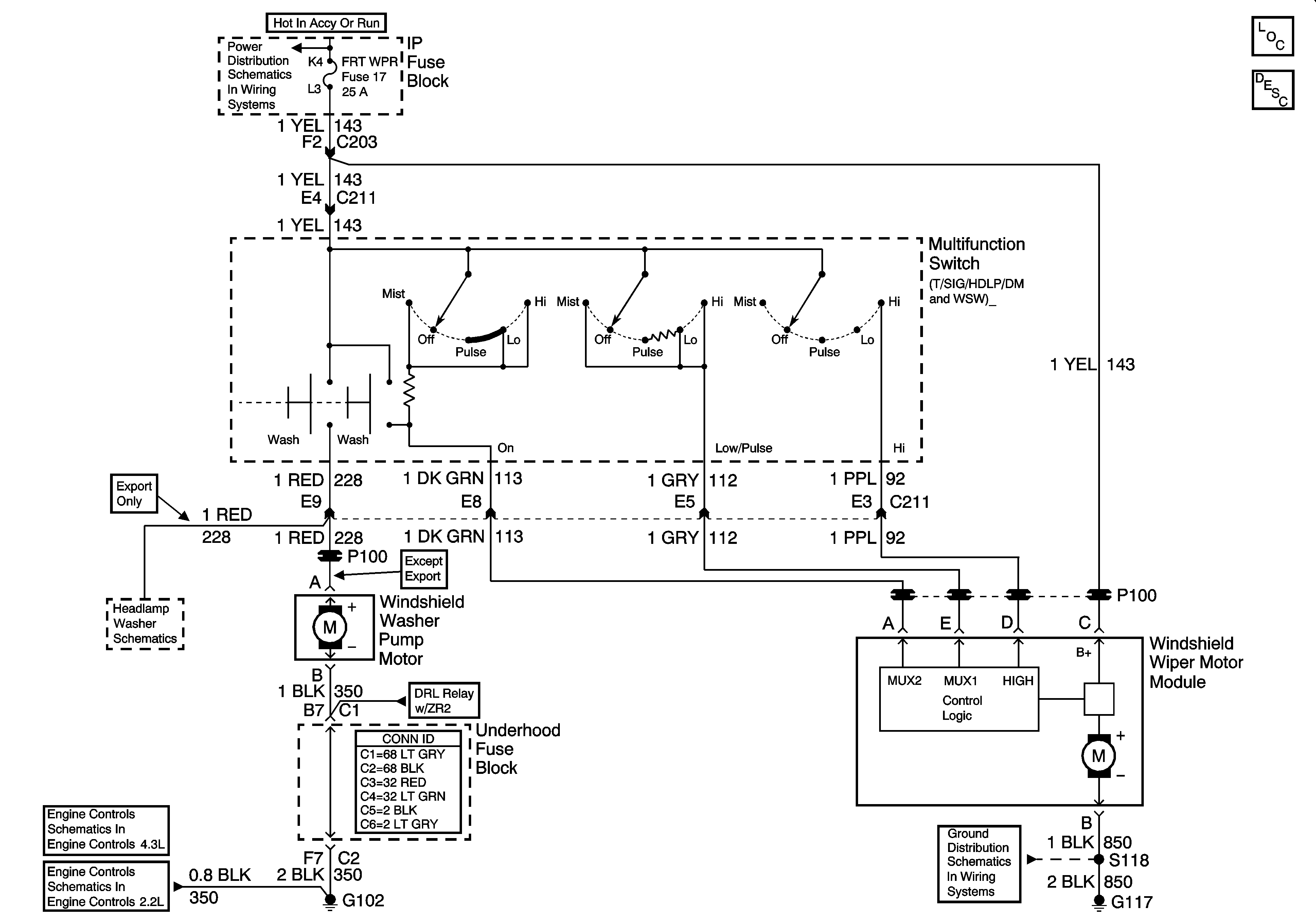
🢒 Wiper/Washer System (Pulse) Schematics
Wiper/Washer System Components
Wiper/Washer System Circuit Description
RR WPR, FRT WPR and ABS Fuses
Headlamp Washer System Schematics
Heated Oxygen Sensors
Oxygen Sensors
Power and Grounding Connector End Views
G104 and G117