GM Service Manual Online
For 1990-2009 cars only
Makes
🢒
Chevrolet
🢒
2000
🢒
S10 Pickup - 2WD
🢒
Body and Accessories
🢒
Theft Deterrent
🢒 Theft Deterrent System Schematics
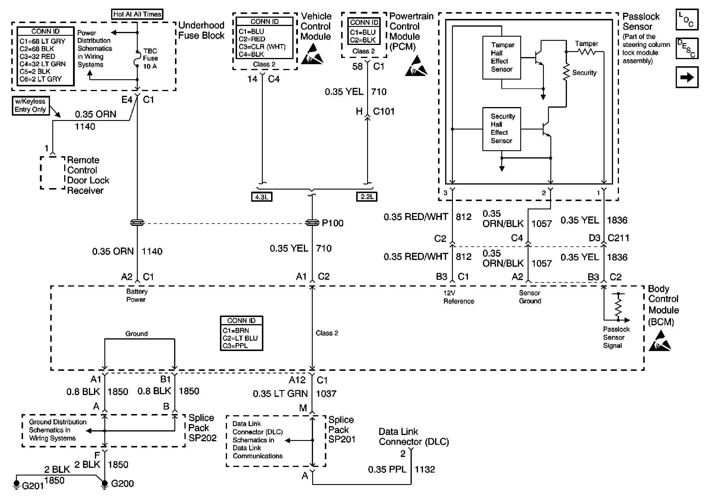
Figure
1:
Power, Ground and Passlock⢠Sensor
Theft Deterrent System Components
Vehicle Theft Deterrent (VTD) Description
Door Jamb Switch Inputs
Power and Grounding Connector End Views
STUD 2, ABS, TBC and RR W/W Fuses
VCM Connector End Views
Handling ESD Sensitive Parts Notice
Powertrain Control Module Connector End Views
Handling ESD Sensitive Parts Notice
Body Control System Connector End Views
Handling ESD Sensitive Parts Notice
G103 and G105 (2.2L)
SP201 (2.2L)
Figure
2:
Door Jamb Switch Inputs
Theft Deterrent System Components
Content Theft Deterrent (CTD) Circuit Description
Door Handle Switch Inputs
Power, Ground and Passlock ™ Sensor
Body Control System Connector End Views
Handling ESD Sensitive Parts Notice
Door Handle Switch Inputs
G420 and G450 (Utility w/ Endgate)
G200, G201 and G207 (Envoy)
G103 and G105 (2.2L)
Figure
3:
Door Handle Switch Inputs
Theft Deterrent System Components
Content Theft Deterrent (CTD) Circuit Description
Door Jamb Switch Inputs
Body Control System Connector End Views
Door Jamb Switch Inputs
G203 and G204 (Pickup)
2000 S/T Headlight Leveling
G202 (Pickup)
G205 and G206 (Utility)
Handling ESD Sensitive Parts Notice
Turn Signal Lamp Flasher
G205 and G206 (Utility)
Power and Ground