GM Service Manual Online
For 1990-2009 cars only
Makes
🢒
Chevrolet
🢒
2000
🢒
S10 Pickup - 2WD
🢒
Body and Accessories
🢒
Cruise Control
🢒 Cruise Control Schematics
Figure
1:
Clutch Pedal Position Switch and Stoplamp Switch
Cruise Control Components
Cruise Control System Circuit Description
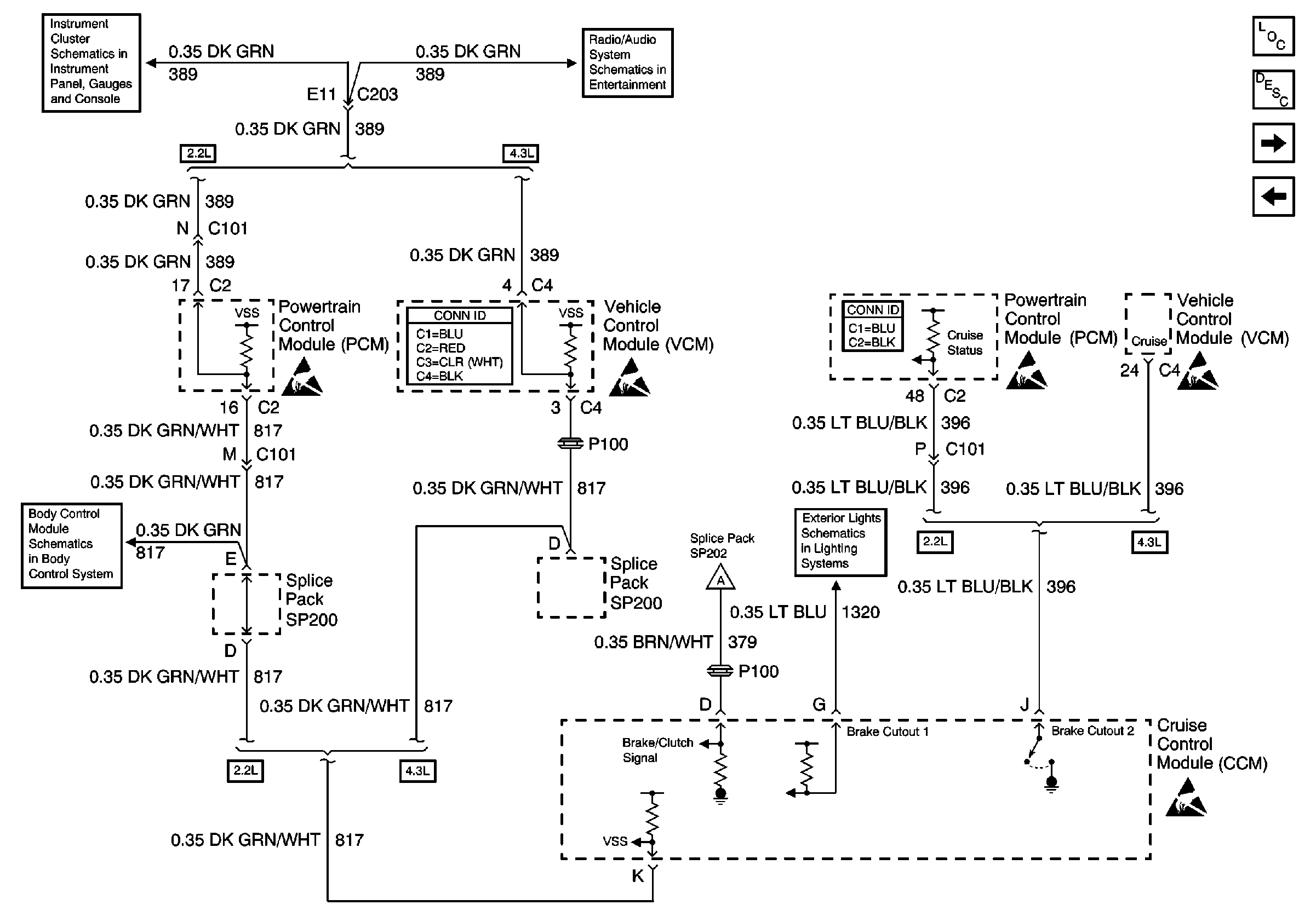
Cruise Control Module and PCM/VCM
RR WPR, FRT WPR and ABS Fuses
Cruise Control Module and PCM/VCM
Brake Switch Input
IAC, EVAP Valve Controls, and Brake Switch Input w/ A/T
Power and Ground (325 ABS)
Power and Ground (325 ABS)
Figure
2:
Cruise Control Module and PCM/VCM
Cruise Control Components
Cruise Control System Circuit Description
CRUISE Fuse, Multifunction Switch and Cruise Control Module
Clutch Pedal Position Switch and Stoplamp Switch
G200, G201, G203, G204, Park Position Switch and PCM/VCM
Power and Ground (Chevy/GMC)
Seat Belt Switch, Headlamp Ambient Light Sensor and PCM/VCM
Handling ESD Sensitive Parts Notice
VCM Connector End Views
Handling ESD Sensitive Parts Notice
Clutch Pedal Position Switch and Stoplamp Switch
High Mount Stop Lamp, Multifunction Switch (Turn Signal Switch) and Turn Signal Lamp Flasher
Powertrain Control Module Connector End Views
Handling ESD Sensitive Parts Notice
Handling ESD Sensitive Parts Notice
Handling ESD Sensitive Parts Notice
Figure
3:
CRUISE Fuse, Multifunction Switch and Cruise Control Module
Cruise Control Components
Cruise Control System Circuit Description
Cruise Control Module and PCM/VCM
Power
HVAC and CRUISE Fuses
HVAC and CRUISE Fuses
Power and Ground
Power and Ground (310 ABS)
G103 and G105 (2.2L)
Cruise Control Connector End Views
Power and Grounding Connector End Views
Handling ESD Sensitive Parts Notice