GM Service Manual Online
For 1990-2009 cars only
Makes
🢒
Chevrolet
🢒
2000
🢒
S10 Pickup - 2WD
🢒
Body and Accessories
🢒
Seats
🢒 Heated Seats Schematics
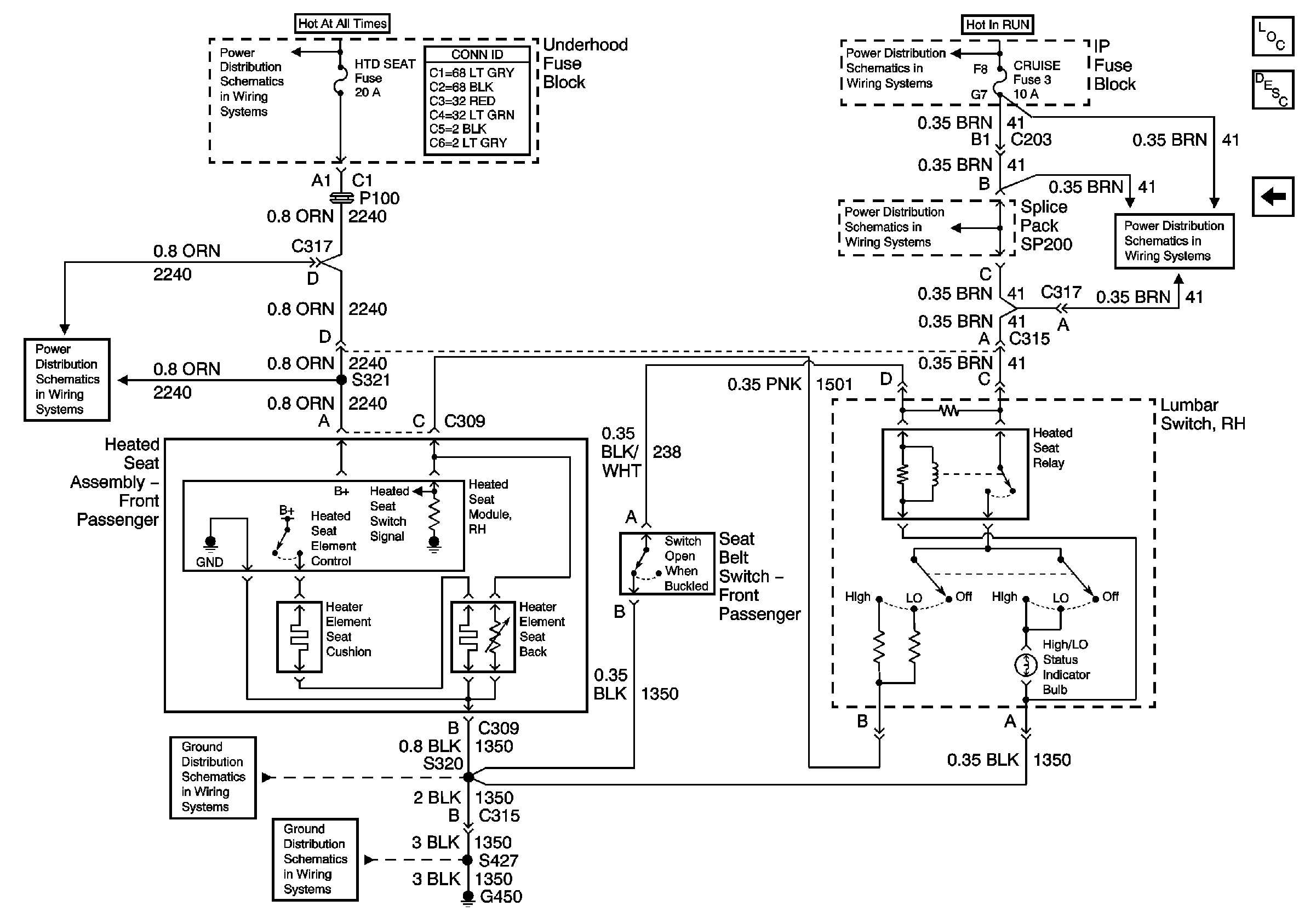
Figure
1:
LH Heated Seat
Power Seat Systems Components
Heated Seats Circuit Description
RH Heated Seat
B+ Bus Bar
Power and Grounding Connector End Views
HTD SEAT, ATC, HVAC and A/C Fuses
HVAC and CRUISE Fuses
HVAC and CRUISE Fuses
HVAC and CRUISE Fuses
S313 and S419
S313 and S419
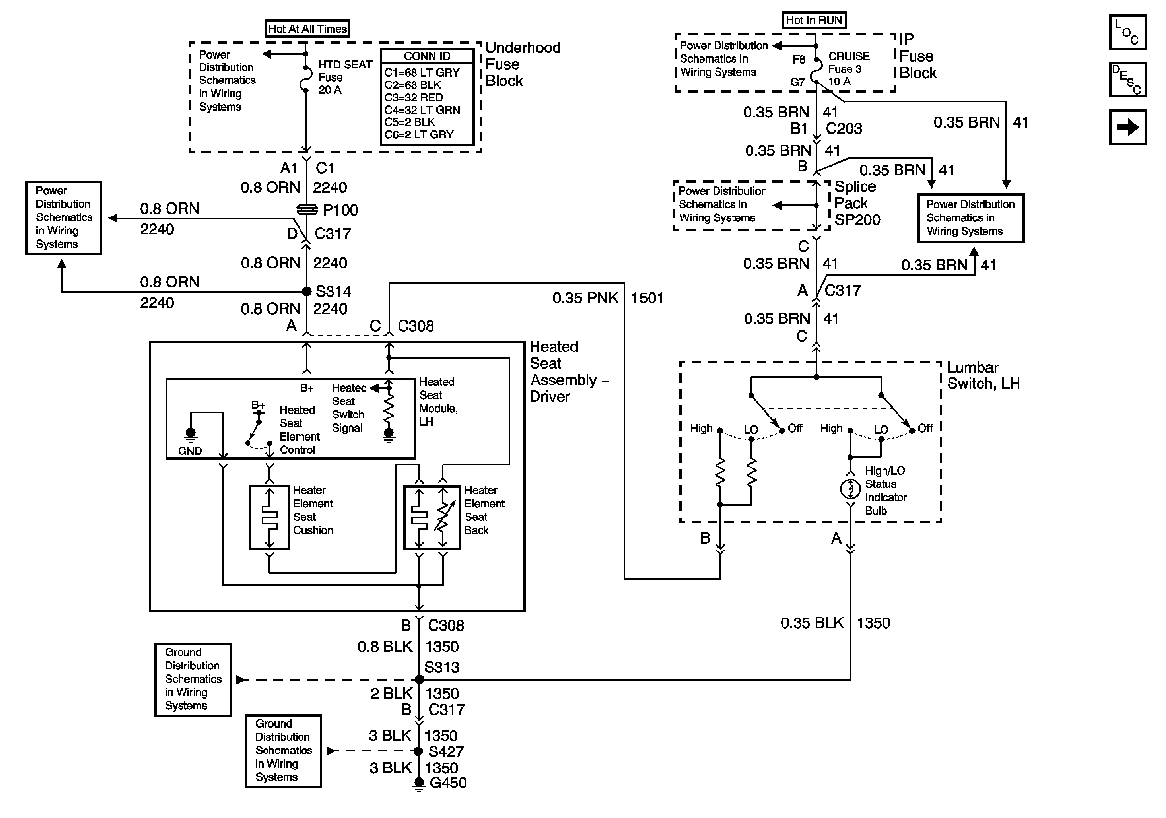
Figure
2:
RH Heated Seat
Power Seat Systems Components
Heated Seats Circuit Description
LH Heated Seat
HTD SEAT, ATC, HVAC and A/C Fuses
Power and Grounding Connector End Views
HTD SEAT, ATC, HVAC and A/C Fuses
HVAC and CRUISE Fuses
HVAC and CRUISE Fuses
Ign ACC, RUN and RAP Bus Bar
S320 and S420
S320 and S420