GM Service Manual Online
For 1990-2009 cars only
Makes
🢒
Chevrolet
🢒
2000
🢒
S10 Pickup - 2WD
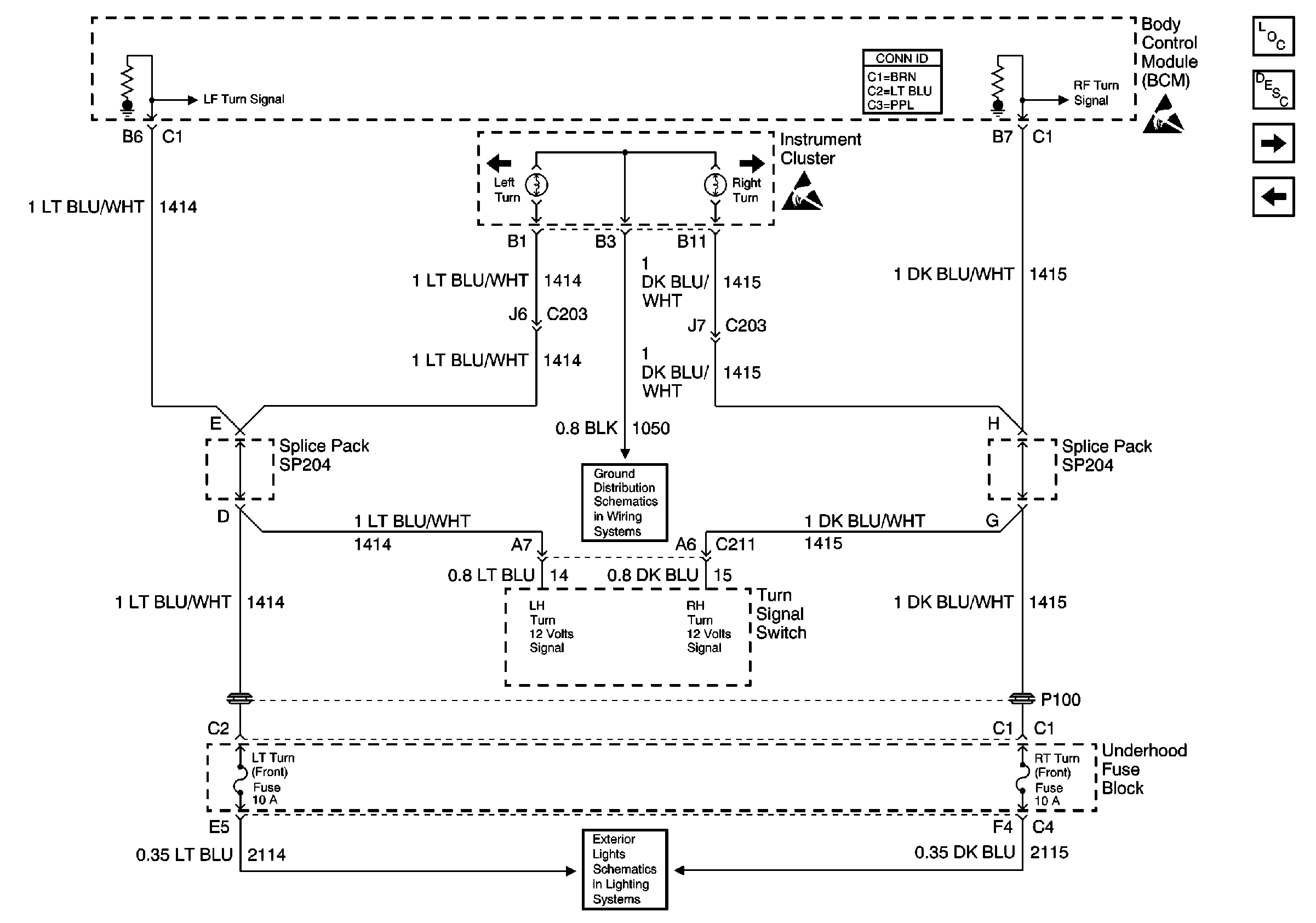
🢒 Turn Signals
Turn Signals
Turn Signals
Body Control Module Components
Body Control System Circuit Description
Headlamps (Except Envoy)
Interior Lights and Dome Lamps
Body Control System Connector End Views
Handling ESD Sensitive Parts Notice
Handling ESD Sensitive Parts Notice
G203 and G204 (Pickup)
Turn Signal Lamps, Front and Turn Signal Fuses, Rear