GM Service Manual Online
For 1990-2009 cars only
Makes
🢒
Chevrolet
🢒
2000
🢒
S10 Pickup - 2WD
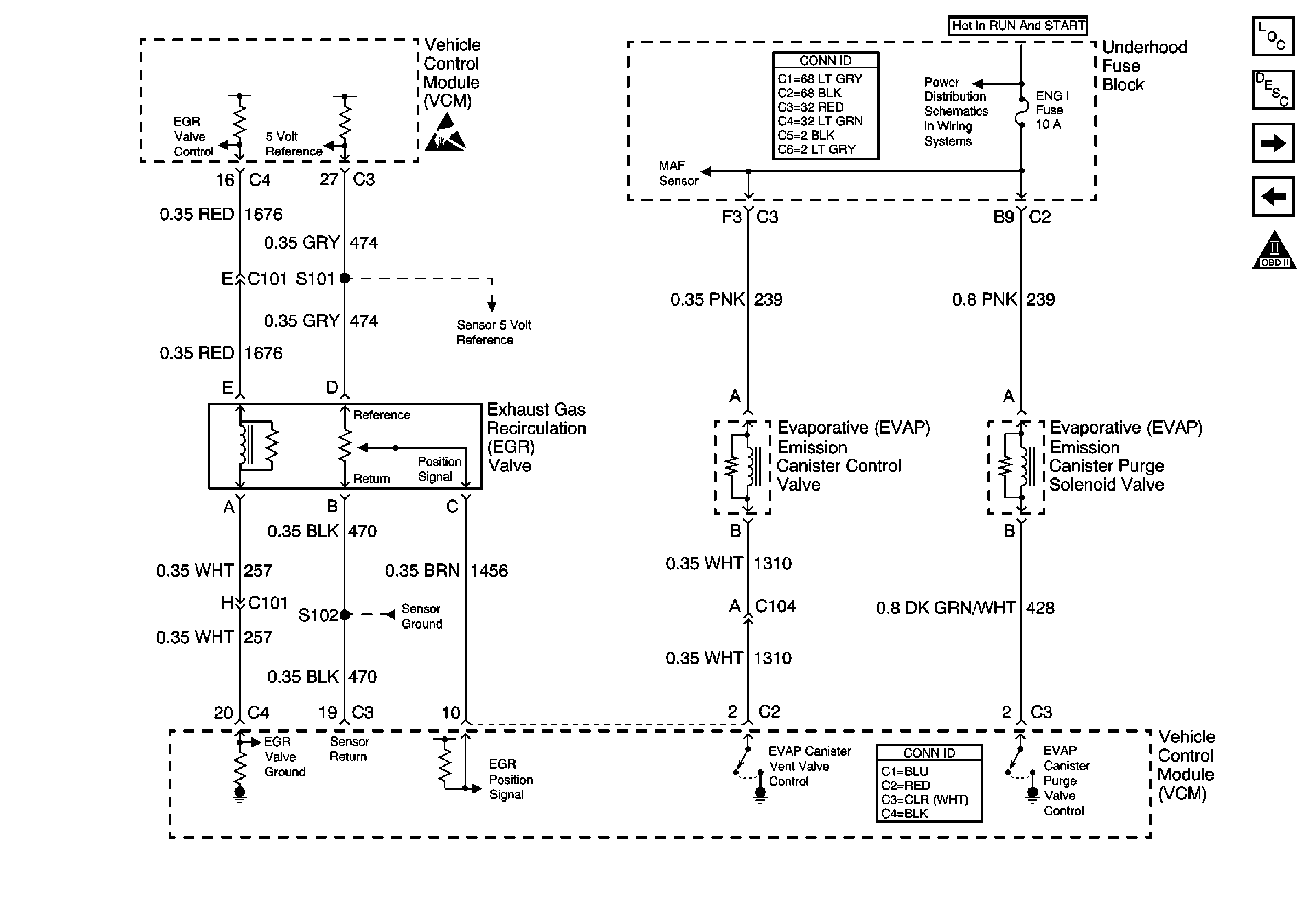
🢒 EGR and EVAP Valves
EGR and EVAP Valves
EGR and EVAP Valves
Engine Controls Components
Evaporative Emission Control System Operation Description Enhanced
Secondary AIR Pump Control
Fuel Injection Controls
OBD II Symbol Description Notice
Handling ESD Sensitive Parts Notice
MAF Sensor and IAC Valve
Power and Grounding Connector End Views
ENG I and OXYSEN Fuses
Engine Sensors (Pickup)
Engine Sensors (Pickup)
VCM Connector End Views