GM Service Manual Online
For 1990-2009 cars only
Makes
🢒
Chevrolet
🢒
2000
🢒
S10 Pickup - 2WD
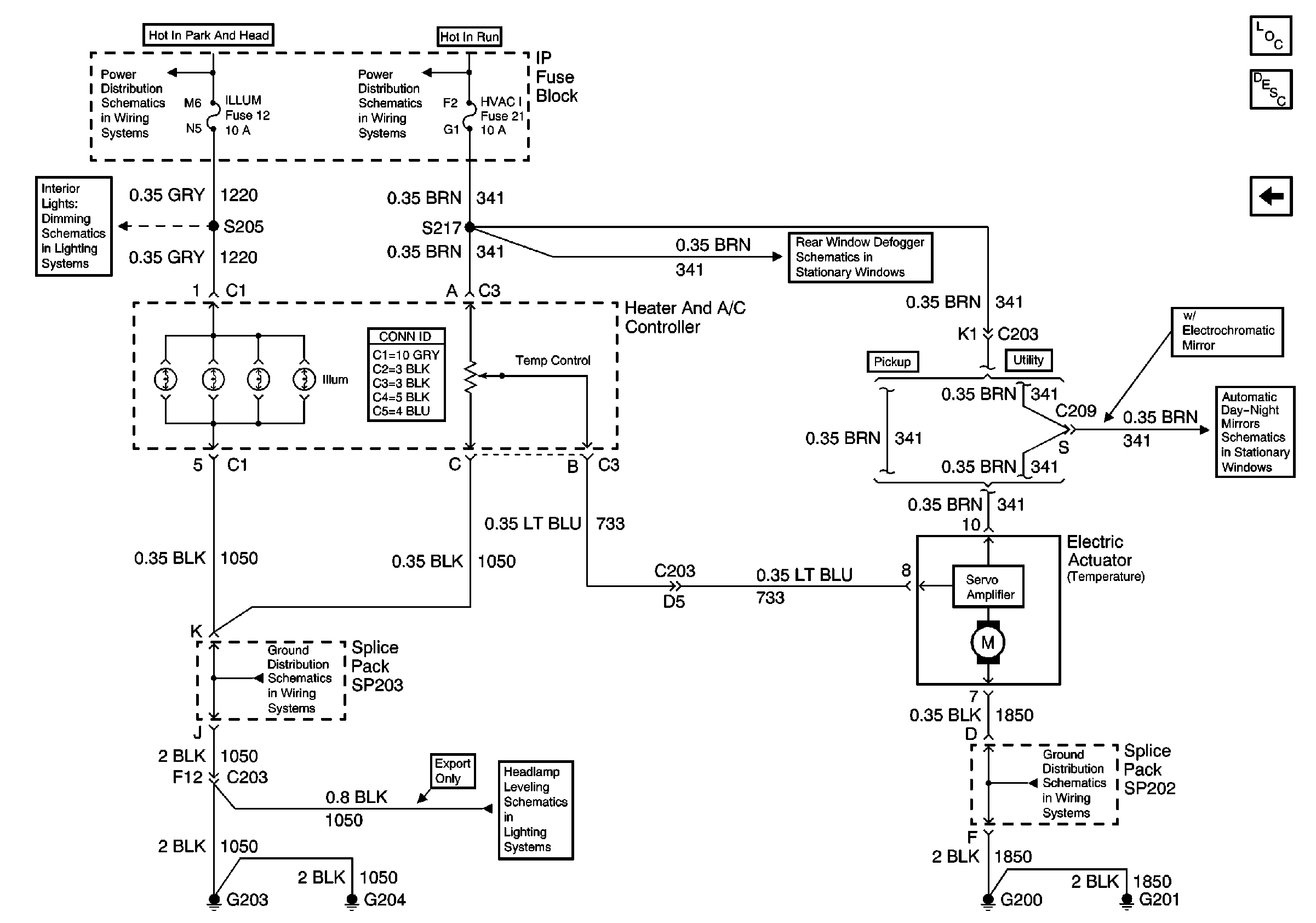
🢒 Heat and A/C
Heat and A/C
Heat and A/C
HVAC Components
HVAC Air Delivery/Temperature Control Circuit Description
Heat Only
ILLUM and PARK LP Fuses
Ign ACC, RUN and RAP Bus Bar
ILLUM Fuse 12
HVAC Connector End Views
Defogger Schematic
Automatic Day-Night Mirrors Schematics
G203 and G204 (Pickup)
2000 S/T Headlight Leveling
G200, G201 and G207 (Pickup)