GM Service Manual Online
For 1990-2009 cars only
Figure 1:

ECM B, ECM I, CLSTR Fuses, and PCM Ground


Object Number: 668580  Size: FS
Master Electrical Component List
Powertrain Control Module Description
Data Link Connector (DLC)
OBD II Symbol Description Notice
B+ Bus Bar
ECM I Fuse
MIL, Generator, and Fuel Composition Sensor
Power and Ground
Automatic Transmission Valve Controls
G103 and G105 (2.2 L)
Vehicle Speed Sensor (VSS) Signal
Figure 2:

Data Link Connector (DLC)


Object Number: 668586  Size: FS
Master Electrical Component List
Powertrain Control Module Description
MAP, IAT, TPS, and ECT Sensors
ECM B, ECM I, CLSTR Fuses, and PCM Ground
OBD II Symbol Description Notice
INT BATT Fuse
Except Envoy
G200, G201 and G207 (Pickup and Crew Cab)
G103 and G105 (2.2 L)
G103 and G105 (2.2 L)
G103 and G105 (2.2 L)
G103 and G105 (2.2 L)
Power, Ground, Transfer Case Shift Control Module and Vehicle InterfacE Unit (VIU)
SP201 (2.2L)
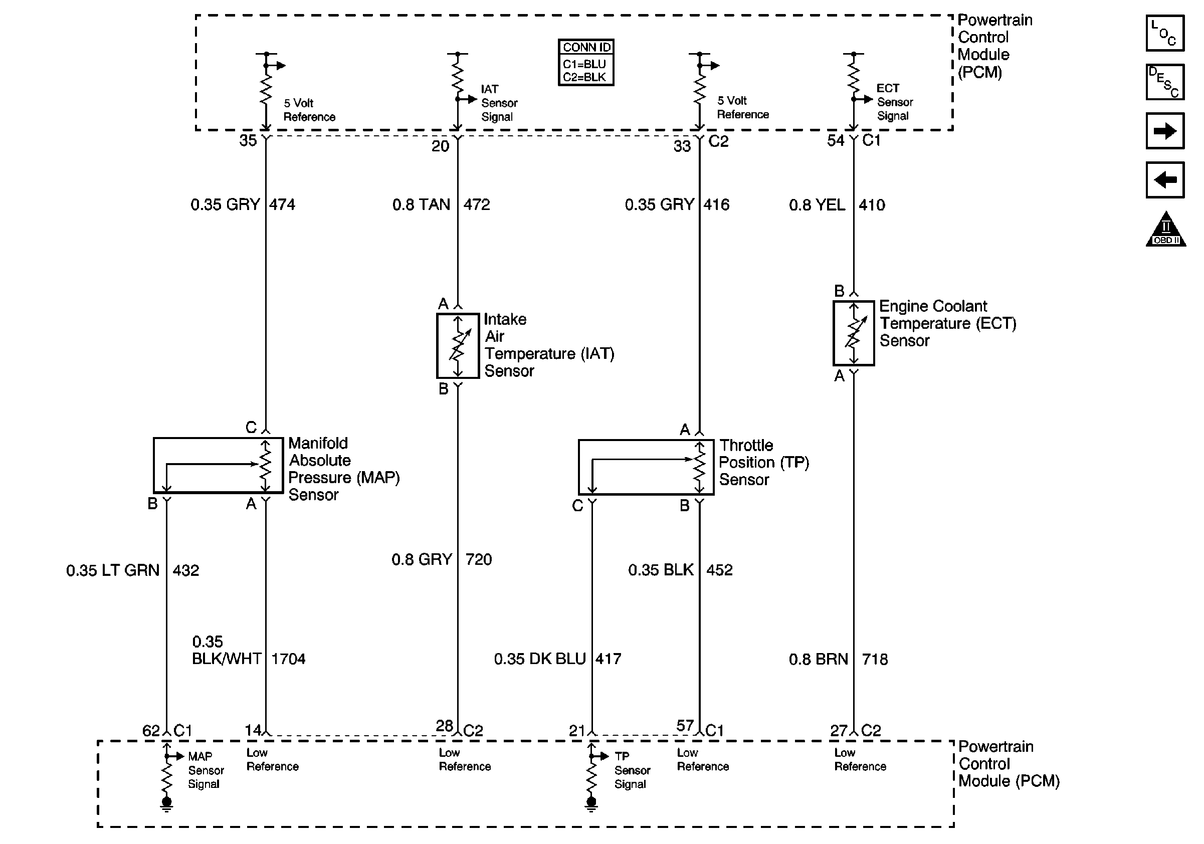
Figure 3:

MAP, IAT, TPS, and ECT Sensors


Object Number: 668597  Size: FS
Master Electrical Component List
Powertrain Control Module Description
Oxygen Sensors
Data Link Connector (DLC)
OBD II Symbol Description Notice
Figure 4:

Oxygen Sensors


Object Number: 668600  Size: FS
Master Electrical Component List
Powertrain Control Module Description
Vehicle Speed Sensor (VSS) Signal
MAP, IAT, TPS, and ECT Sensors
OBD II Symbol Description Notice
Ign RUN and START Bus Bar
G102 (Except Export)
Figure 5:

Vehicle Speed Sensor (VSS) Signal


Object Number: 668608  Size: FS
Master Electrical Component List
Powertrain Control Module Description
Ignition Controls
Oxygen Sensors
OBD II Symbol Description Notice
G103 and G105 (2.2 L)
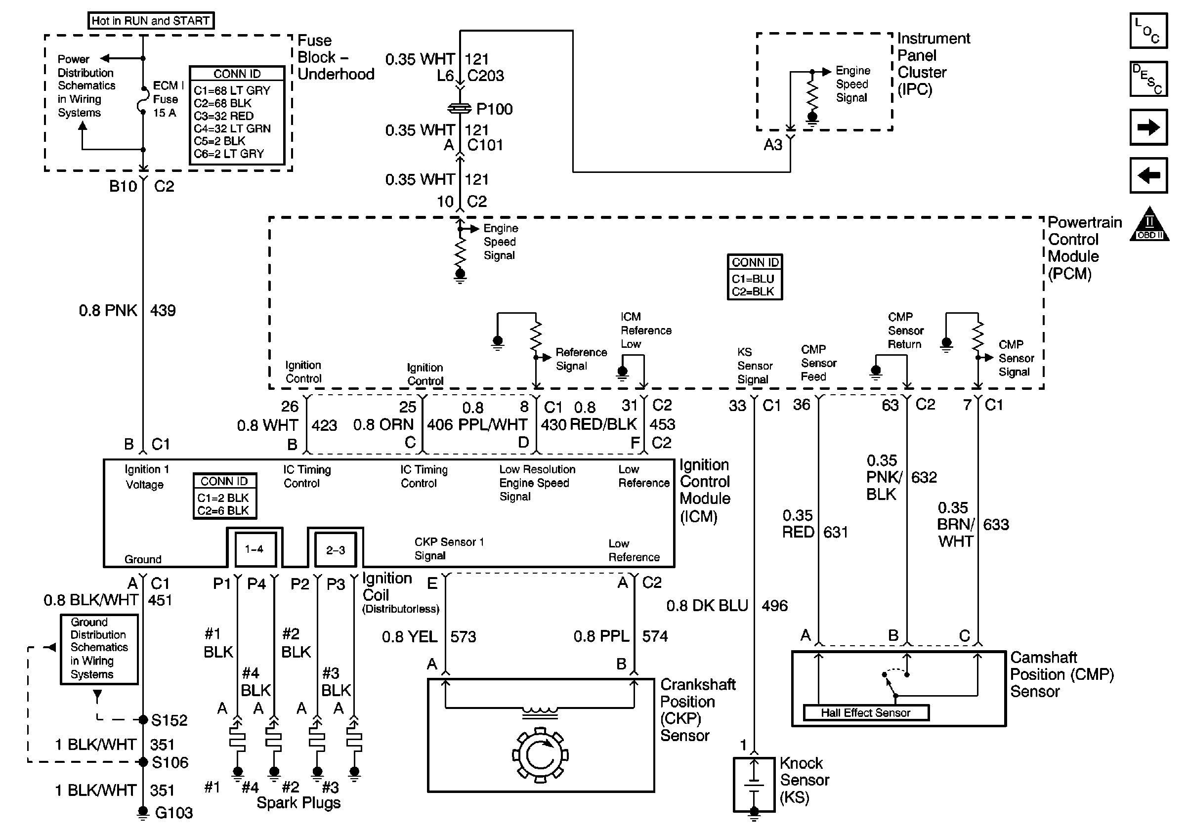
Figure 6:

Ignition Controls


Object Number: 668589  Size: FS
Master Electrical Component List
Powertrain Control Module Description
Fuel Injectors and Fuel Pump
Vehicle Speed Sensor (VSS) Signal
OBD II Symbol Description Notice
ECM I Fuse
G103 and G105 (2.2 L)
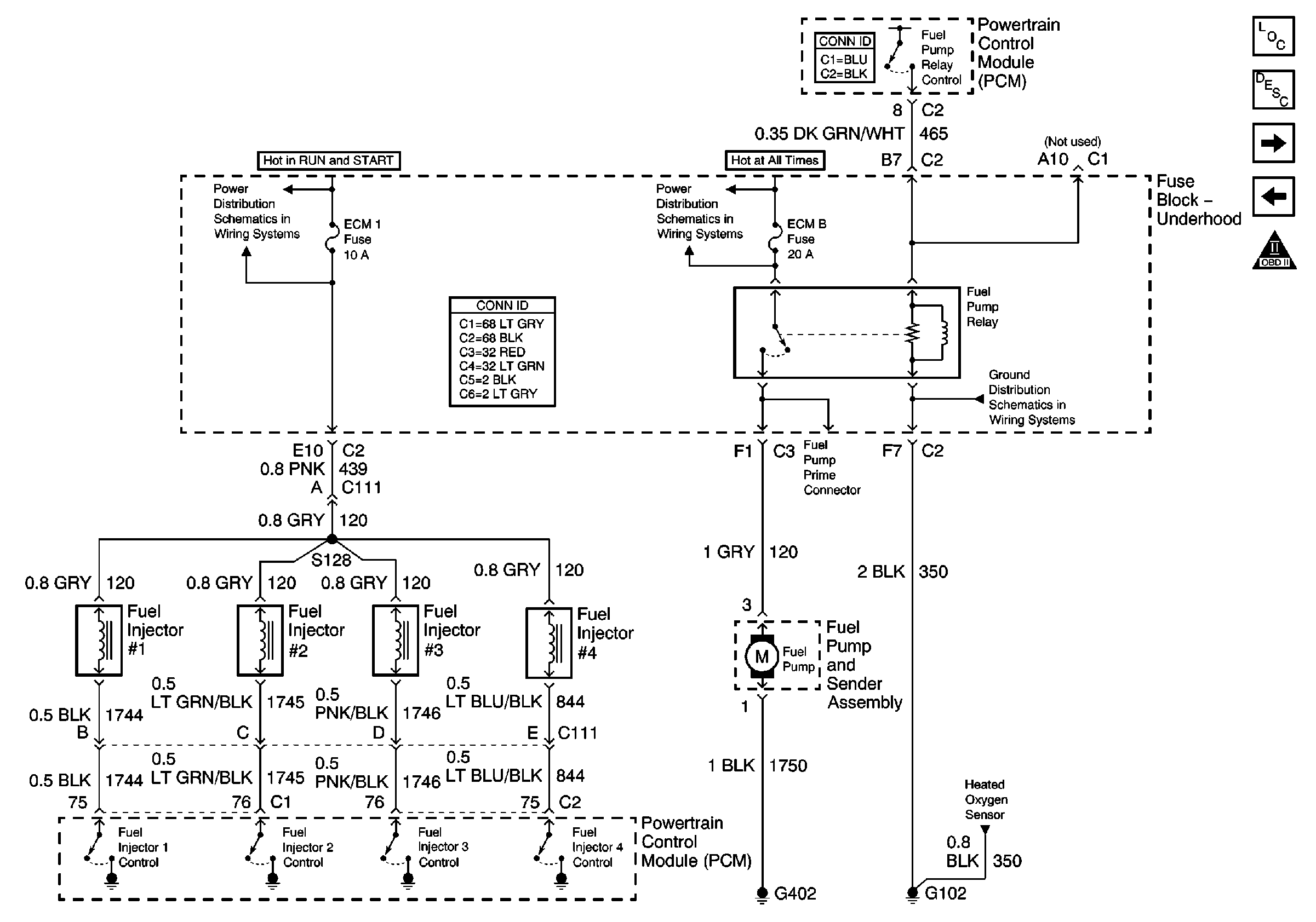
Figure 7:

Fuel Injectors and Fuel Pump


Object Number: 668596  Size: FS
Master Electrical Component List
Powertrain Control Module Description
Fuel Level and Fuel Tank Pressure Sensors
Ignition Controls
OBD II Symbol Description Notice
ECM I Fuse
ECM B Fuse and Horn, Rear Defogger Relays
G102 (Except Export)
Oxygen Sensors
Figure 8:

Fuel Level and Fuel Tank Pressure Sensors


Object Number: 668594  Size: FS
Master Electrical Component List
Powertrain Control Module Description
IAC, EVAP Valve Controls, and Stop Lamp Switch Input w/ A/T
Fuel Injectors and Fuel Pump
OBD II Symbol Description Notice
SP201 (2.2L)
Figure 9:

IAC, EVAP Valve Controls, and Stop Lamp Switch Input w/ A/T


Object Number: 668610  Size: FS
Master Electrical Component List
Powertrain Control Module Description
Secondary A.I.R. Pump Control
Fuel Level and Fuel Tank Pressure Sensors
OBD II Symbol Description Notice
Ign RUN and START Bus Bar
Clutch Pedal Position Switch, Stoplamp Switch, PCM and Cruise Control Module
Power and Ground
Clutch Pedal Position Switch, Stoplamp Switch, PCM and Cruise Control Module
Power and Ground
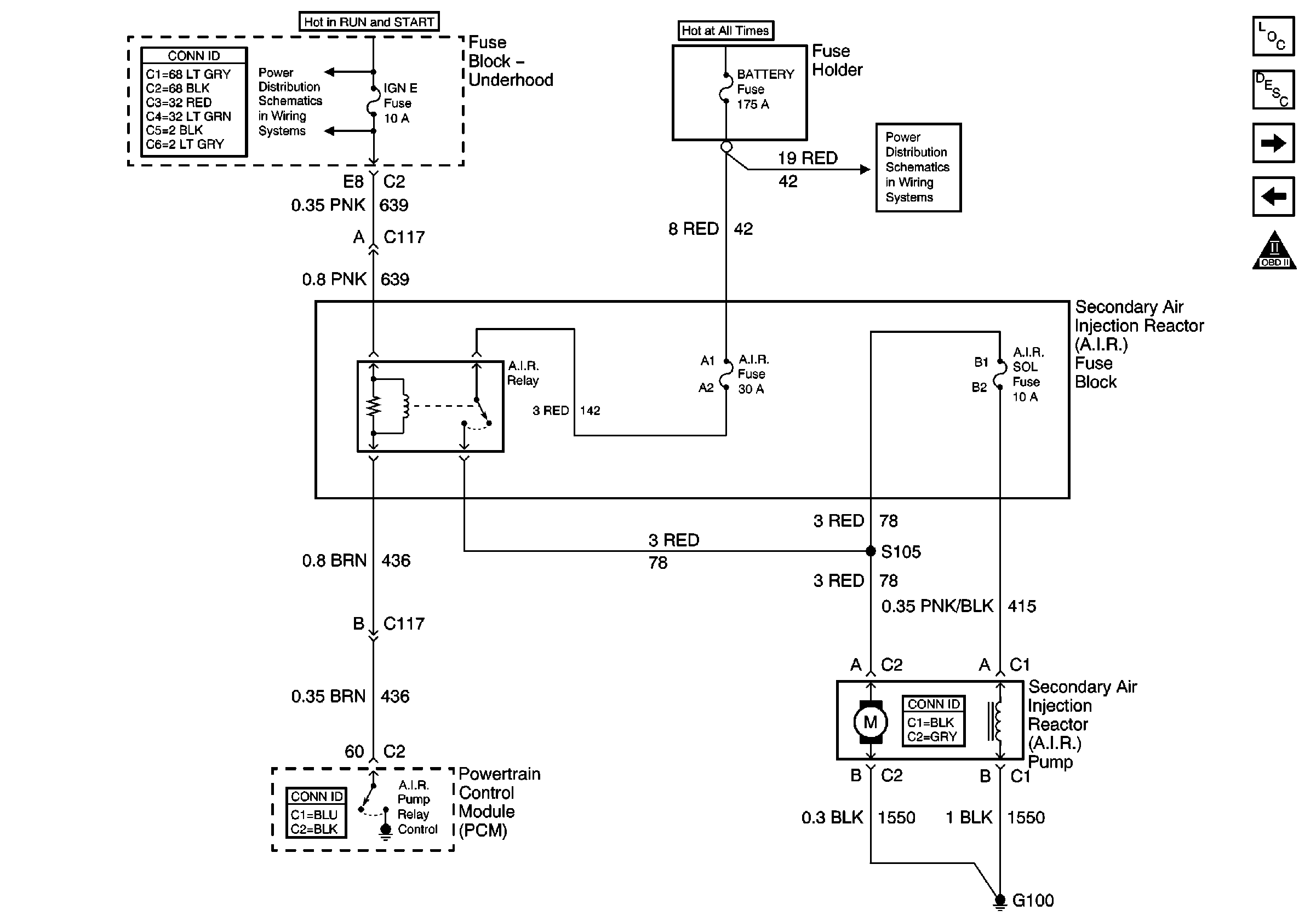
Figure 10:

Secondary A.I.R. Pump Control


Object Number: 668604  Size: FS
Master Electrical Component List
Powertrain Control Module Description
A/C Compressor Controls
IAC, EVAP Valve Controls, and Stop Lamp Switch Input w/ A/T
OBD II Symbol Description Notice
IGN E Fuse and A/C Compressor, Rear Defogger, DRL Relays
B+ Bus Bar
Figure 11:

A/C Compressor Controls


Object Number: 668618  Size: FS
Master Electrical Component List
Powertrain Control Module Description
MIL, Generator, and Fuel Composition Sensor
Secondary A.I.R. Pump Control
OBD II Symbol Description Notice
B+ Bus Bar
IGN E Fuse and A/C Compressor, Rear Defogger, DRL Relays
Ign ACC, RUN and RAP Bus Bar
Blower Controls (RPO C42)
G102 (Except Export)
Oxygen Sensors
Figure 12:

MIL, Generator, and Fuel Composition Sensor


Object Number: 668585  Size: FS
Master Electrical Component List
Powertrain Control Module Description
Automatic Transmission and PNP Switch Inputs
A/C Compressor Controls
OBD II Symbol Description Notice
Power and Ground
Ign RUN and START Bus Bar
Power and Ground
ECM B, ECM I, CLSTR Fuses, and PCM Ground
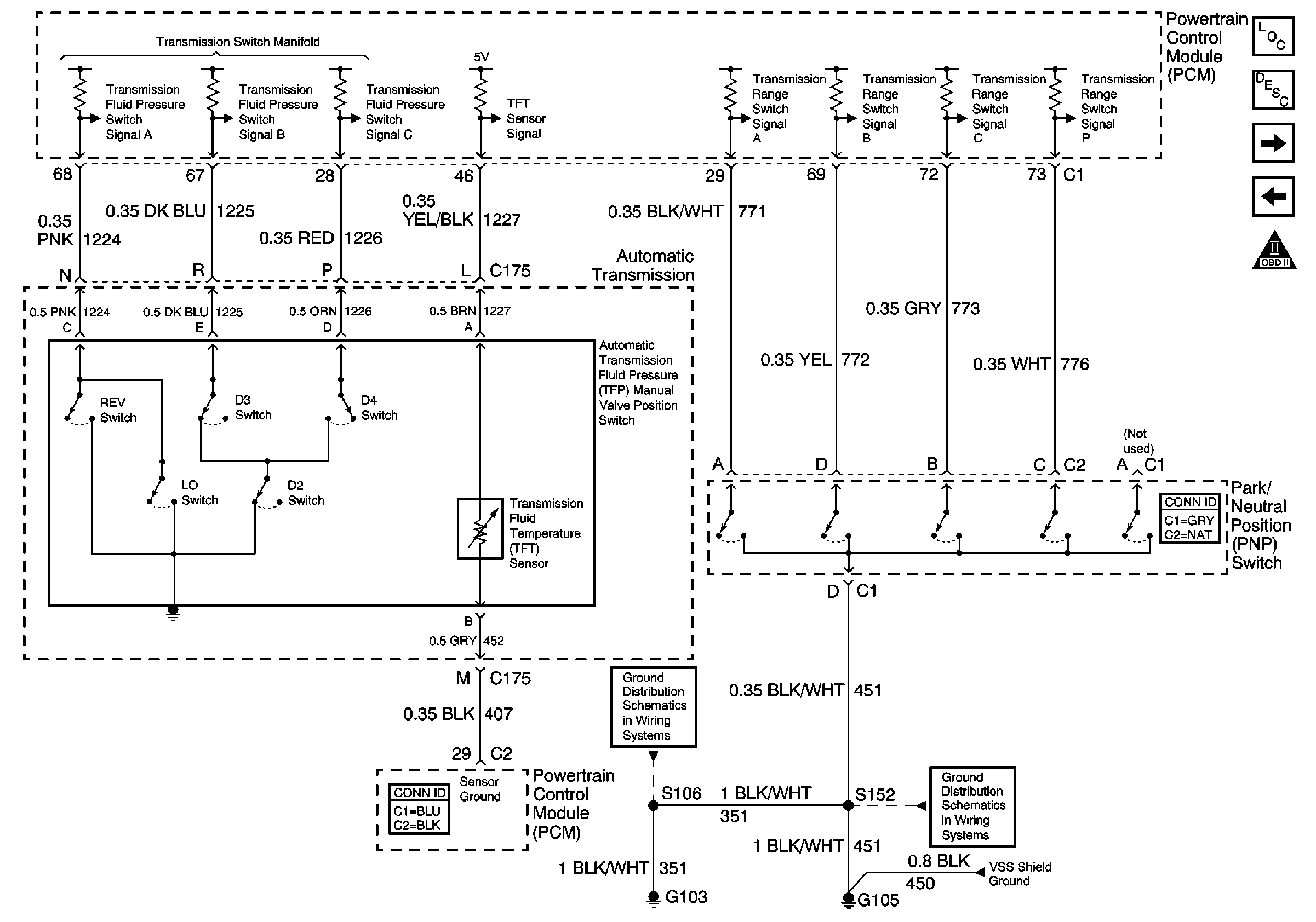
Figure 13:

Automatic Transmission and PNP Switch Inputs


Object Number: 668616  Size: FS
Master Electrical Component List
Powertrain Control Module Description
Automatic Transmission Valve Controls
MIL, Generator, and Fuel Composition Sensor
OBD II Symbol Description Notice
G103 and G105 (2.2 L)
G103 and G105 (2.2 L)
Vehicle Speed Sensor (VSS) Signal
Figure 14:

Automatic Transmission Valve Controls


Object Number: 668613  Size: FS
Master Electrical Component List
Powertrain Control Module Description
Automatic Transmission and PNP Switch Inputs
OBD II Symbol Description Notice
Power and Ground
ECM B, ECM I, CLSTR Fuses, and PCM Ground