GM Service Manual Online
For 1990-2009 cars only
Makes
🢒
Chevrolet
🢒
2001
🢒
S10 Pickup - 2WD
🢒
Body and Accessories
🢒
Body Control System
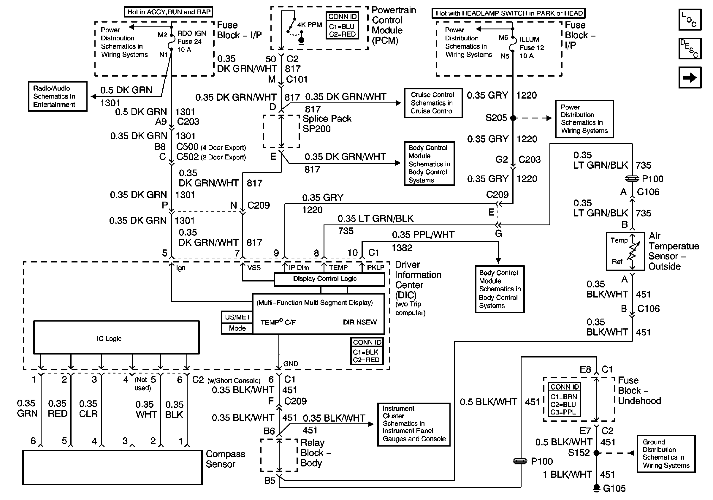
🢒 Driver Information System Schematics
Figure
1:
w/o Trip Computer
Master Electrical Component List
Driver Information Center (DIC) Description and Operation
Power and Ground (w/ Trip Computer)
Ign ACC, RUN and RAP Bus Bar
Power (Chevy/GMC)
ILLUM and PARK LP Fuses
Clutch Pedal Position Switch, Stoplamp Switch, PCM and Cruise Control Module
Seat Belt Switch, Headlamp Ambient Light Sensor and PCM
ILLUM Power (Utility)
Power and Ground
Automatic Transmission Preference Switch
G103 and G105 (4.3 L)
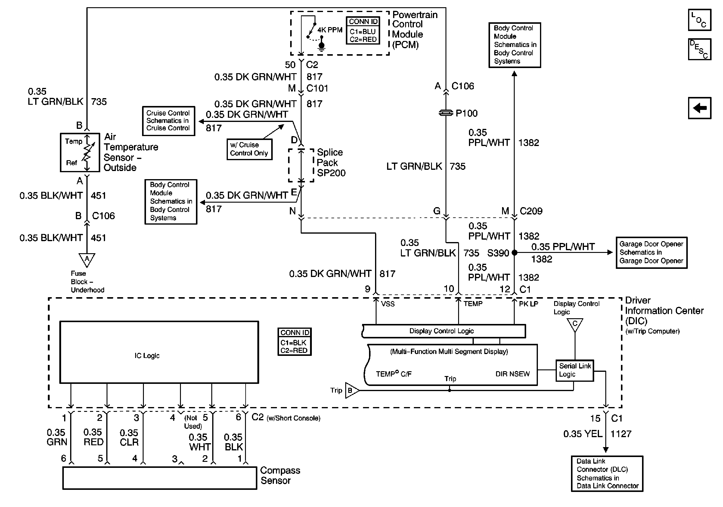
Figure
2:
Power and Ground (w/ Trip Computer)
Master Electrical Component List
Driver Information Center (DIC) Description and Operation
Air Temperature Sensor - Outside (w/ Trip Computer)
w/o Trip Computer
Power (Chevy/GMC)
Ign ACC, RUN and RAP Bus Bar
ILLUM and PARK LP Fuses
INT BATT Fuse
ILLUM Power (Utility)
RDO IGN and STR WHL RDO IGN Fuses
Instrument Panel Cluster, BCM, and Automatic Transmission Indicators
Inadvertent Power Lamp Relay
CTSY LP Fuse and Courtesy Lamp Relay
Air Temperature Sensor - Outside (w/ Trip Computer)
Air Temperature Sensor - Outside (w/ Trip Computer)
Driver Information Display Module (Utility w/ Sunroof)
Air Temperature Sensor - Outside (w/ Trip Computer)
Power and Ground
G103 and G105 (4.3 L)
G103 and G105 (4.3 L)
Figure
3:
Air Temperature Sensor - Outside (w/ Trip Computer)
Master Electrical Component List
Driver Information Center (DIC) Description and Operation
Power and Ground (w/ Trip Computer)
Power and Ground (w/ Trip Computer)
Clutch Pedal Position Switch, Stoplamp Switch, PCM and Cruise Control Module
Seat Belt Switch, Headlamp Ambient Light Sensor and PCM
Automatic Transmission Preference Switch
Garage Door Opener Schematics
Power and Ground (w/ Trip Computer)
Power and Ground (w/ Trip Computer)
SP201 (4.3L)