GM Service Manual Online
For 1990-2009 cars only
Makes
🢒
Chevrolet
🢒
2001
🢒
S10 Pickup - 2WD
🢒
Body and Accessories
🢒
Seats
🢒 Lumbar Support Schematics
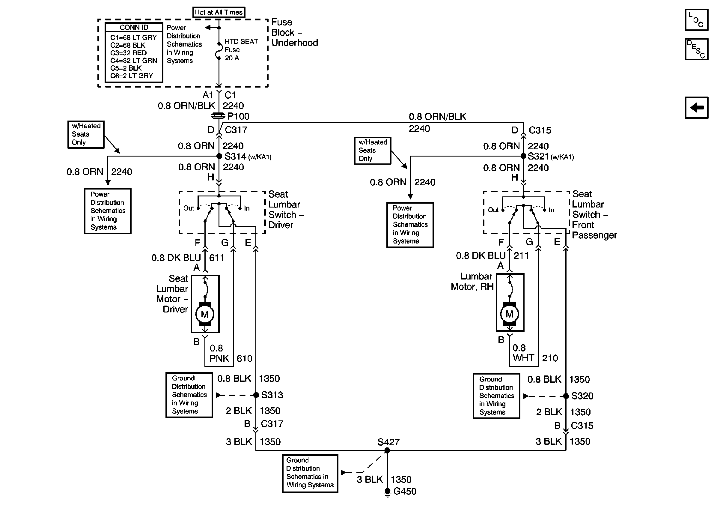
Figure
1:
Lumbar w/o Memory Seats
Master Electrical Component List
Lumbar Support Description and Operation
Lumbar w/ Memory Seats
Ign ACC, RUN and RAP Bus Bar
Power Seats, Power Windows Circuit Breakers and RAP Relay
S313 and S419
G420,G450 and S427 (Utility w/ Endgate and Crew Cab)
B+ Bus Bar
S320 and S420
Figure
2:
Lumbar w/ Memory Seats
Master Electrical Component List
Lumbar Support Description and Operation
8-Way LH Power Seat
B+ Bus Bar
HTD SEAT, ATC, HVAC and A/C Fuses
S313 and S419
G420,G450 and S427 (Utility w/ Endgate and Crew Cab)
HTD SEAT, ATC, HVAC and A/C Fuses
S320 and S420