GM Service Manual Online
For 1990-2009 cars only
Makes
🢒
Chevrolet
🢒
2001
🢒
S10 Pickup - 2WD
🢒
Body and Accessories
🢒
Wiring Systems
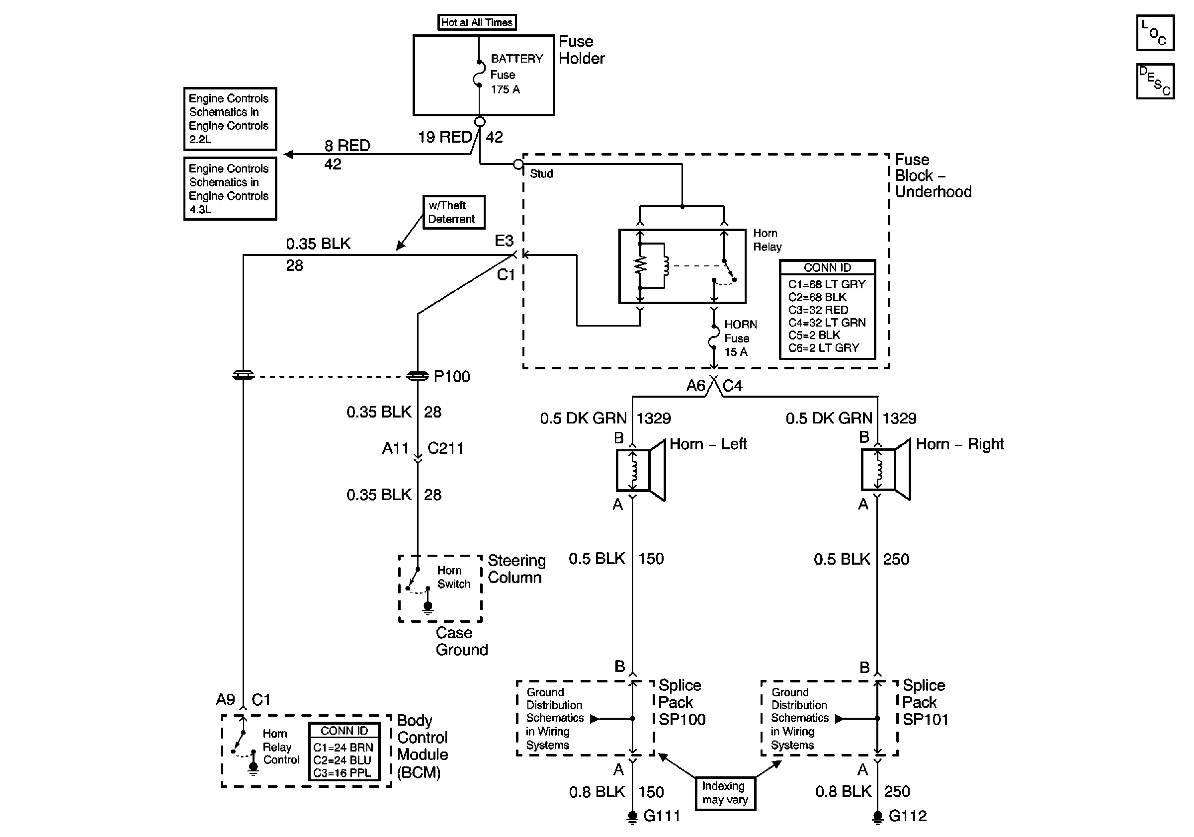
🢒 Horn Schematics
Master Electrical Component List
Horns System Description and Operation
Secondary A.I.R. Pump Control
Secondary AIR Pump Control
G109, G111, G112 and G113 (Except Export)
G109, G111, G112 and G113 (Except Export)