GM Service Manual Online
For 1990-2009 cars only
Makes
🢒
Chevrolet
🢒
2001
🢒
S10 Pickup - 2WD
🢒 Defogger Schematics
Defogger Schematics
Master Electrical Component List
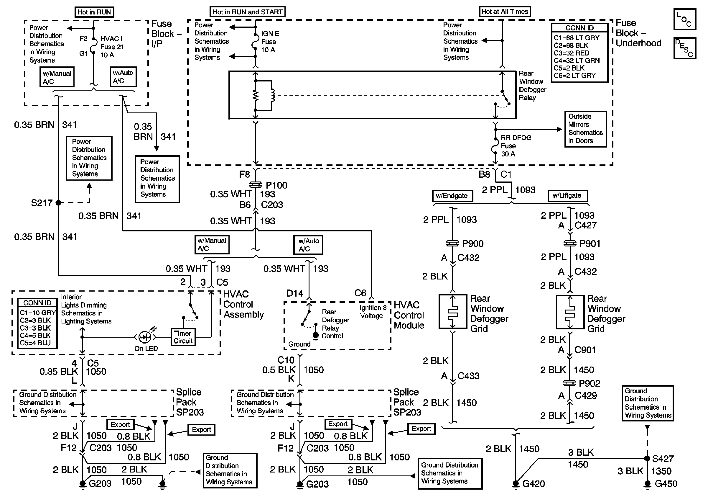
Rear Window Defogger Description and Operation
Ign ACC, RUN and RAP Bus Bar
IGN E Fuse and A/C Compressor, Rear Defogger, DRL Relays
ECM B Fuse and Horn, Rear Defogger Relays
Heated Mirrors
HVAC I Fuse
ILLUM Fuse 12
HVAC I Fuse
G203 and G204 (Utility w/ Manual A/C)
G203 and G204 (Utility w/ Manual A/C)
G203 and G204 (Utility w/ Automatic A/C)
G420,G450 and S427 (Utility w/ Endgate and Crew Cab)
G203 and G204 (Utility w/ Automatic A/C)