GM Service Manual Online
For 1990-2009 cars only
Makes
🢒
Chevrolet
🢒
2001
🢒
S10 Pickup - 2WD
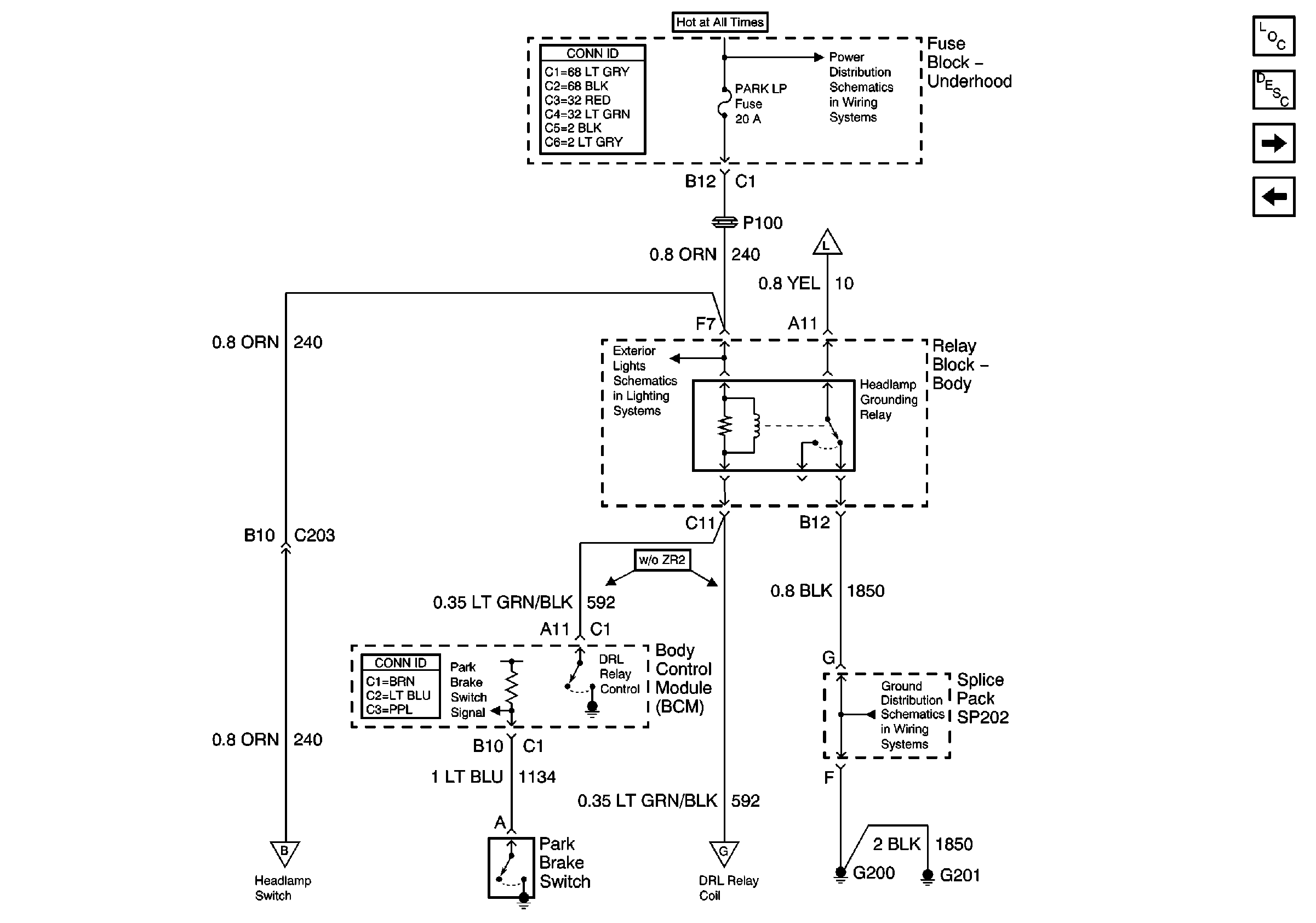
🢒 Headlamp Grounding Relay and BCM (Except Envoy)
Headlamp Grounding Relay and BCM (Except Envoy)
Headlamp Grounding Relay and BCM (Except Envoy)
Master Electrical Component List
Exterior Lighting Systems Description and Operation
Flash-To-Pass Switch, DRL Relay (ZR2) and BCM
DRL and Headlamp Power Relays
B+ Bus Bar
Flash-To-Pass Switch, DRL Relay (ZR2) and BCM
Park/Turn Signal Lamps, Marker and License Lamps, Rear(Pickup)
Headlamp Switch, Ambient Light Sensor and BCM
DRL and Headlamp Power Relays
G200, G201 and G207 (Pickup and Crew Cab)