GM Service Manual Online
For 1990-2009 cars only
Makes
🢒
Chevrolet
🢒
2001
🢒
S10 Pickup - 2WD
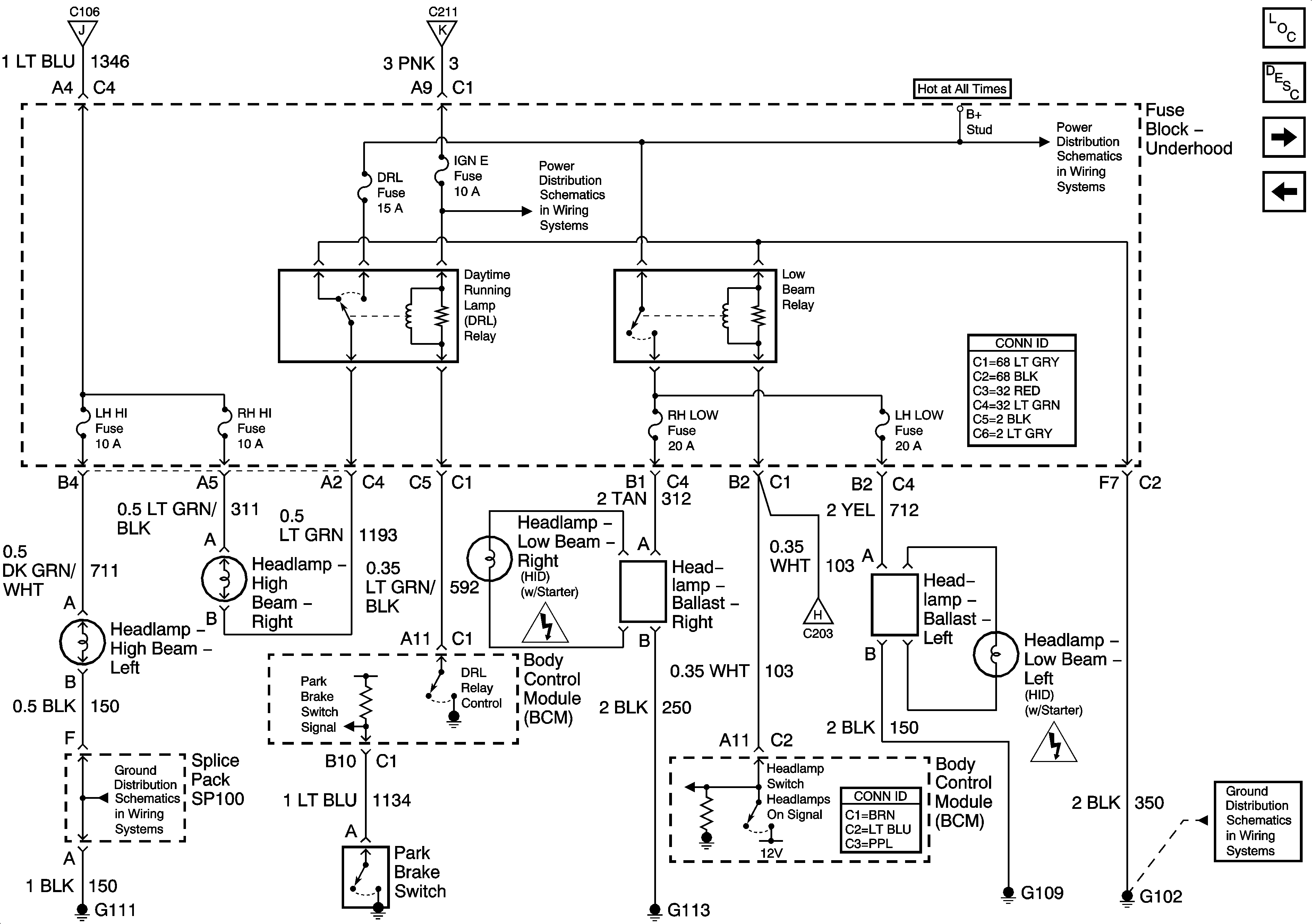
🢒 DRL, Low Beam Relays and BCM (Envoy/Diamond Edition 1SK)
DRL, Low Beam Relays and BCM (Envoy/Diamond Edition 1SK)
DRL, Low Beam Relays and BCM (Envoy/Diamond Edition 1SK)
Master Electrical Component List
Exterior Lighting Systems Description and Operation
Park Lamp, High Beam Relays and BCM (Envoy/Diamond Edition 1SK)
Headlamp Switch and BCM (Envoy/Diamond Edition 1SK)
Park Lamp, High Beam Relays and BCM (Envoy/Diamond Edition 1SK)
Park Lamp, High Beam Relays and BCM (Envoy/Diamond Edition 1SK)
IGN E Fuse and A/C Compressor, Rear Defogger, DRL Relays
HI BEAM, LD LEV, DRL Fuses and Low Beam Relay (Envoy Only)
G109, G111, G112 and G113 (Except Export)
Headlamp Switch and BCM (Envoy/Diamond Edition 1SK)
G102 (Except Export)