GM Service Manual Online
For 1990-2009 cars only
Makes
🢒
Chevrolet
🢒
2001
🢒
S10 Pickup - 2WD
🢒 Relay Control
Relay Control
Relay Control
Master Electrical Component List
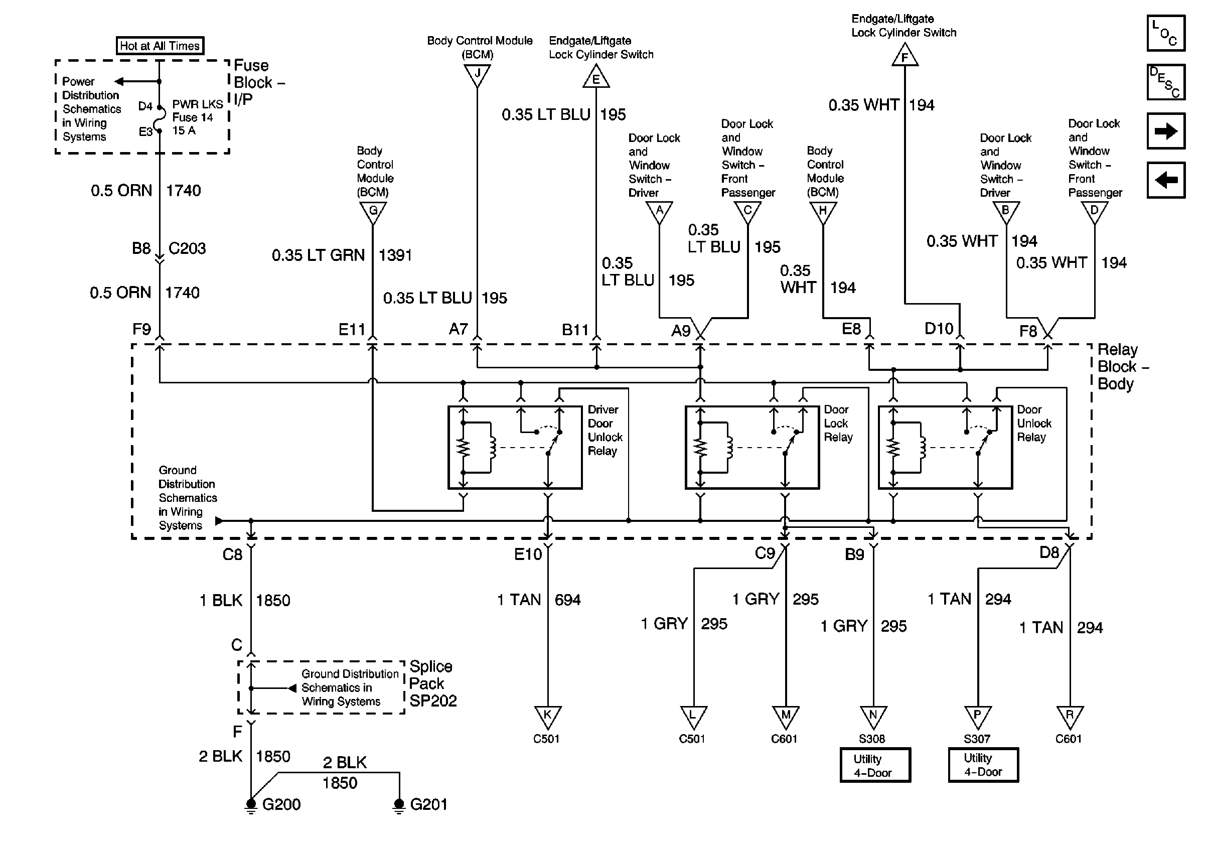
Power Door Locks Description and Operation
Door Lock Actuators
BCM Inputs and Outputs
INT BATT Fuse
G200, G201 and G207 (Pickup and Crew Cab)
G200, G201 and G207 (Pickup and Crew Cab)
BCM Inputs and Outputs
BCM Inputs and Outputs
Liftgate/Endgate Lock Cylinder Switch Inputs (Utility)
Door Lock Switch Inputs
BCM Inputs and Outputs
Liftgate/Endgate Lock Cylinder Switch Inputs (Utility)
Door Lock Switch Inputs
Door Lock Actuators