GM Service Manual Online
For 1990-2009 cars only
Makes
🢒
Chevrolet
🢒
2001
🢒
S10 Pickup - 2WD
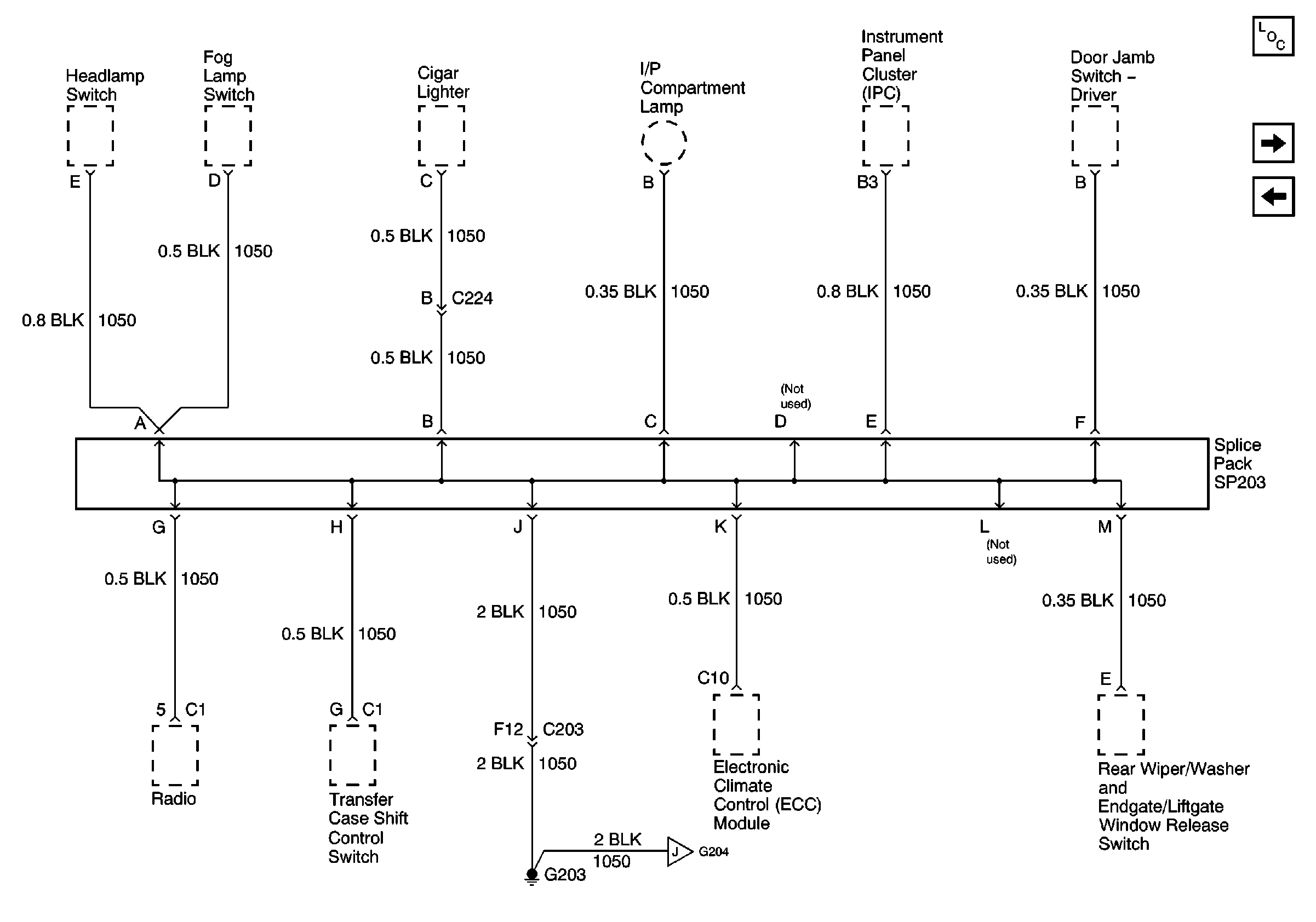
🢒 G203 and G204 (Envoy)
G203 and G204 (Envoy)
G203 and G204 (Envoy)
Master Electrical Component List
G205 (Utility and Crew Cab)
G203 and G204 (Utility w/ Automatic A/C)
G204 and G205 (Envoy)